GM Service Manual Online
For 1990-2009 cars only
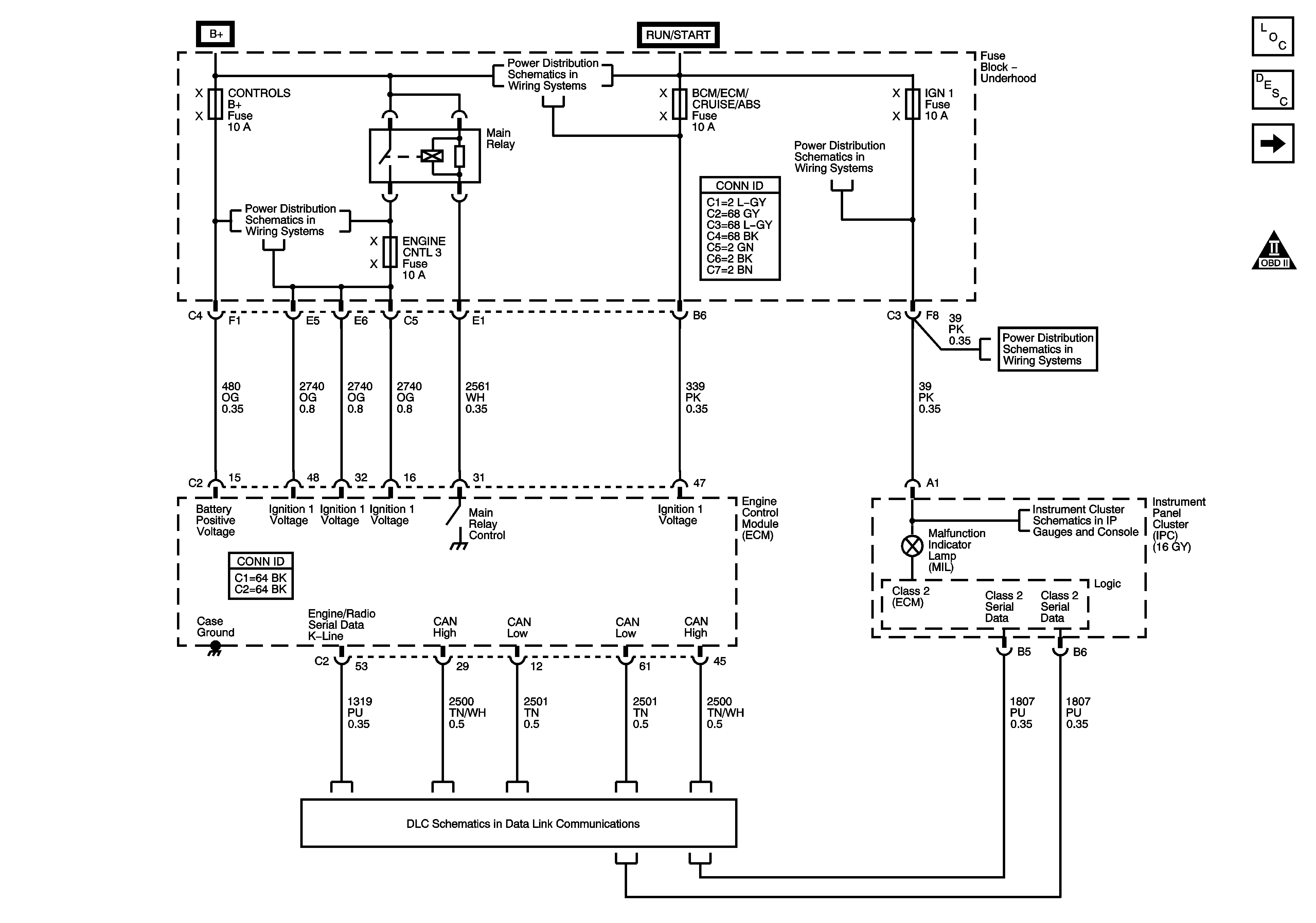
Figure 1:

ECM Power, Ground, Serial Data, and MIL


Object Number: 1175238  Size: FS
Master Electrical Component List
Engine Control Module Description
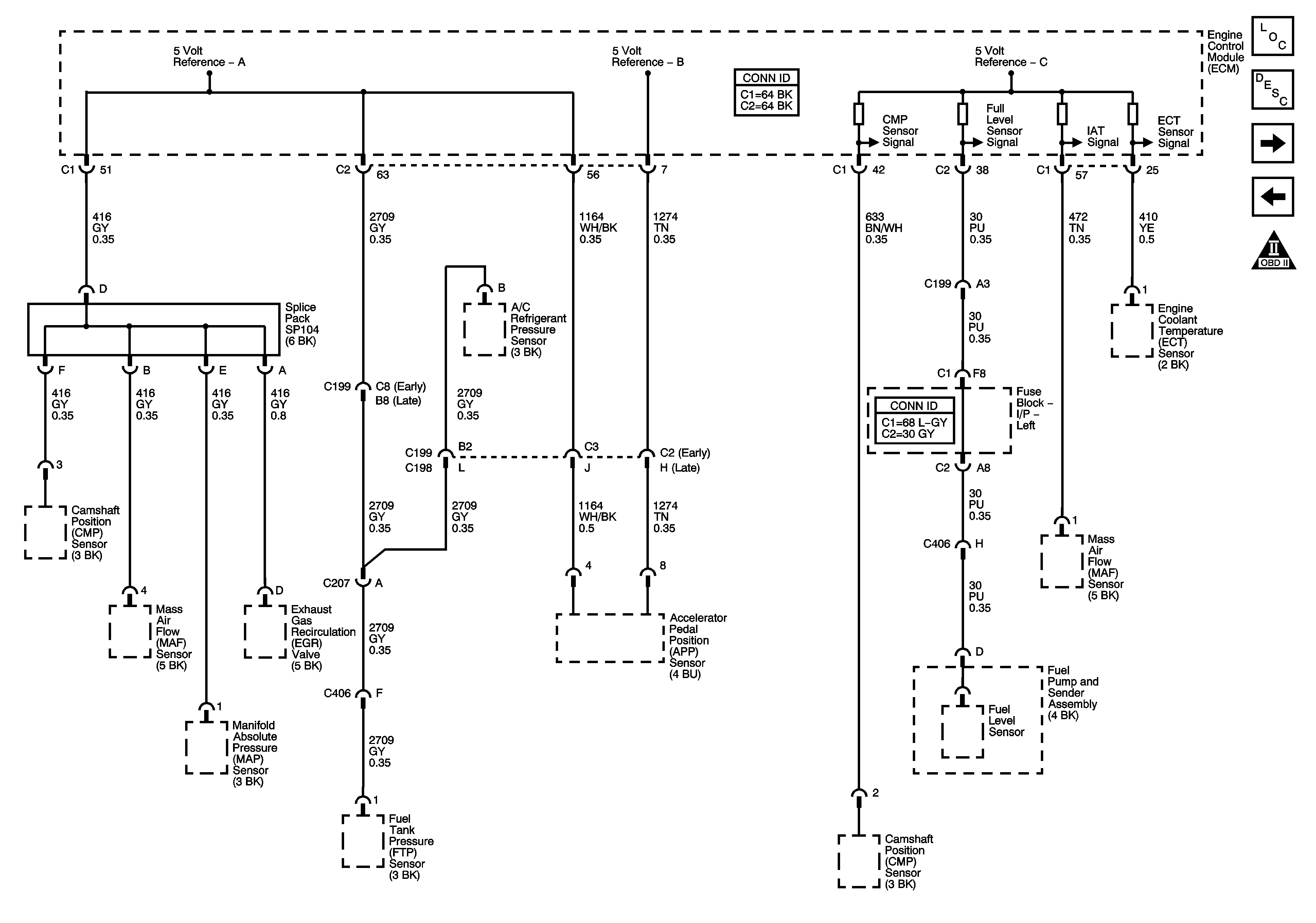
Engine Data Sensors- 5 Volt References
OBD II Symbol Description Notice
Fuse Block-Underhood : BCM/ECM/Cruise/ABS, Cruise Switch, IGN1 and Backup/Turn
Fuse Block-Underhood : BCM/ECM/Cruise/ABS, Cruise Switch, IGN1 and Backup/Turn
Fuse Block-Underhood Bus
Fuse Block-Underhood : BCM/ECM/Cruise/ABS, Cruise Switch, IGN1 and Backup/Turn
Power, Ground, and Indicators
3.0L
Figure 2:

Engine Data Sensors - 5 Volt References


Object Number: 1175240  Size: FS
Master Electrical Component List
Engine Control Module Description
Engine Data Sensors- Low References
ECM Power, Ground, Serial Data, and MIL
OBD II Symbol Description Notice
Figure 3:

Engine Data Sensors - Low References


Object Number: 1175420  Size: FS
Master Electrical Component List
Engine Control Module Description
Engine Data Sensors- Pressure, Temp, VSS w/o ABS
Engine Data Sensors- 5 Volt References
OBD II Symbol Description Notice
Figure 4:

Engine Data Sensors - Pressure, Temperature, VSS w/ ABS


Object Number: 1175843  Size: FS
Master Electrical Component List
Air Intake System Description
Engine Data Sensors- Pressure, Temp, VSS- w/o ABS
Engine Data Sensors- Low References
OBD II Symbol Description Notice
Fuse Block-Underhood : AC, Fuel Pump, ENG Control1, ENG Control2 and ENG Control3
Stop Lamps
Fuse Block-Underhood : Cooling Fan2, Cooling Fan1, ABS1, ABS2, Park Lamp, Hazard, Brake and Controls B+
Engine Data Sensors- 5 Volt References
Wheel Speed Sensors
Stop Lamps
Engine Data Sensors- Low References
Figure 5:

Engine Data Sensors - Pressure, Temperature, VSS w/o ABS


Object Number: 1210361  Size: FS
Master Electrical Component List
Air Intake System Description
Engine Data Sensors- HO2 Sensors
Engine Data Sensors- Pressure, Temp, VSS w/o ABS
OBD II Symbol Description Notice
Fuse Block-Underhood : AC, Fuel Pump, ENG Control1, ENG Control2 and ENG Control3
Fuse Block-Underhood : AC, Fuel Pump, ENG Control1, ENG Control2 and ENG Control3
Stop Lamps
Fuse Block-Underhood : IGN1/2, IGN0 and IGN0/3/CR - Ignition Switch
Fuse Block-Underhood : Cooling Fan2, Cooling Fan1, ABS1, ABS2, Park Lamp, Hazard, Brake and Controls B+
Stop Lamps
Engine Data Sensors- 5 Volt References
Engine Data Sensors- Low References
G300, G304
G102, G110, G118, G114
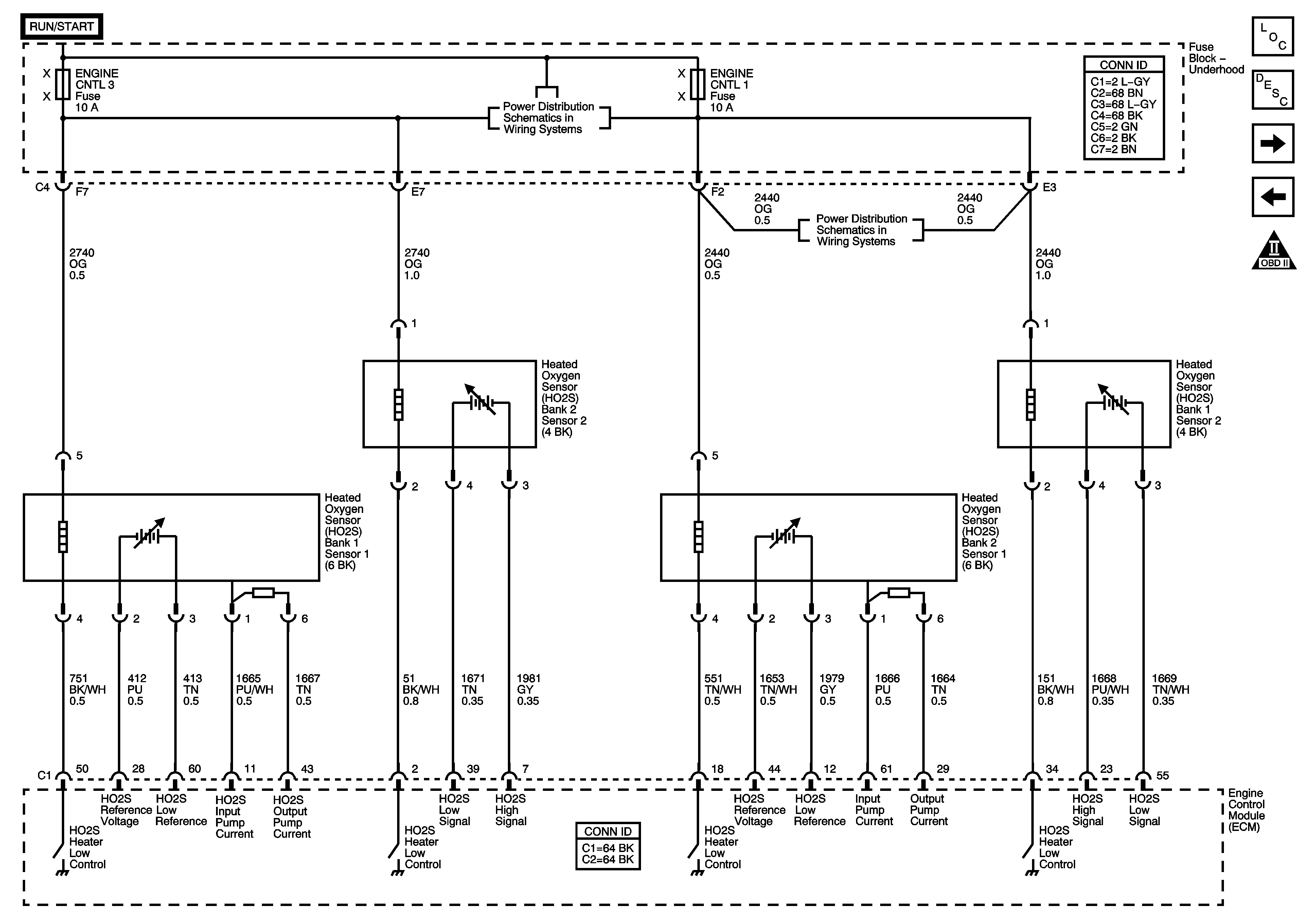
Figure 6:

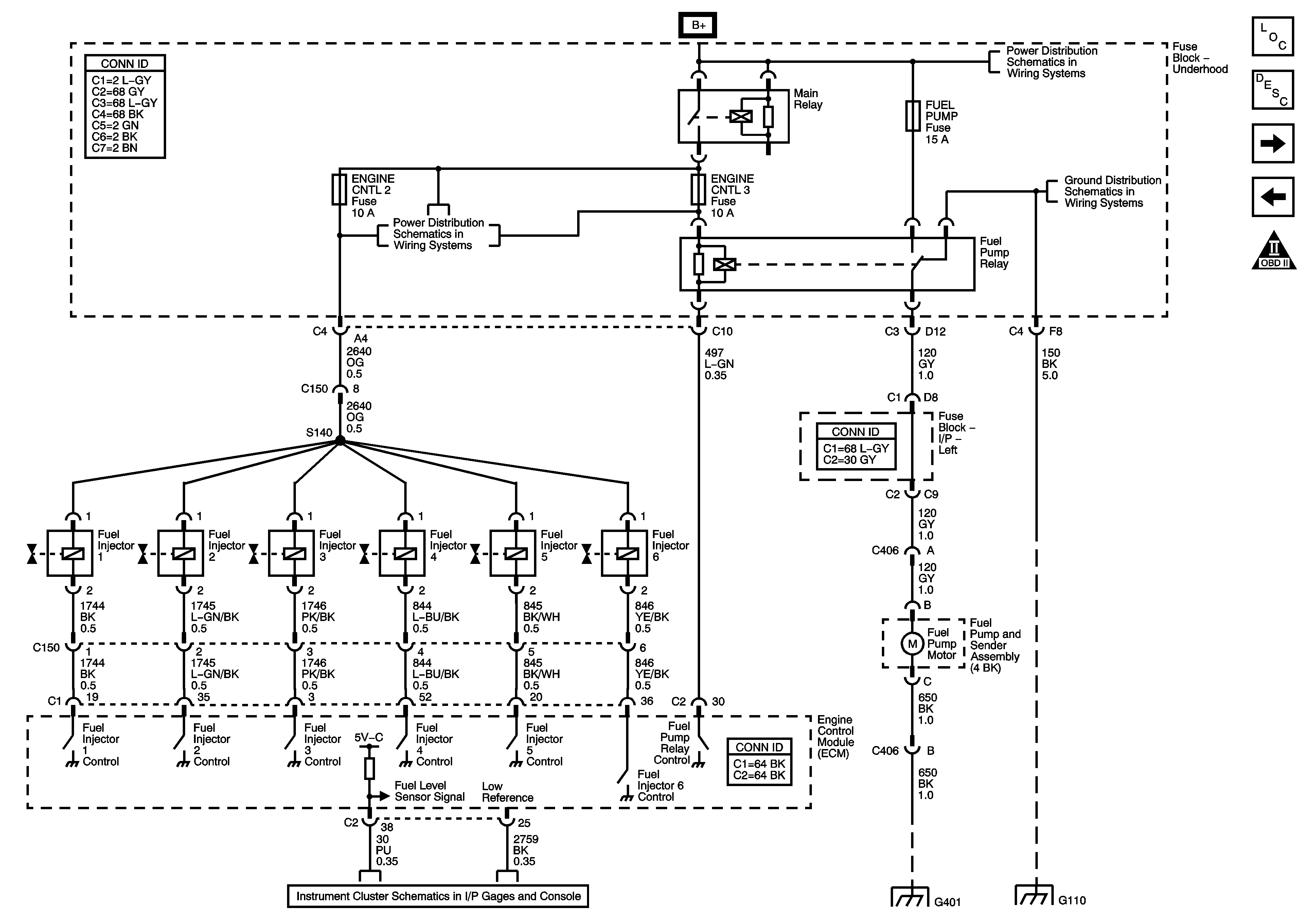
Engine Data Sensors - HO2 Sensors


Object Number: 1175871  Size: FS
Master Electrical Component List
Fuel System Description
Electronic Throttle Control
Engine Data Sensors- Pressure, Temp, VSS- w/o ABS
OBD II Symbol Description Notice
Fuse Block-Underhood : AC, Fuel Pump, ENG Control1, ENG Control2 and ENG Control3
Fuse Block-Underhood : AC, Fuel Pump, ENG Control1, ENG Control2 and ENG Control3
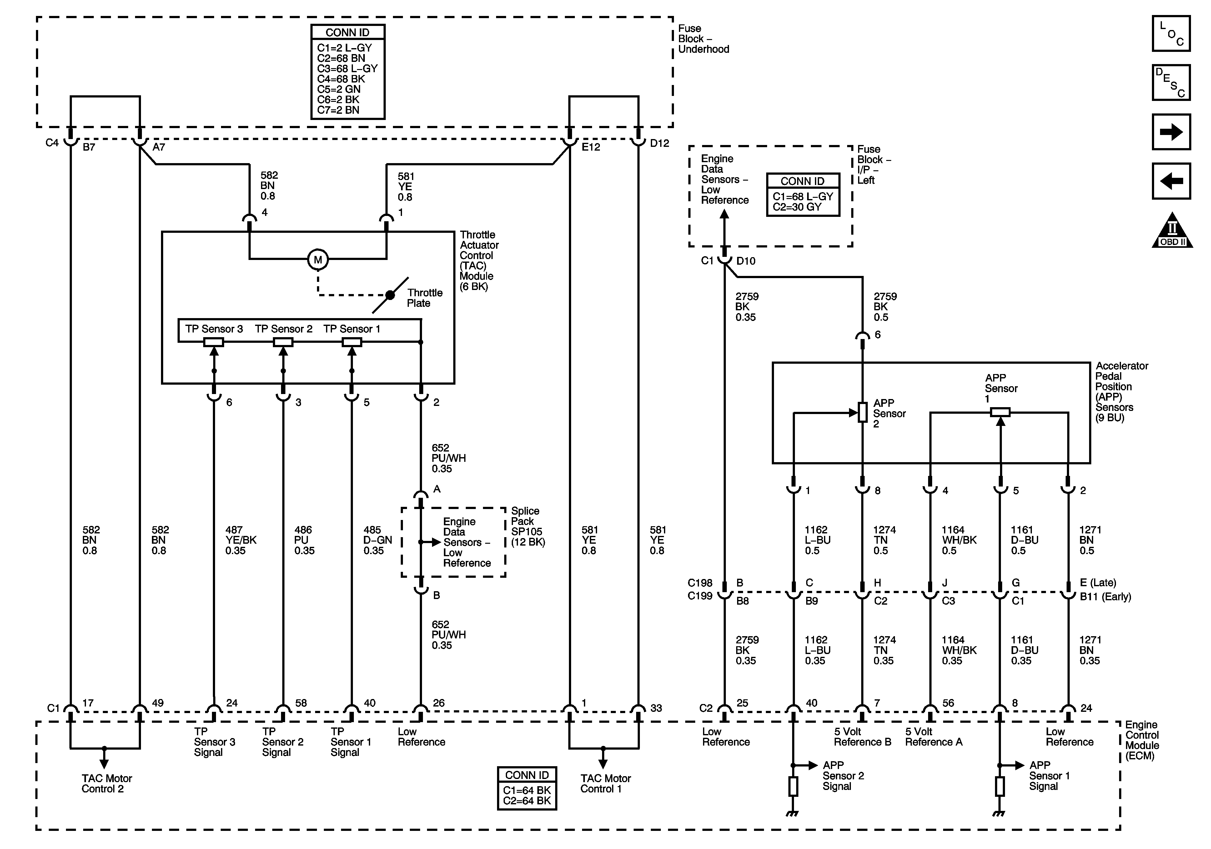
Figure 7:

Electronic Throttle Controls


Object Number: 1175945  Size: FS
Master Electrical Component List
Throttle Actuator Control (TAC) System Description
Ignition System
Engine Data Sensors- HO2 Sensors
OBD II Symbol Description Notice
Engine Data Sensors- Low References
Engine Data Sensors- Low References
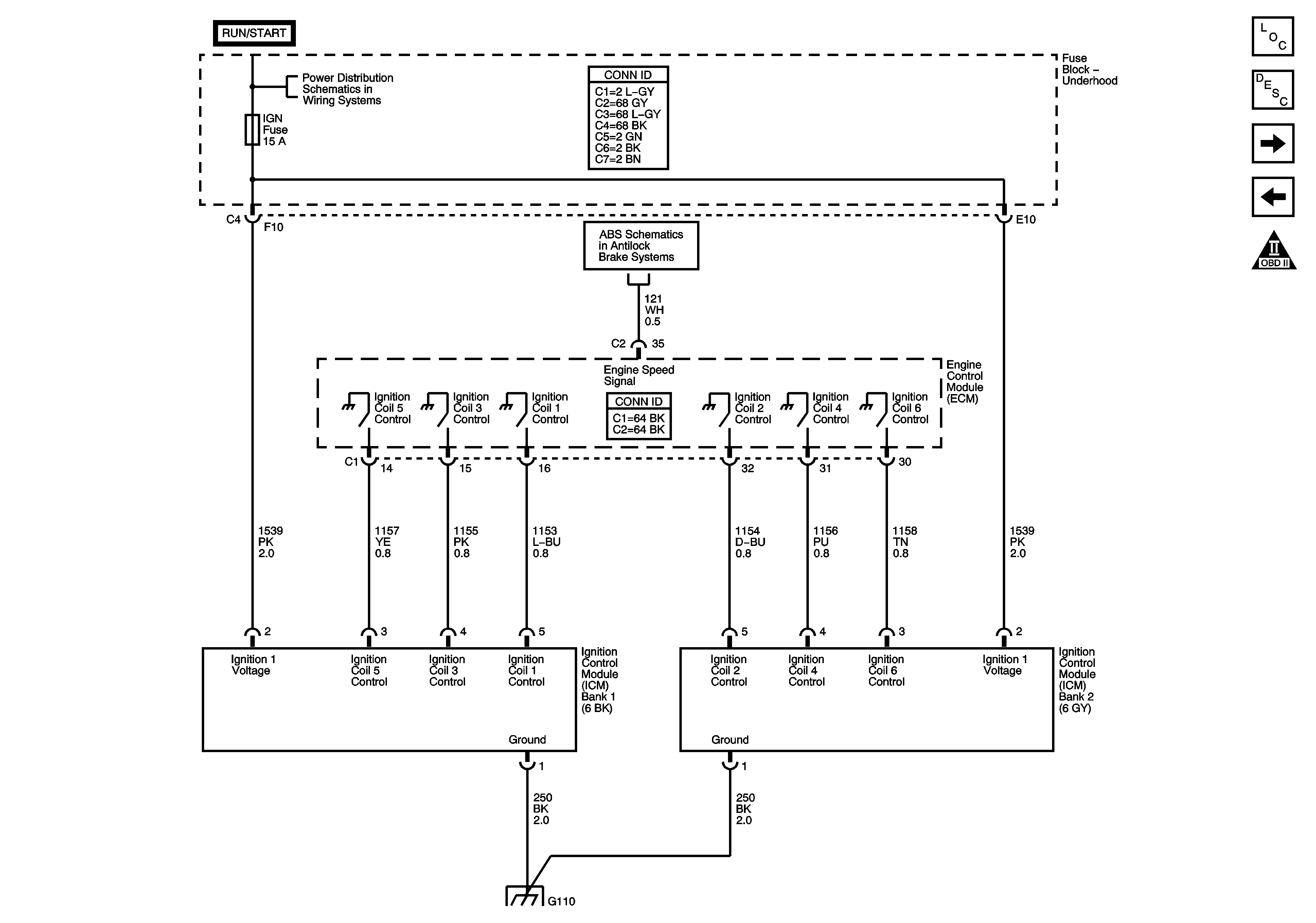
Figure 8:

Ignition System


Object Number: 1176066  Size: FS
Master Electrical Component List
Electronic Ignition (EI) System Description
Ignition Control Sensors
Electronic Throttle Control
OBD II Symbol Description Notice
Fuse Block-Underhood : Injector, Controls IGN1, EIS and IGN
Wheel Speed Sensors
G102, G110, G118, G114
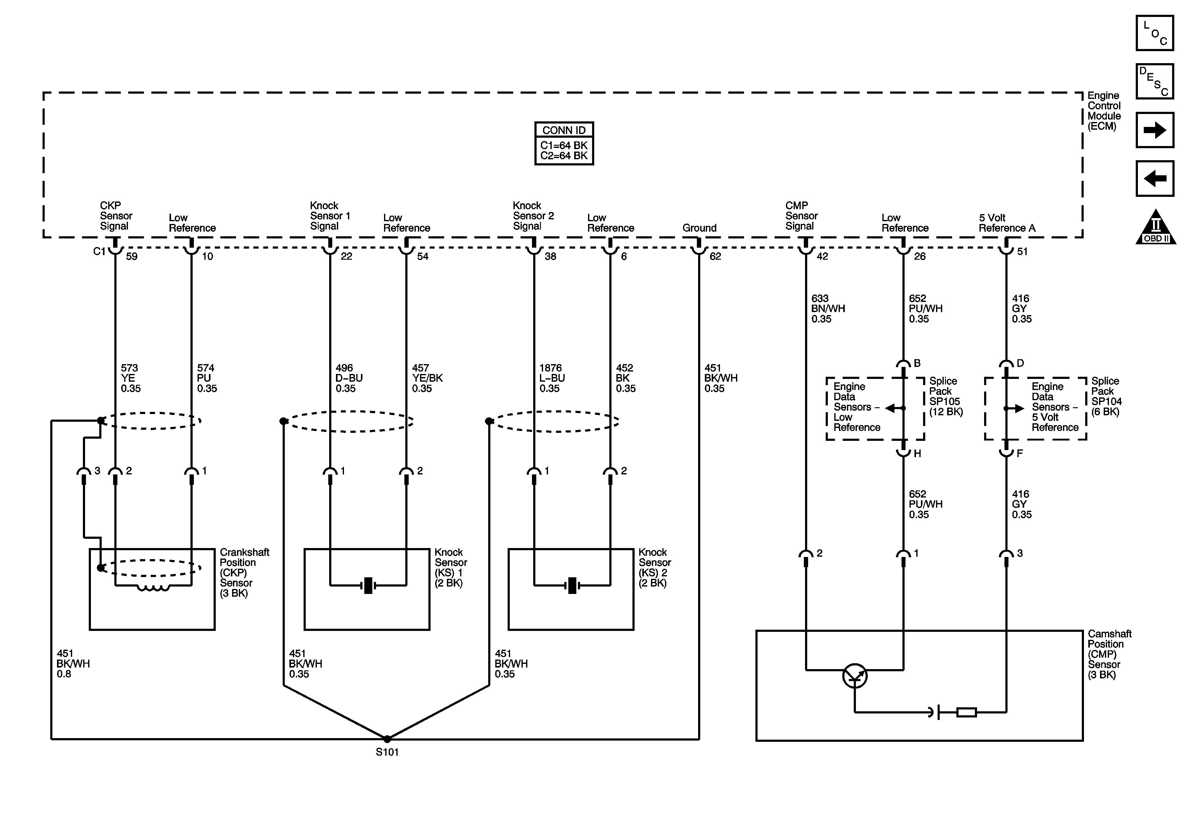
Figure 9:

Ignition Control Sensors


Object Number: 1176100  Size: FS
Master Electrical Component List
Knock Sensor (KS) System Description
Fuel System
Ignition System
OBD II Symbol Description Notice
Engine Data Sensors- Low References
Engine Data Sensors- 5 Volt References
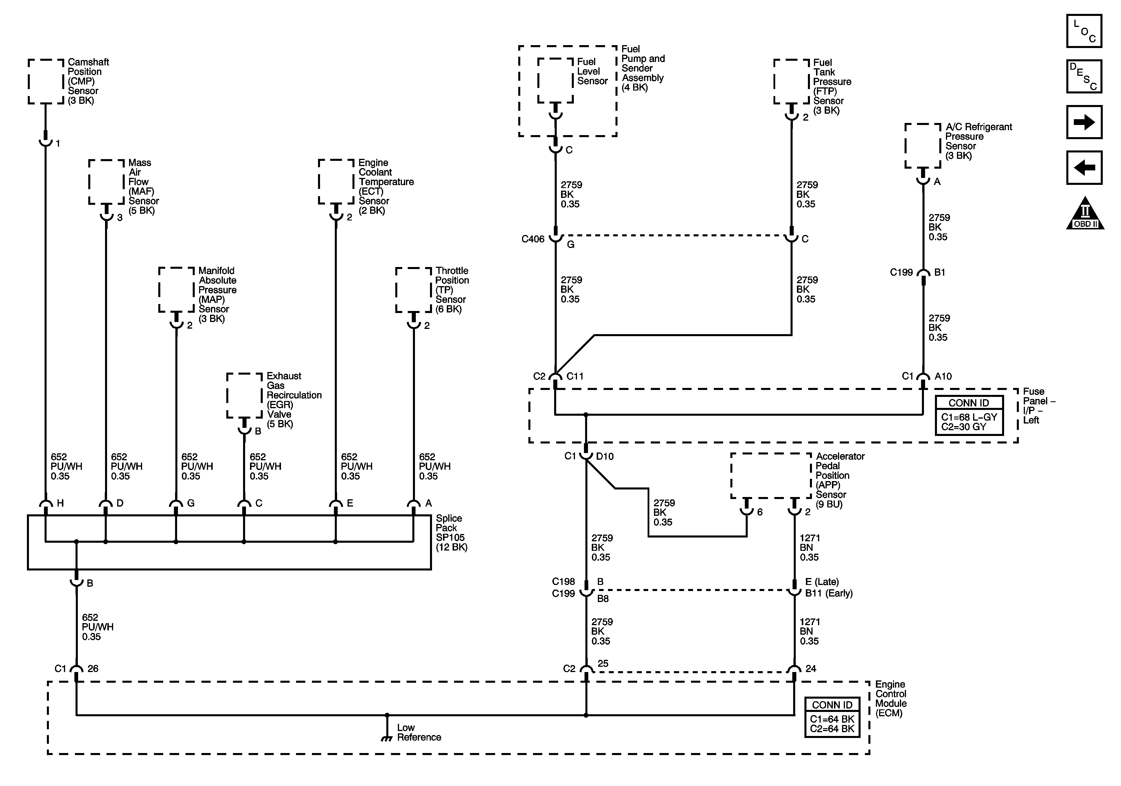
Figure 10:

Fuel System


Object Number: 1176135  Size: FS
Master Electrical Component List
Fuel System Description
EGR and EVAP
Ignition Control Sensors
OBD II Symbol Description Notice
Fuse Block-Underhood Bus
Fuse Block-Underhood : AC, Fuel Pump, ENG Control1, ENG Control2 and ENG Control3
G102, G110, G118, G114
Gages
G305, G401, G399 and G400
G102, G110, G118, G114
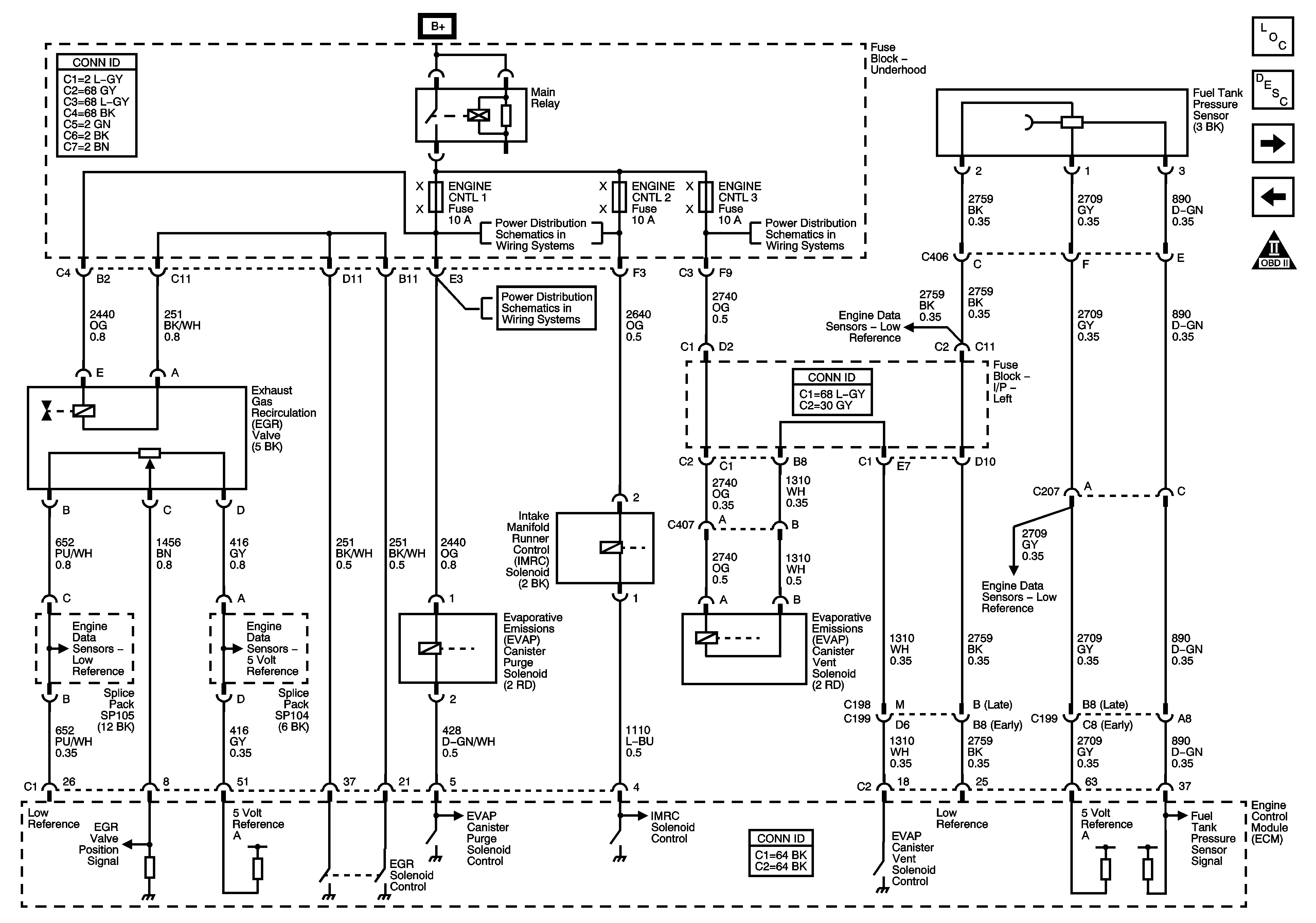
Figure 11:

EGR and EVAP Controls


Object Number: 1177278  Size: FS
Master Electrical Component List
Evaporative Emission Control System Description
Controlled/Monitored Subsystem References
Fuel System
OBD II Symbol Description Notice
Fuse Block-Underhood : AC, Fuel Pump, ENG Control1, ENG Control2 and ENG Control3
Fuse Block-Underhood : AC, Fuel Pump, ENG Control1, ENG Control2 and ENG Control3
Fuse Block-Underhood : AC, Fuel Pump, ENG Control1, ENG Control2 and ENG Control3
Engine Data Sensors- Low References
Engine Data Sensors- Low References
Engine Data Sensors- 5 Volt References
Figure 12:

Controlled/Monitored Subsystem References


Object Number: 1177279  Size: FS
Master Electrical Component List
Engine Control Module Description
EGR and EVAP
OBD II Symbol Description Notice
A/C Compressor Controls- 3.0L
A/C Compressor Controls- 3.0L
Wheel Speed Sensors
Charging System
Power, Ground, and Indicators
Engine Cooling Schematics
Cruise Control Schematics- 2.2L