GM Service Manual Online
For 1990-2009 cars only

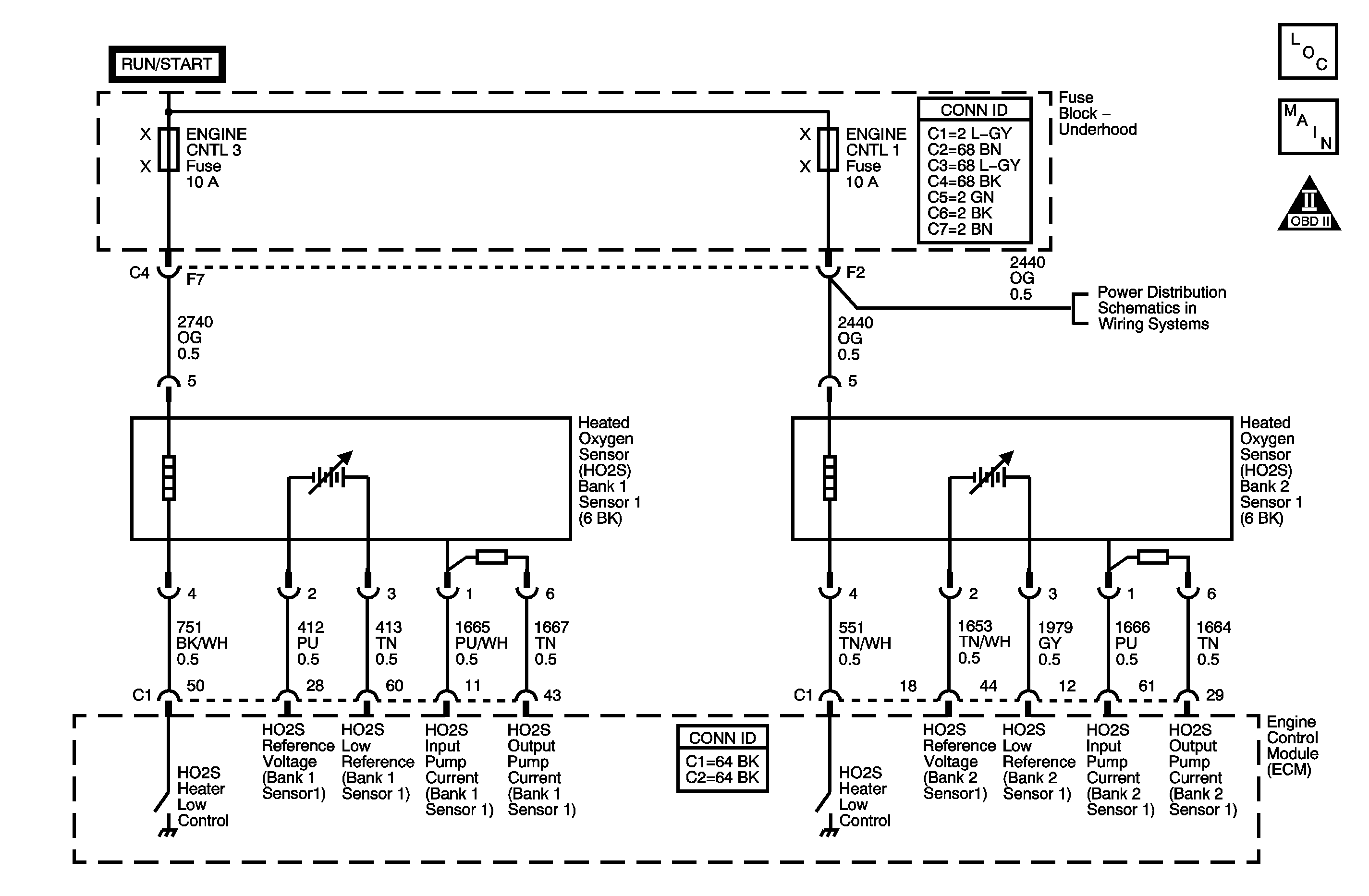
Object Number: 1247850  Size: MF
Engine Controls Component Views
Engine Controls Schematics

Circuit Description

The wide band heated oxygen sensor (HO2S) measures the amount of oxygen in the exhaust stream more quickly and accurately than the switching style HO2S. The wide band sensor consists of an oxygen sensing cell, an oxygen pumping cell, and a heater. The exhaust gas sample passes through a diffusion gap between the sensing cell and the pumping cell. The engine control module (ECM) supplies a signal voltage to the HO2S and uses this voltage as a reference to the amount of oxygen in the exhaust system. An electronic circuit within the ECM controls the pump current through the oxygen pumping cell in order to maintain a constant signal voltage. The ECM monitors the voltage variation on the signal circuit and attempts to keep the voltage constant by increasing or decreasing the amount of current flow, or reversing the direction of the current flow to the pumping cell. By measuring the direction and amount of current required to maintain the signal voltage, the ECM can determine the concentration of oxygen in the exhaust. The signal voltage is displayed as a lambda value. A lambda value of 1 is equal to a stoichiometric air fuel ratio of 14.7:1. Under normal operating conditions, the lambda value will remain around 1. When the system is lean, the oxygen level will be high and the lambda signal will be high or more than 1. When the system is rich, the oxygen level is low and the lambda signal will be low, or less than 1. The ECM uses this information to maintain the proper air/fuel ratio. If the ECM detects a slow or unresponsive HO2S, DTC P0131 will set for bank 1 sensor 1, or DTC P0151 will set for bank 2 sensor 1.

Conditions for Running the DTC

    • DTCs P0171, P0172, P0174, P0175, P0301-P0306, P0313, P0442, P0443, P0446, P0449, P0451, P0452, P0453, P0455, P0458, P0459, P0496, P0498, P0499 are not set.
    • The Engine Speed parameter is between 1,400-2,520 RPM.
    • The engine load is between 23-45 percent.
    • The HO2S lambda parameter is between 0.960-1.040.
    • The loop status bank 1 sensor 1 or bank 2 sensor 2 is closed.

Conditions for Setting the DTC

The ECM detects that the lean-to-rich and rich-to-lean transition times of the HO2S are becoming too long.

Action Taken When the DTC Sets

    • The control module illuminates the malfunction indicator lamp (MIL) on the second consecutive ignition cycle that the diagnostic runs and fails.
    • The control module records the operating conditions at the time the diagnostic fails. The first time the diagnostic fails, the control module stores this information in the Failure Records. If the diagnostic reports a failure on the second consecutive ignition cycle, the control module records the operating conditions at the time of the failure. The control module writes the operating conditions to the Freeze Frame and updates the Failure Records.

Conditions for Clearing the MIL/DTC

    • The control module turns OFF the malfunction indicator lamp (MIL) after 3 consecutive ignition cycles that the diagnostic runs and does not fail.
    • A current DTC, Last Test Failed, clears when the diagnostic runs and passes.
    • A history DTC clears after 40 consecutive warm-up cycles, if no failures are reported by this or any other emission related diagnostic.
    • Clear the MIL and the DTC with a scan tool.

Step

Action

Values

Yes

No

Schematic Reference: Engine Controls Schematics

Connector End View Reference: Engine Controls Connector End Views or Engine Control Module Connector End Views

1

Did you perform the Diagnostic System Check-Engine Controls?

--

Go to Step 2

Go to Diagnostic System Check - Engine Controls

2

Important: If any other DTCs are set except for heated oxygen sensor (HO2S) DTCs, refer to the other DTCs first before proceeding with this table.

Important: During idle or steady throttle conditions a normal lambda value will be very close to 1.000.

  1. Start the engine.
  2. Allow the engine to reach operating temperature. Refer to Scan Tool Data List .
  3. Operate the engine at 2,000 RPM for 1 minute.
  4. Observe the affected HO2S lambda value.

Is the HO2S lambda value varying within the specified range?

0.900-1.100

Go to Step 3

Go to Step 4

3

  1. Observe the Freeze Frame/Failure Records for this DTC.
  2. Turn OFF the ignition for 90 seconds.
  3. Start the engine.
  4. Operate the vehicle within the Conditions for Running the DTC. You may also operate the vehicle within the conditions that you observed from the Freeze Frame/Failure Records.

Did the DTC fail this ignition?

--

Go to Step 4

Go to Intermittent Conditions

4

  1. Inspect the exhaust system for any leaks upstream from the affected oxygen sensor.
  2. Inspect for any exhaust leaks between sensor 1 and sensor 2.
  3. Repair the exhaust leak as necessary. Refer to Exhaust Leakage in Engine Exhaust.

Did you find and correct the condition?

--

Go to Step 29

Go to Step 5

5

  1. Turn OFF the ignition.
  2. Visually/physically inspect the following items:
  3. • Ensure that the HO2S is securely installed.
    • Disconnect the connector for the HO2S that applies to this DTC.
    • Inspect for terminal corrosion or water intrusion.
    • Inspect the terminal tension at the HO2S connectors.
    • inspect for damaged wiring.
  4. Repair as necessary. Refer to Wiring Repairs and Connector Repairs in Wiring Systems.

Did you find and correct the condition?

--

Go to Step 29

Go to Step 6

6

  1. Turn ON the ignition, with the engine OFF.
  2. Measure the voltage from the HO2S output pump current circuit, on the engine harness side, to a good ground with a DMM. Refer to Circuit Testing in Wiring Systems.

Is the voltage within the specified range?

4.8-5.1 V

Go to Step 14

Go to Step 7

7

Is the voltage within the specified range?

290-360 mV

Go to Step 8

Go to Step 12

8

Measure the voltage from the HO2S reference voltage circuit, on the engine harness side, to a good ground with a DMM. Refer to Circuit Testing in Wiring Systems.

Is the voltage within the specified range?

2.8-3.1 V

Go to Step 9

Go to Step 11

9

Connect a 3-amp fused jumper wire between the HO2S input pump current circuit, on the engine harness side, and a good ground.

Is the lambda value more than the specified value?

3.900

Go to Step 10

Go to Step 16

10

  1. Remove the jumper wire from the previous step.
  2. Connect a 3-amp fused jumper wire between the HO2S low reference circuit, on the engine harness side, and a good ground.

Is the lambda value more than the specified value?

2.000

Go to Step 26

Go to Step 16

11

Is the voltage more than the specified value?

3.1 V

Go to Step 17

Go to Step 18

12

Is the voltage more than the specified value?

390 mV

Go to Step 19

Go to Step 13

13

Measure the voltage from the HO2S input pump current circuit, on the engine harness side, to a good ground with a DMM. Refer to Circuit Testing in Wiring Systems.

Is the voltage more than the specified value?

300 mV

Go to Step 20

Go to Step 21

14

Measure the voltage from the HO2S reference voltage circuit, on the engine harness side, to a good ground with a DMM. Refer to Circuit Testing in Wiring Systems.

Is the voltage more than the specified value?

450 mV

Go to Step 15

Go to Step 24

15

Measure the voltage from the HO2S low reference circuit, on the engine harness side, to a good ground with a DMM. Refer to Circuit Testing in Wiring Systems.

Is the voltage more than the specified value?

2.7 V

Go to Step 22

Go to Step 23

16

Test the circuit from the previous step for the following conditions:

    • An open
    • High resistance
        Refer to Circuit Testing and Wiring Repairs in Wiring Systems.

Did you find and correct the condition?

--

Go to Step 29

Go to Step 25

17

Important: The normal voltage on the reference voltage circuit is 2.8-3.1 volts

Test the HO2S reference voltage circuit for a short to voltage. Refer to Circuit Testing and Wiring Repairs in Wiring Systems.

Did you find and correct the condition?

--

Go to Step 29

Go to Step 25

18

Test the HO2S reference voltage circuit for an open. Refer to Circuit Testing and Wiring Repairs in Wiring Systems.

Did you find and correct the condition?

--

Go to Step 29

Go to Step 25

19

Important: The normal voltage on the input pump current circuit and the output pump current circuit is 330-360 mV

Test the following HO2S circuits for a short to voltage:

    • The input pump current circuit
    • The output pump current circuit
        Refer to Circuit Testing and Wiring Repairs in Wiring Systems.

Did find and correct the condition?

--

Go to Step 29

Go to Step 25

20

Test the HO2S output pump current circuit for an open. Refer to Circuit Testing and Wiring Repairs in Wiring Systems.

Did you find and correct the condition?

--

Go to Step 29

Go to Step 25

21

Test the following HO2S circuits for a short to ground:

    • The input pump current circuit
    • The output pump current circuit
        Refer to Circuit Testing and Wiring Repairs in Wiring Systems.

Did you find and correct the condition?

--

Go to Step 29

Go to Step 25

22

Important: The normal voltage on the low reference circuit is 2.4-2.6 volts

Test the HO2S low reference circuit for a short to voltage. Refer to Circuit Testing and Wiring Repairs in Wiring Systems.

Did you find and correct the condition?

--

Go to Step 29

Go to Step 25

23

Test the HO2S low reference circuit for a short to ground. Refer to Circuit Testing and Wiring Repairs in Wiring Systems.

Did you find and correct the condition?

--

Go to Step 29

Go to Step 25

24

Test the HO2S reference voltage circuit for a short to ground. Refer to Circuit Testing and Wiring Repairs in Wiring Systems.

Did you find and correct the condition?

--

Go to Step 29

Go to Step 25

25

Inspect for shorted terminals and poor connections at the harness connector of the engine control module (ECM). Refer to Testing for Intermittent Conditions and Poor Connections and Connector Repairs in Wiring Systems.

Did you find and correct the condition?

--

Go to Step 29

Go to Step 28

26

  1. The HO2S may be detecting a lean or rich exhaust condition. Inspect for one of the following conditions:
  2. • HO2S connector water intrusion
    • An exhaust leak between the HO2S and the engine--Refer to Exhaust Leakage in Engine Exhaust.
    • Vacuum leaks
    • Incorrect fuel pressure-- Refer to Fuel System Diagnosis .
    • Fuel contamination--Water, even in small amounts, can be delivered to the fuel injectors. The water can cause a lean exhaust to be indicated. Excessive alcohol in the fuel can also cause this condition. Refer to Alcohol/Contaminants-in-Fuel Diagnosis for the proper procedure for inspecting for contaminants.
    • Lean fuel injectors--Refer to Fuel System Diagnosis .
    • An inaccurate mass air flow (MAF) sensor
    • HO2S element contamination
  3. Repair any of the above or similar engine conditions as necessary.

Did you find and correct the condition?

--

Go to Step 29

Go to Step 27

27

Replace the affected HO2S. Refer to Heated Oxygen Sensor Replacement - Bank 1 Sensor 1 or Heated Oxygen Sensor Replacement - Bank 2 Sensor 1 .

Did you complete the replacement?

--

Go to Step 29

--

28

Replace the ECM. Refer to Engine Control Module Replacement .

Did you complete the replacement?

--

Go to Step 29

--

29

  1. Clear the DTCs with a scan tool.
  2. Turn OFF the ignition for 90 seconds.
  3. Start the engine.
  4. Operate the vehicle within the Conditions for Running the DTC. You may also operate the vehicle within the conditions that you observed from the Freeze Frame/Failure Records.

Did the DTC fail this ignition?

--

Go to Step 2

Go to Step 30

30

Observe the Capture Info with a scan tool.

Are there any DTCs that have not been diagnosed?

--

Go to Diagnostic Trouble Code (DTC) List

System OK