GM Service Manual Online
For 1990-2009 cars only
Makes
🢒
Saturn
🢒
2005
🢒
L300/LW300
🢒
Body
🢒
Doors
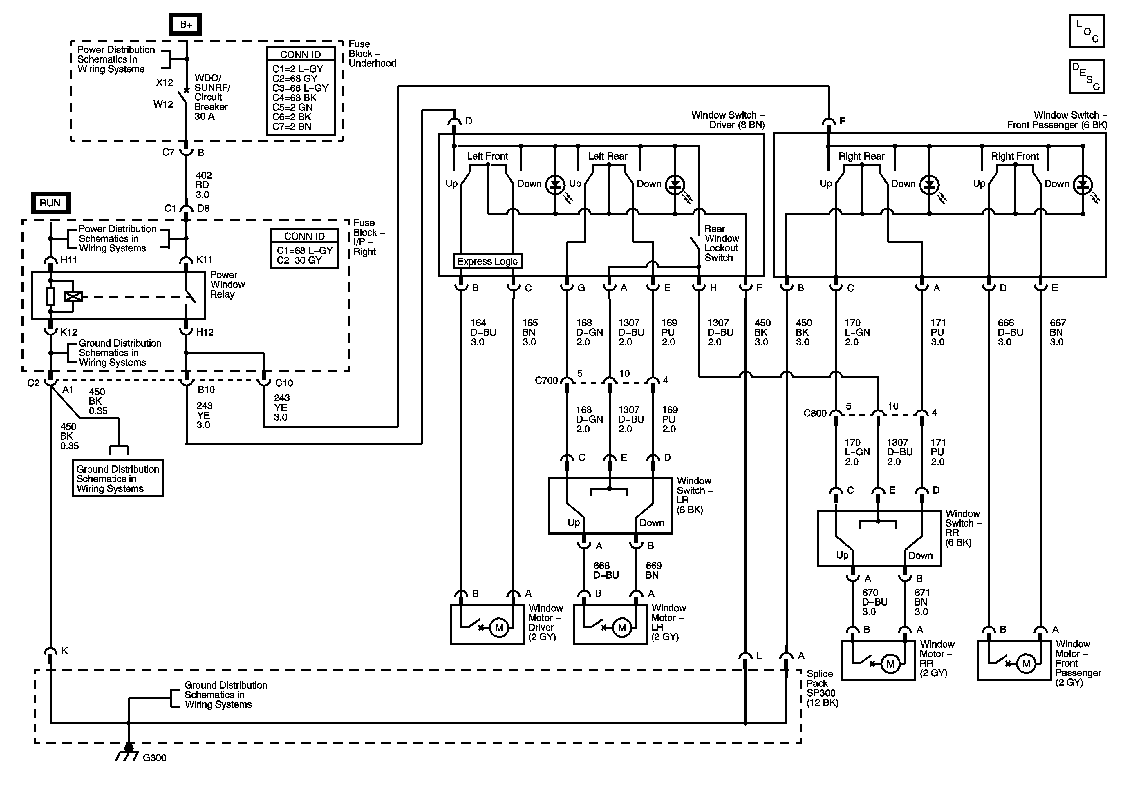
🢒 Power Window Schematics
Master Electrical Component List
Power Windows Description and Operation
AUX POWER, BCM 2, LIGHTER, LT HEADLAMP, and RT HEADLAMP Fuses, and WDO/SUNRF Circuit Breaker
BTSI/BCM/MIRROR, RADIO, RR WIPER, and WIPER Fuses
G300 (2 of 3)
G300 (2 of 3)
G300 (2 of 3)