GM Service Manual Online
For 1990-2009 cars only
Makes
🢒
Saturn
🢒
2005
🢒
L300/LW300
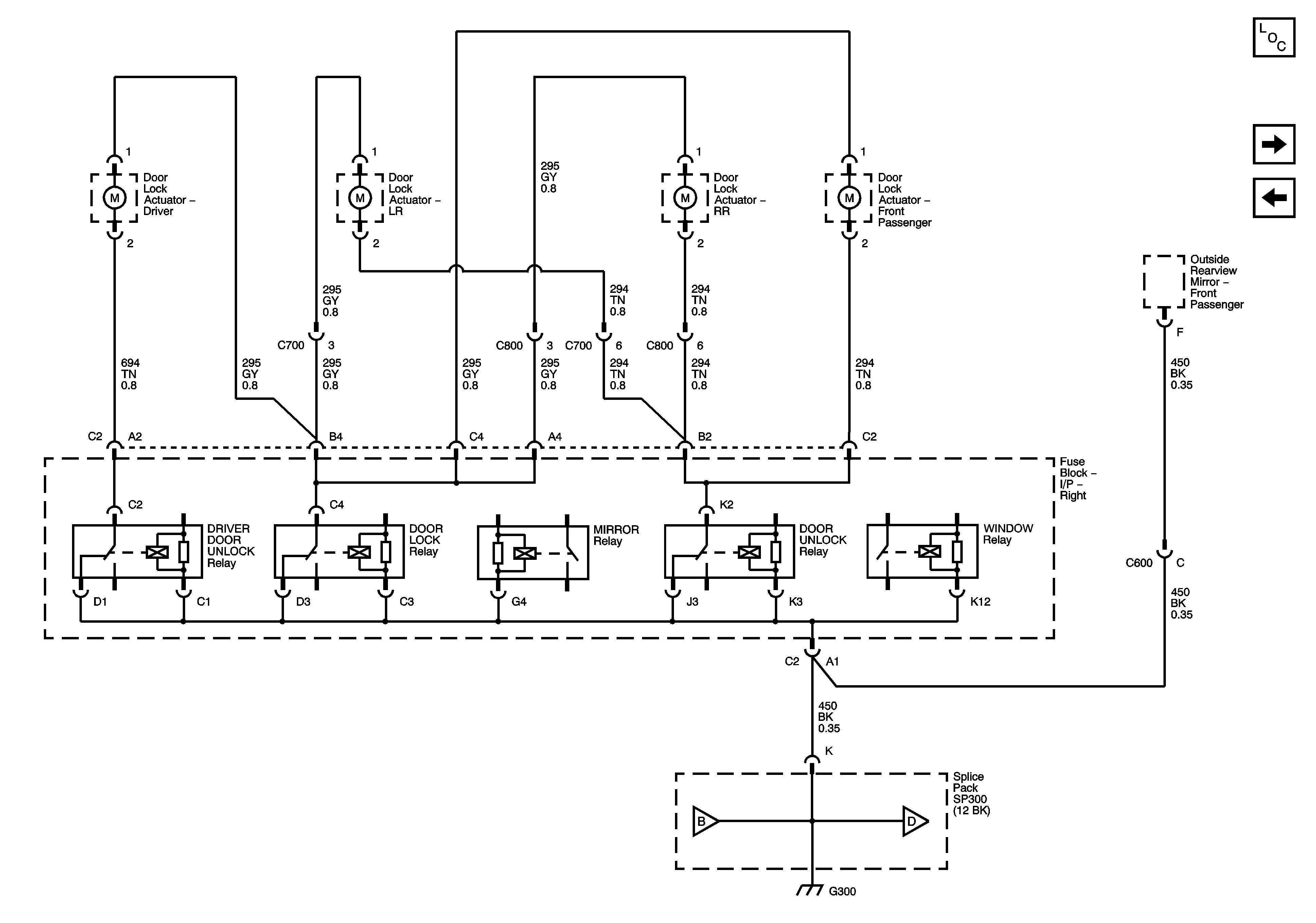
🢒 G300 (2 of 3)
G300 (2 of 3)
G300 2 of 3
Master Electrical Component List
G300 (3 of 3) and G304
G300 (1 of 3)
G300 (1 of 3)
G300 (3 of 3) and G304