GM Service Manual Online
For 1990-2009 cars only
Makes
🢒
Saturn
🢒
2005
🢒
L300/LW300
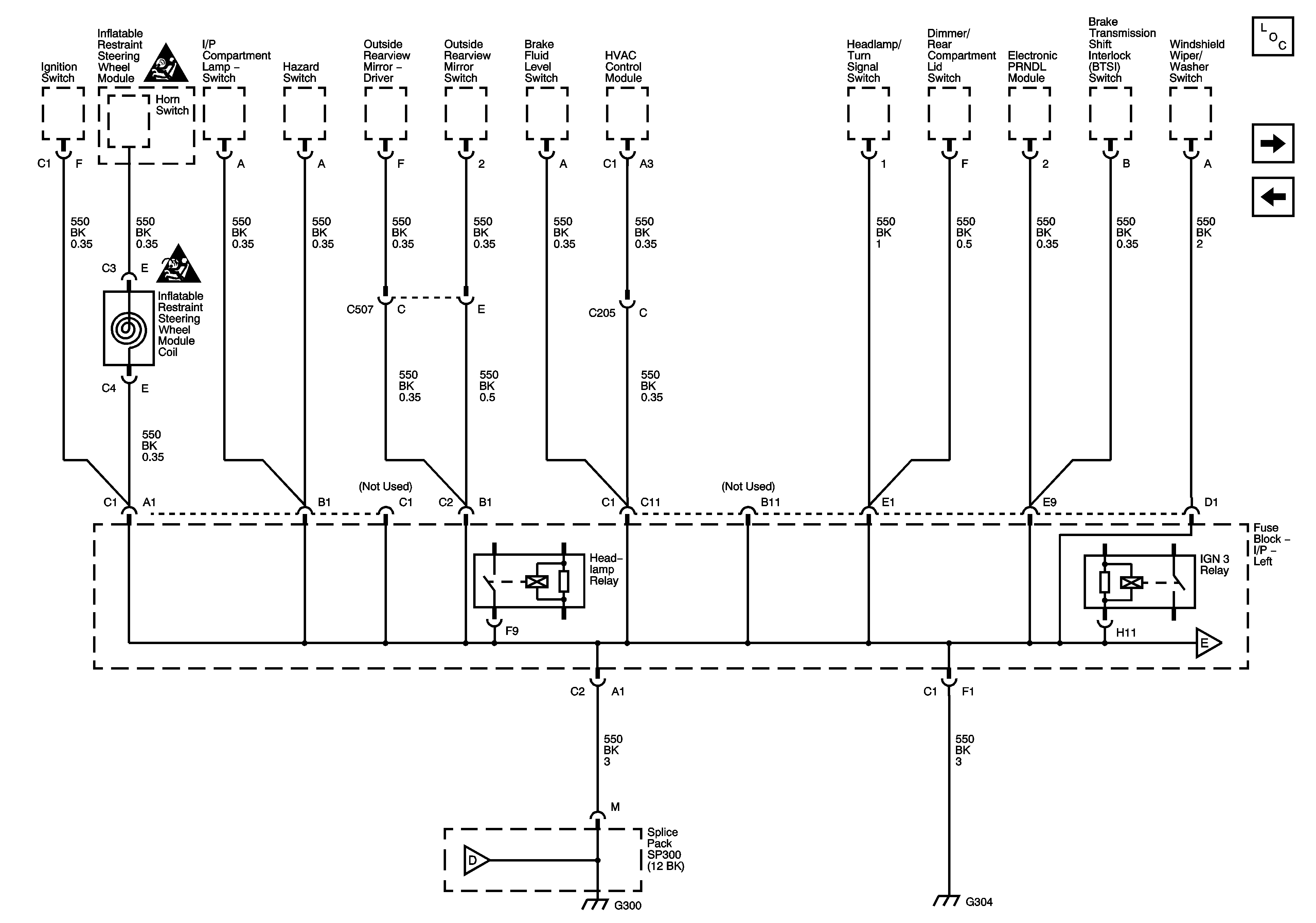
🢒 G300 (3 of 3) and G304
G300 (3 of 3) and G304
G300 3 of 3 and G304
Master Electrical Component List
G191, G202, and G303
G300 (2 of 3)
G300 (2 of 3)
G191, G202, and G303
SIR Caution for Zoning
SIR Caution for Zoning