GM Service Manual Online
For 1990-2009 cars only
Makes
🢒
Saturn
🢒
2005
🢒
L300/LW300
🢒
Body
🢒
Wiring Systems
🢒 Door Lock/Indicator Schematics
Figure
1:
Door Lock Switches and Door Jamb Switches
Master Electrical Component List
Power Door Locks Description and Operation
Door Lock Actuators
Fuse Block - Underhood Bus
BODY, FOG LAMP, IP BATT RT, LOCKS, POWER SEAT, and PREM AUDIO Fuses
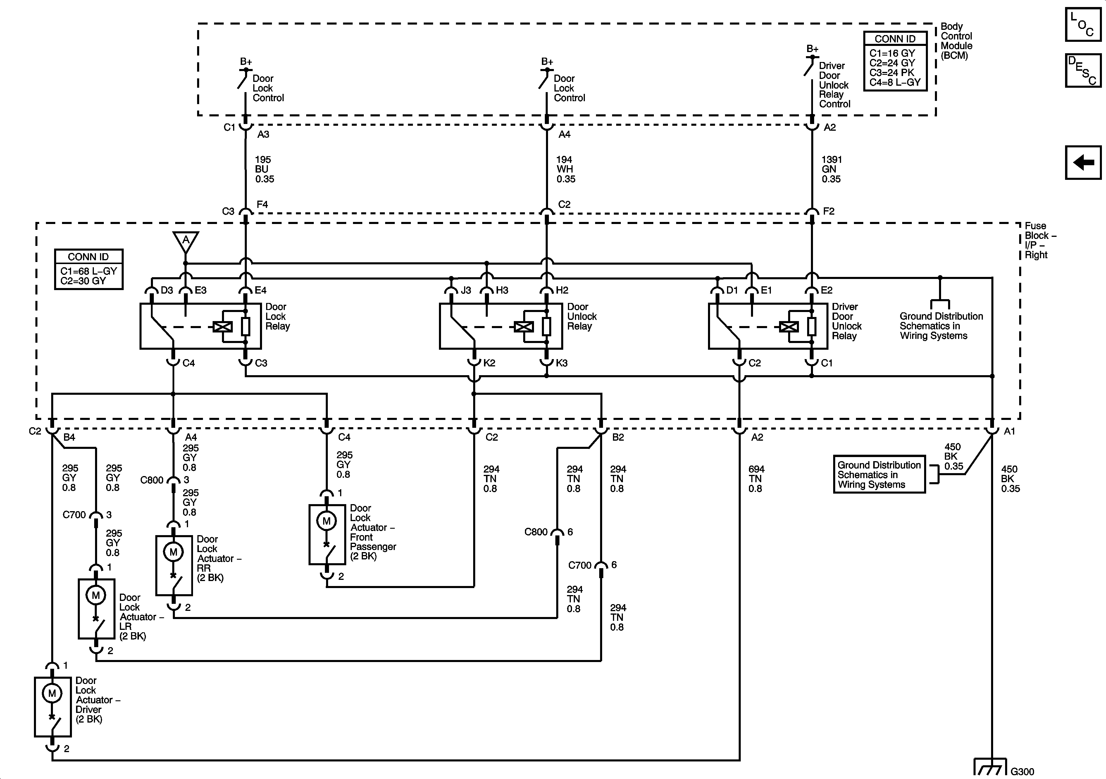
Door Lock Actuators
Figure
2:
Door Lock Actuators
Master Electrical Component List
Power Door Locks Description and Operation
Door Lock Switches and Door Jamb Switches
Door Lock Switches and Door Jamb Switches
G300 (2 of 3)
G300 (2 of 3)
G300 (2 of 3)