GM Service Manual Online
For 1990-2009 cars only
Makes
🢒
Saturn
🢒
2005
🢒
L300/LW300
🢒
Body
🢒
Wiring Systems
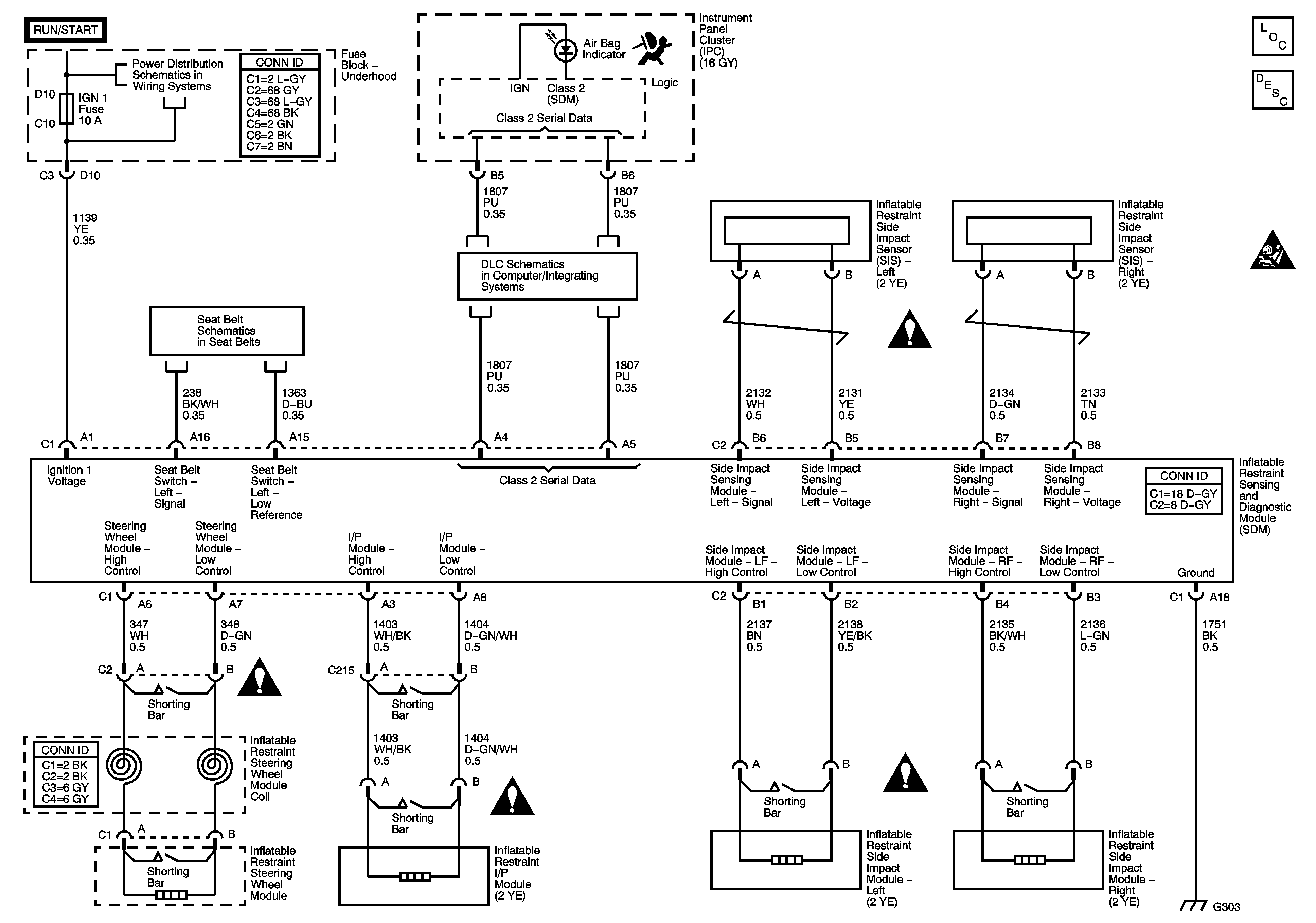
🢒 SIR Schematics
Master Electrical Component List
SIR System Description and Operation
SIR Caution for Zoning
Seat Belt Schematics
Data Link Connector
SIR Schematic Icons
SIR Schematic Icons
SIR Schematic Icons
SIR Schematic Icons