GM Service Manual Online
For 1990-2009 cars only
Makes
🢒
Saturn
🢒
2005
🢒
L300/LW300
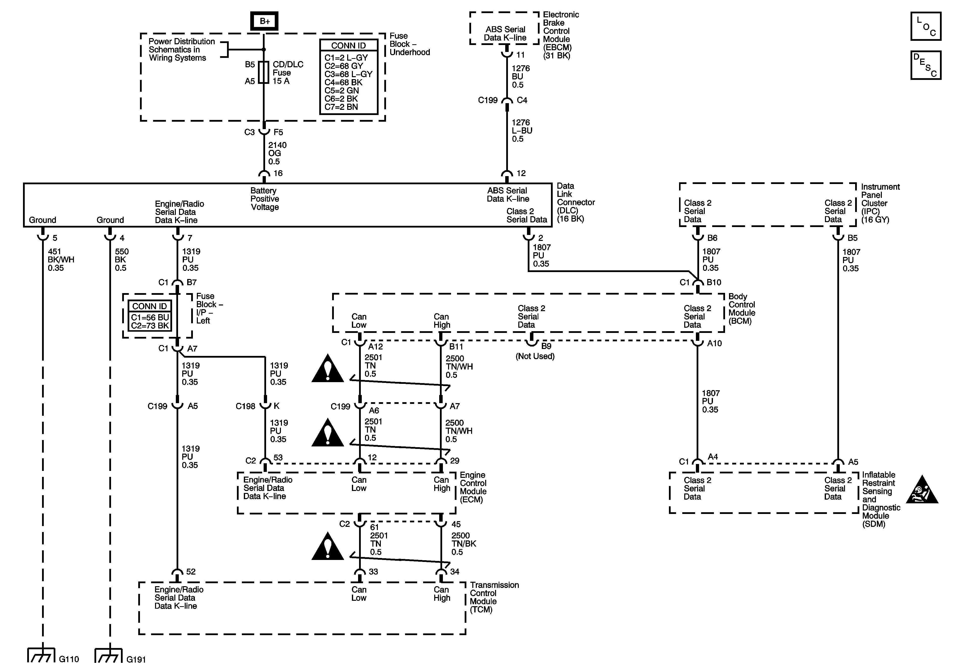
🢒 Data Link Connector
Data Link Connector
Master Electrical Component List
Data Link Communications Description and Operation
Fuse Block - Underhood Bus
Computer/Integrating Systems Schematic Icons
Computer/Integrating Systems Schematic Icons
Computer/Integrating Systems Schematic Icons
SIR Caution for Zoning
G110 (2 of 2) and G102
G191, G202, and G303