GM Service Manual Online
For 1990-2009 cars only
Makes
🢒
Saturn
🢒
2005
🢒
L300/LW300
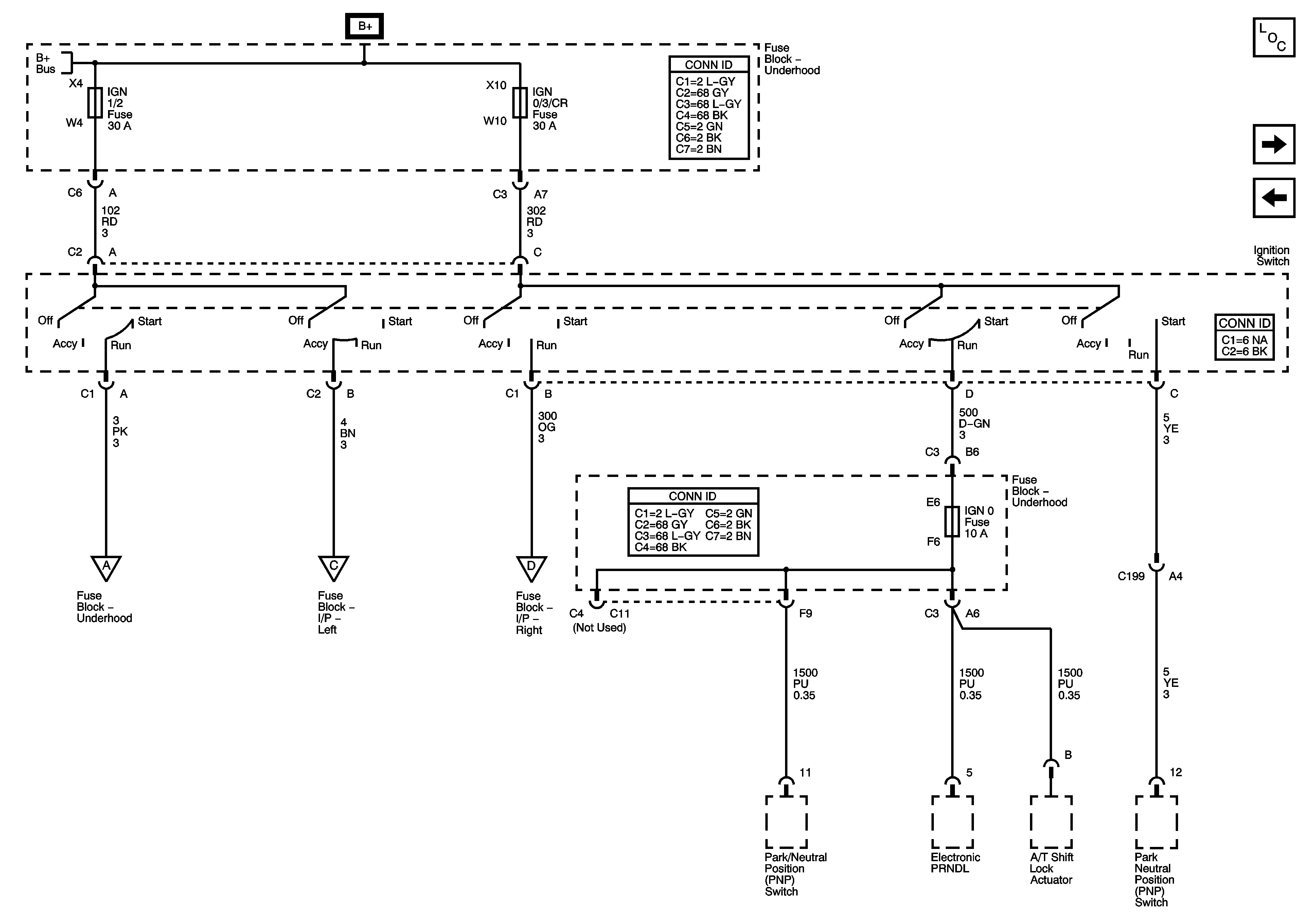
🢒 Ignition Switch and IGN 1/2, IGN 0, and IGN 0/3/CR Fuses
Ignition Switch and IGN 1/2, IGN 0, and IGN 0/3/CR Fuses
Ignition Switch and IGN 1/2, IGN 0, and IGN 0/3/CR Fuses
Master Electrical Component List
BACKUP/TURN, BCM/ECM/CRUISE, CRUISE SW, and IGN 1 Fuses
AUX POWER, BCM 2, LIGHTER, LT HEADLAMP, and RT HEADLAMP Fuses, and WDO/SUNRF Circuit Breaker
Fuse Block - Underhood Bus
BACKUP/TURN, BCM/ECM/CRUISE, CRUISE SW, and IGN 1 Fuses
BTSI/BCM/MIRROR, RADIO, RR WIPER, and WIPER Fuses
HTD SEAT Fuse