GM Service Manual Online
For 1990-2009 cars only
Makes
🢒
Saturn
🢒
2005
🢒
L300/LW300
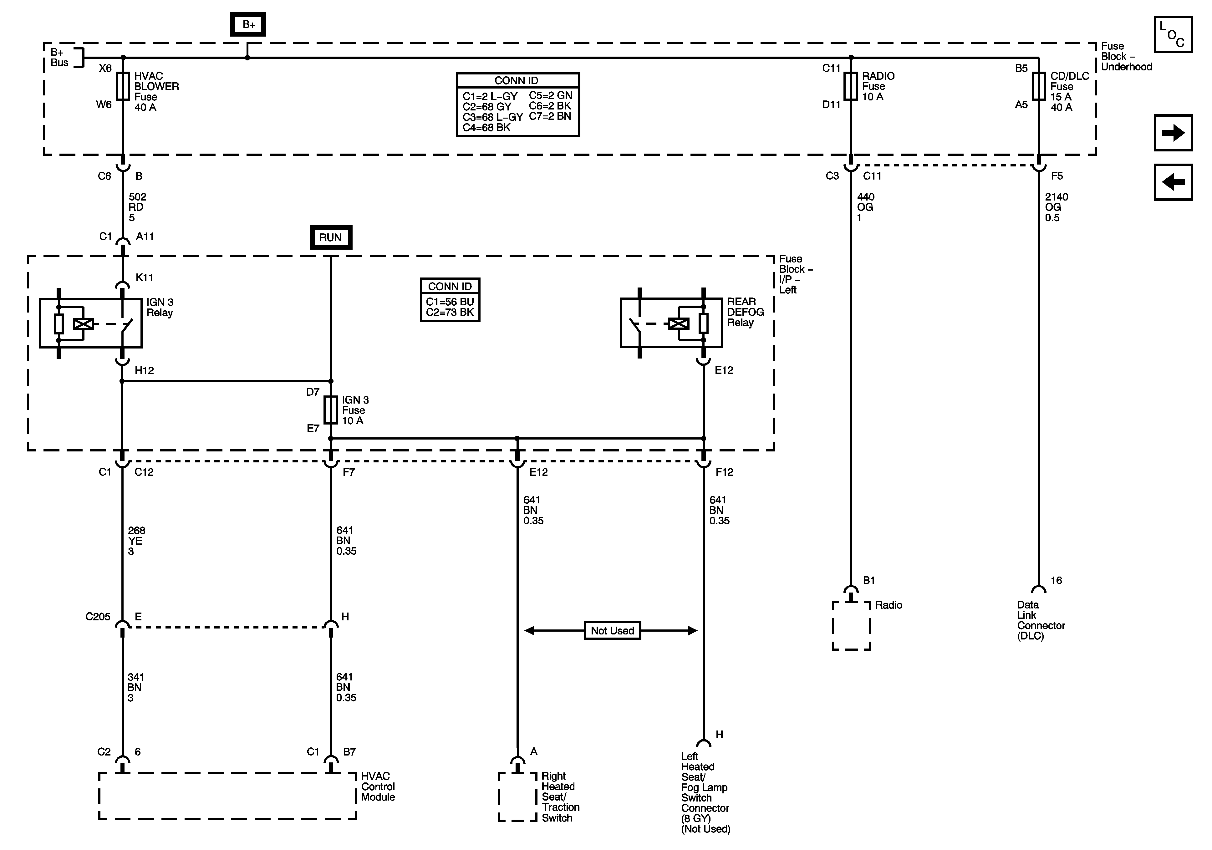
🢒 CD/DLC, HVAC BLOWER, IGN 3, and RADIO/ONSTAR Fuses
CD/DLC, HVAC BLOWER, IGN 3, and RADIO/ONSTAR Fuses
CD/DLC, HVAC BLOWER, IGN 3, and RADIO/ONSTAR Fuses
Master Electrical Component List
BCM CLUSTER, DEFOG LED, and REAR DEFOG Fuses
BODY, FOG LAMP, IP BATT RT, LOCKS, POWER SEAT, and PREM AUDIO Fuses
Fuse Block - Underhood Bus