GM Service Manual Online
For 1990-2009 cars only
Makes
🢒
Saturn
🢒
2005
🢒
L300/LW300
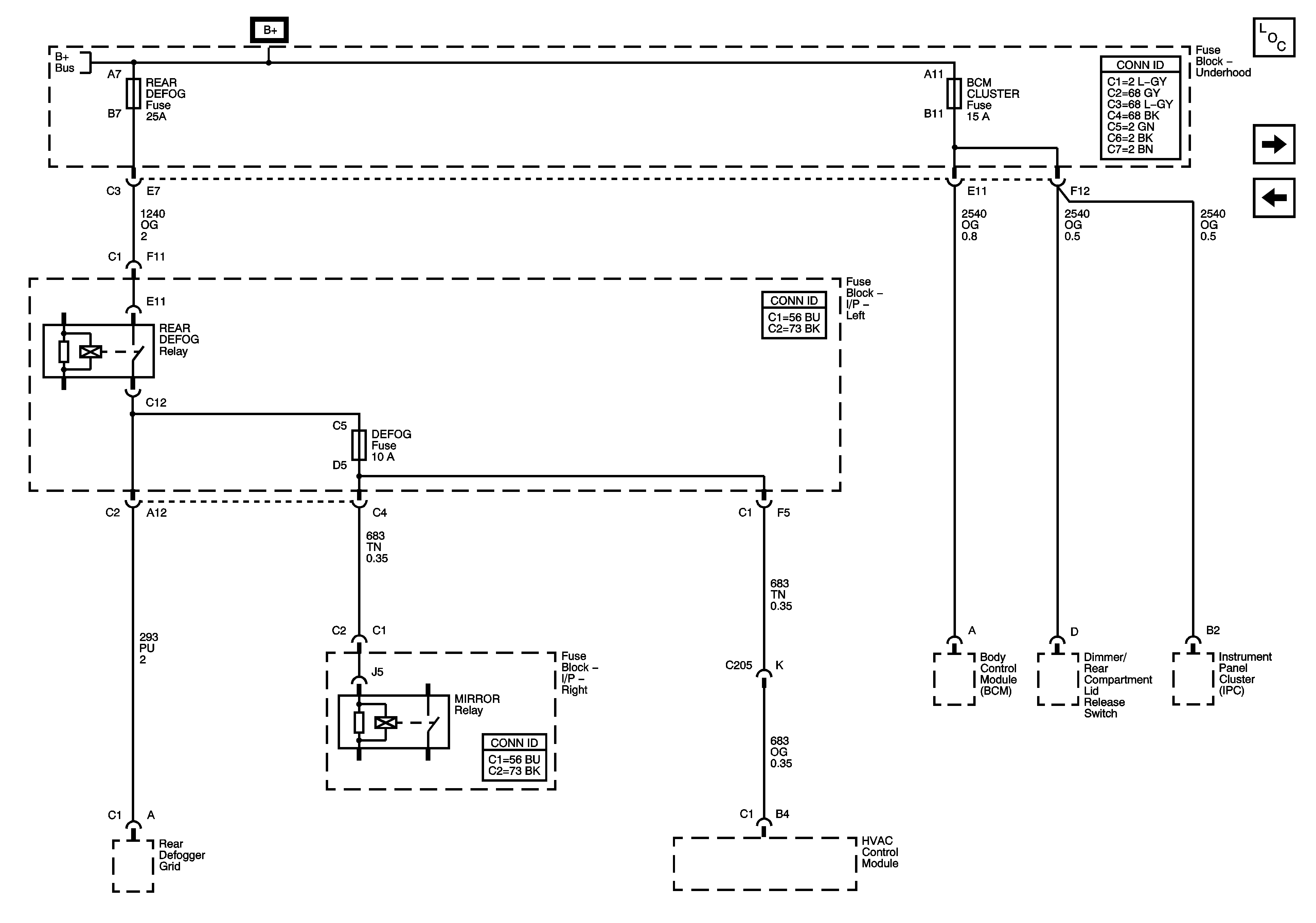
🢒 BCM CLUSTER, DEFOG LED, and REAR DEFOG Fuses
BCM CLUSTER, DEFOG LED, and REAR DEFOG Fuses
BCM CLUSTER, DEFOG LED, and REAR DEFOG Fuses
Master Electrical Component List
AC, ENGINE CNTL 1, ENGINE CNTL 2, and FUEL PUMP Fuses
CD/DLC, HVAC BLOWER, IGN 3, and RADIO/ONSTAR Fuses
Fuse Block - Underhood Bus