GM Service Manual Online
For 1990-2009 cars only
Makes
🢒
Saturn
🢒
2005
🢒
L300/LW300
🢒 Fuel Controls - Fuel Pump and Fuel Injector Controls
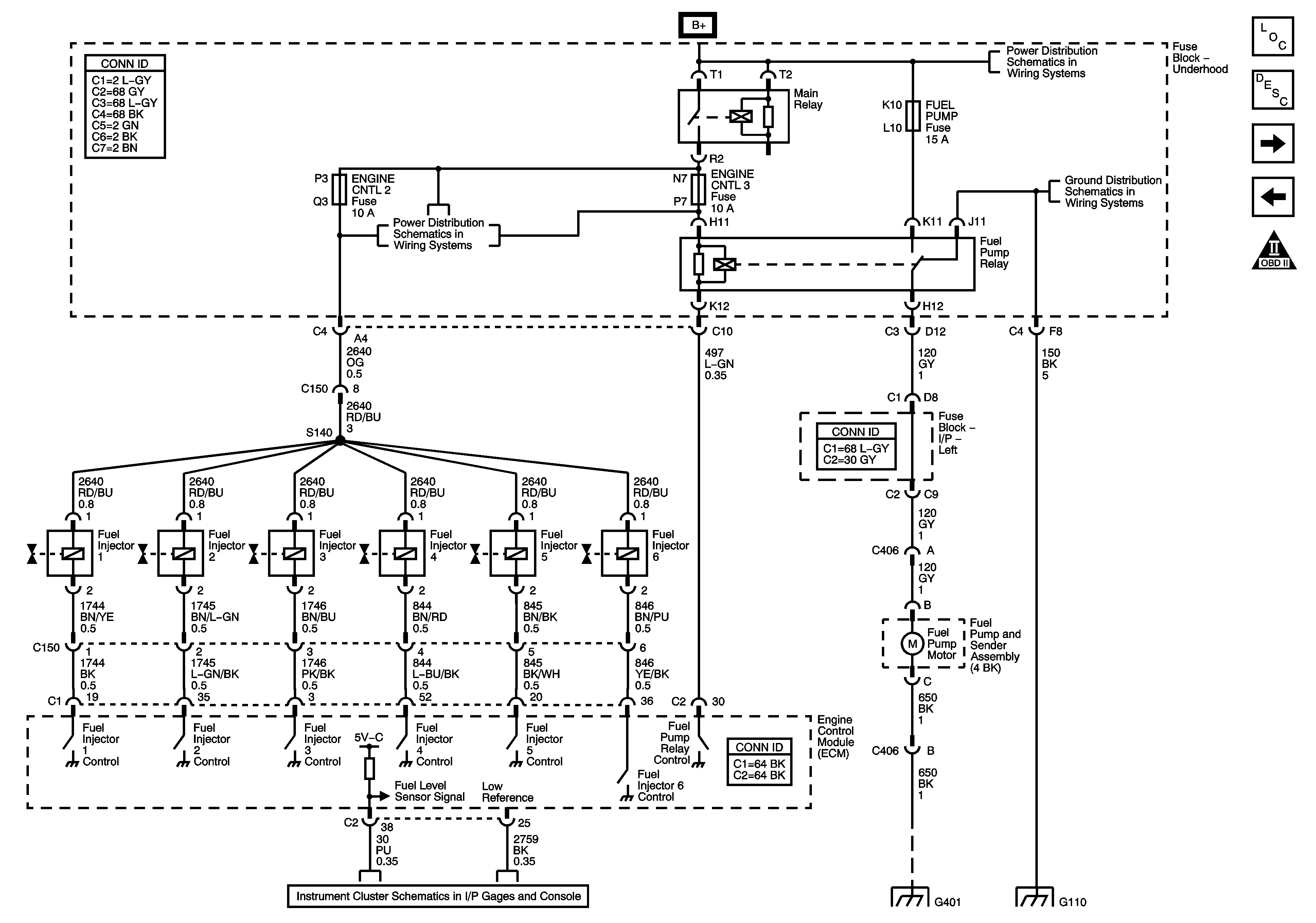
Fuel Controls - Fuel Pump and Fuel Injector Controls
Fuel Controls - Fuel Pump and Fuel Injector Controls
Master Electrical Component List
Fuel System Description
Fuel Controls - EVAP Controls
Ignition Controls - Sensors
OBD II Symbol Description Notice
AC, ENGINE CNTL 1, ENGINE CNTL 2, and FUEL PUMP Fuses
Fuse Block - Underhood Bus
G110 (2 of 2) and G102
Gages
G305, G399, G400, and G401
G102, G110, G118, G114