GM Service Manual Online
For 1990-2009 cars only
Makes
🢒
Saturn
🢒
2005
🢒
L300/LW300
🢒 Wiper Motors
Wiper Motors
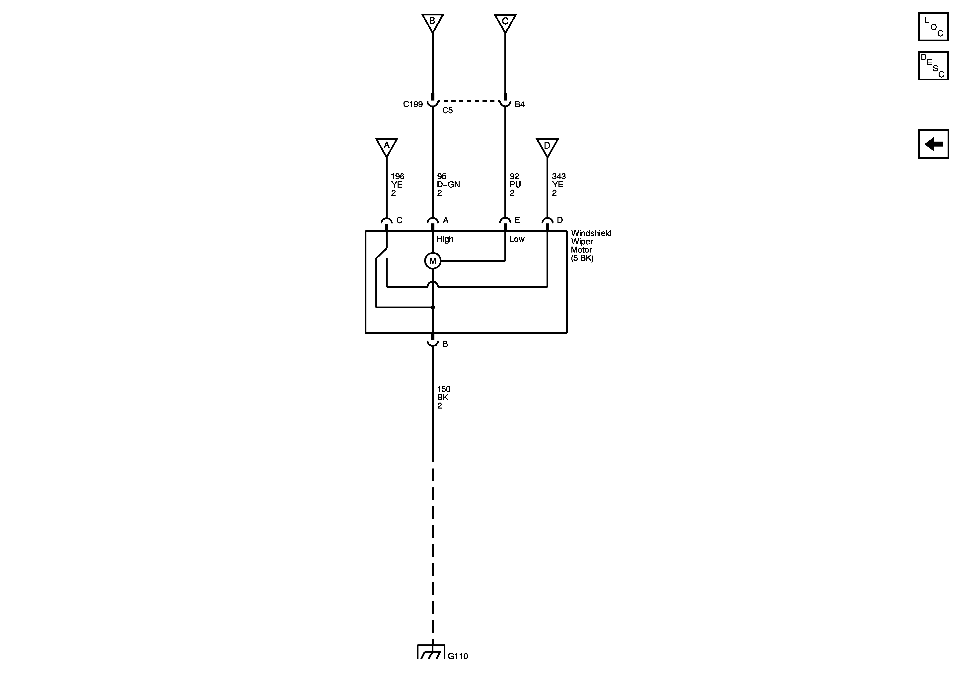
Wiper Motor
Master Electrical Component List
Wiper/Washer System Description and Operation
Washer and Wiper Controls
Washer and Wiper Controls
Washer and Wiper Controls
Washer and Wiper Controls
Washer and Wiper Controls
G110 - 1 of 2