GM Service Manual Online
For 1990-2009 cars only
Makes
🢒
Saturn
🢒
2005
🢒
L300/LW300
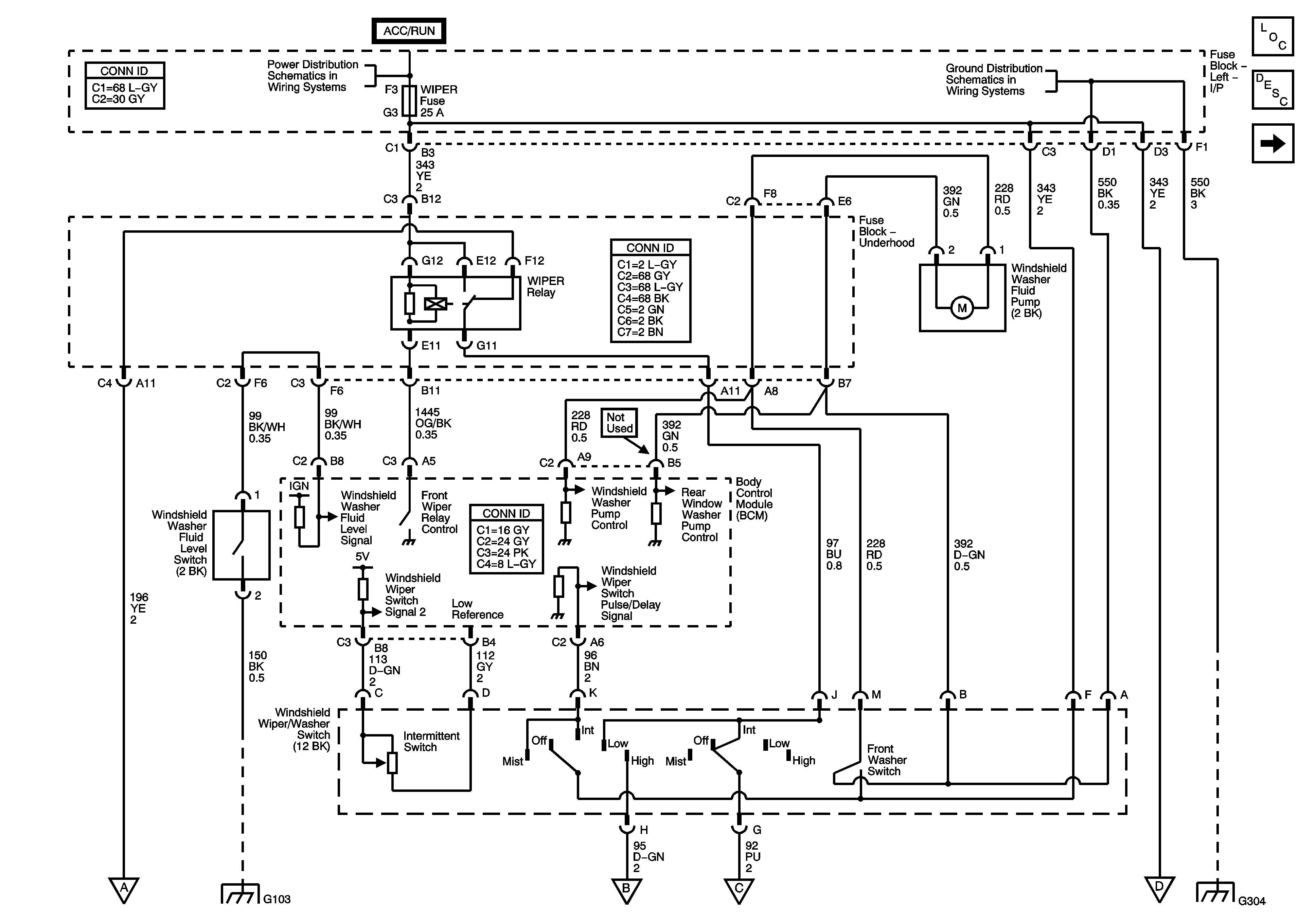
🢒 Washer and Wiper Controls
Washer and Wiper Controls
Washer and Wiper Controls
Master Electrical Component List
Wiper/Washer System Description and Operation
Wiper Motors
BTSI/BCM/MIRROR, RADIO, RR WIPER, and WIPER Fuses
G300 (3 of 3) and G304
Wiper Motors
G103, G105, G107, and G113
Wiper Motors
Wiper Motors
Wiper Motors
G300 (3 of 3) and G304