GM Service Manual Online
For 1990-2009 cars only
Makes
🢒
Saturn
🢒
2005
🢒
L300/LW300
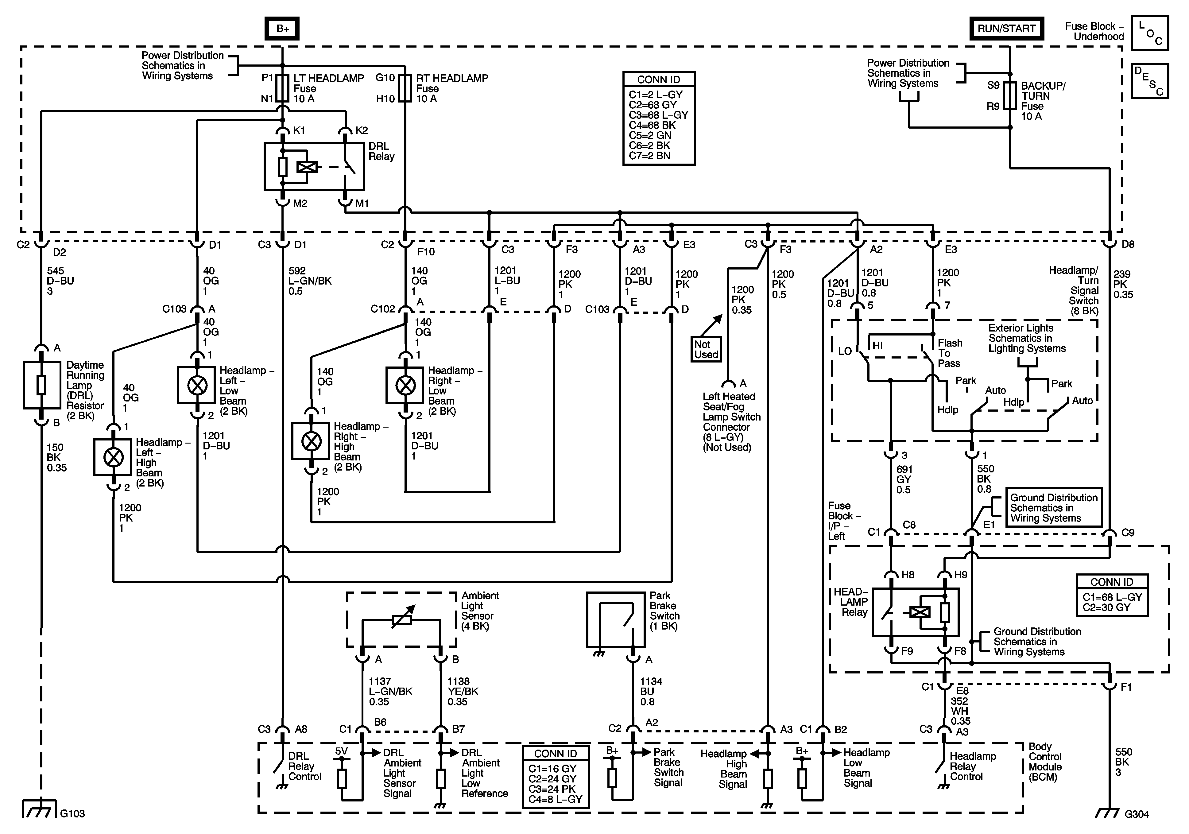
🢒 Headlights/DRL Schematics
Headlights/DRL Schematics
Master Electrical Component List
Exterior Lighting Systems Description and Operation
Fuse Block - Underhood Bus
BACKUP/TURN, BCM/ECM/CRUISE, CRUISE SW, and IGN 1 Fuses
Parking Lamps
G300 (3 of 3) and G304
G300 (3 of 3) and G304
G103, G105, G107, and G113