GM Service Manual Online
For 1990-2009 cars only
Figure 1:

B+ Bus - 1 of 2


Object Number: 1740306  Size: FS
Master Electrical Component List
Control Module References
B+ Bus - 2 of 2
B+ Bus - 2 of 2
B+ Bus - 2 of 2
Figure 2:

B+ Bus - 2 of 2


Object Number: 1740312  Size: FS
Master Electrical Component List
Control Module References
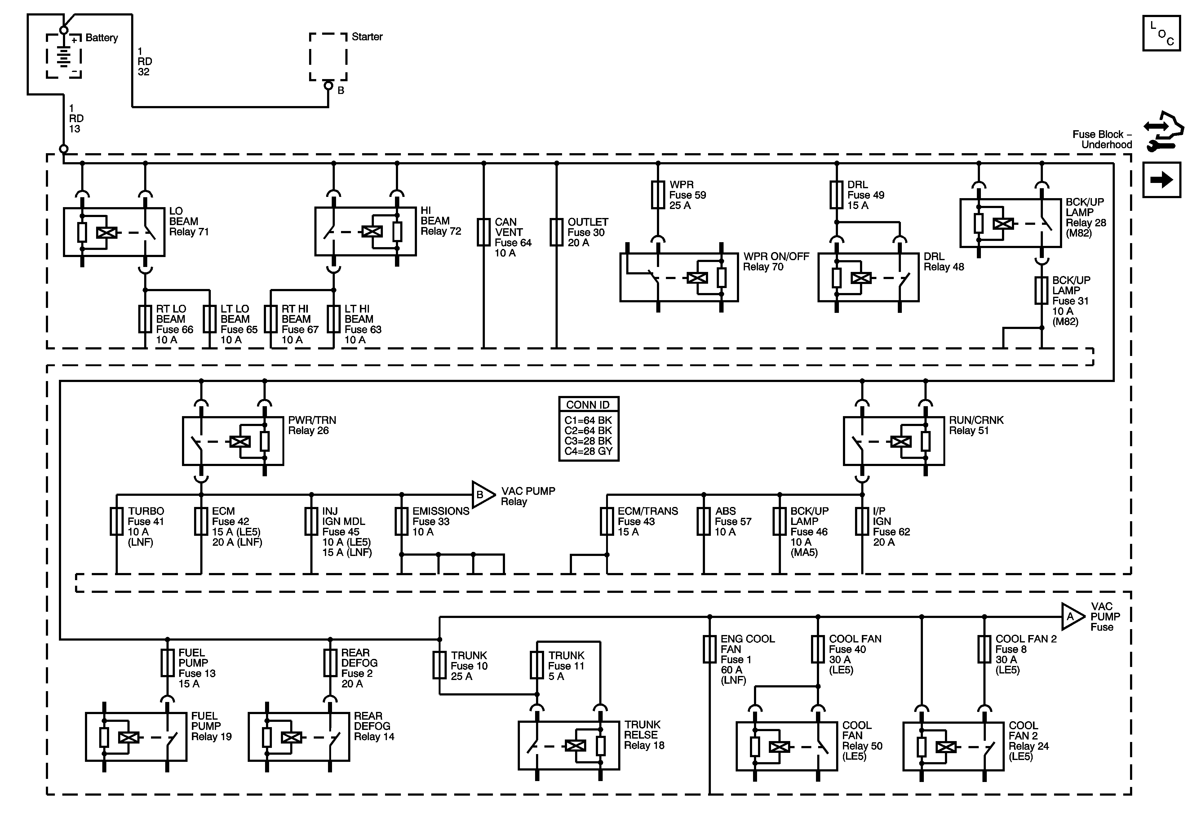
Fuse Block-Underhood DRL, LT HI BEAM, LT LO BEAM, RT HI BEAM, RT LO BEAM Fuses, and DRL, HI BEAM, LO BEAM Relays
B+ Bus - 1 of 2
B+ Bus - 1 of 2
B+ Bus - 1 of 2
Figure 3:

Fuse Block - Underhood DRL, LT HI BEAM, LT LO BEAM, RT HI BEAM, RT LO BEAM Fuses and DRL, HI BEAM, LO BEAM Relays


Object Number: 1740314  Size: FS
Master Electrical Component List
Control Module References
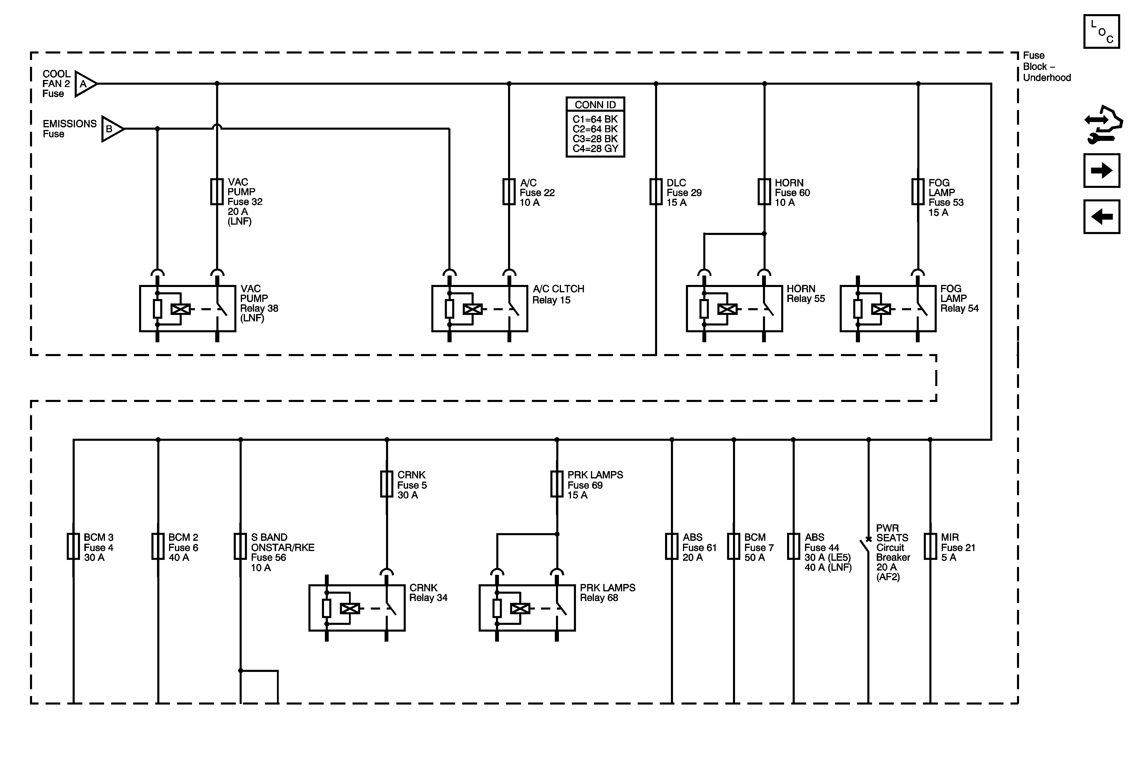
Fuse Block-Underhood ABS, BCK/UP LAMP, CAN VENT, ECM/TRANS, I/P IGN, OUTLET Fuses, RUN/CRNK Relay, and BCM Fuses: AIRBAG, EPS/STR WHL CNTRL, HVAC/IP IGN, WPR
B+ Bus - 2 of 2
B+ Bus - 1 of 2
Hazard and Park Lamps
Dimming Controls
Power and Grounding Schematic Icons
Figure 4:

Fuse Block - Underhood ABS, BCK/UP LAMP, CAN VENT, ECM/TRANS, I/P IGN, OUTLET Fuses, RUN/CRNK Relay and BCM Fuses: AIRBAG, EPS/STR WHL CNTRL, HVAC/IP IGN, WPR


Object Number: 1740316  Size: FS
Master Electrical Component List
Control Module References
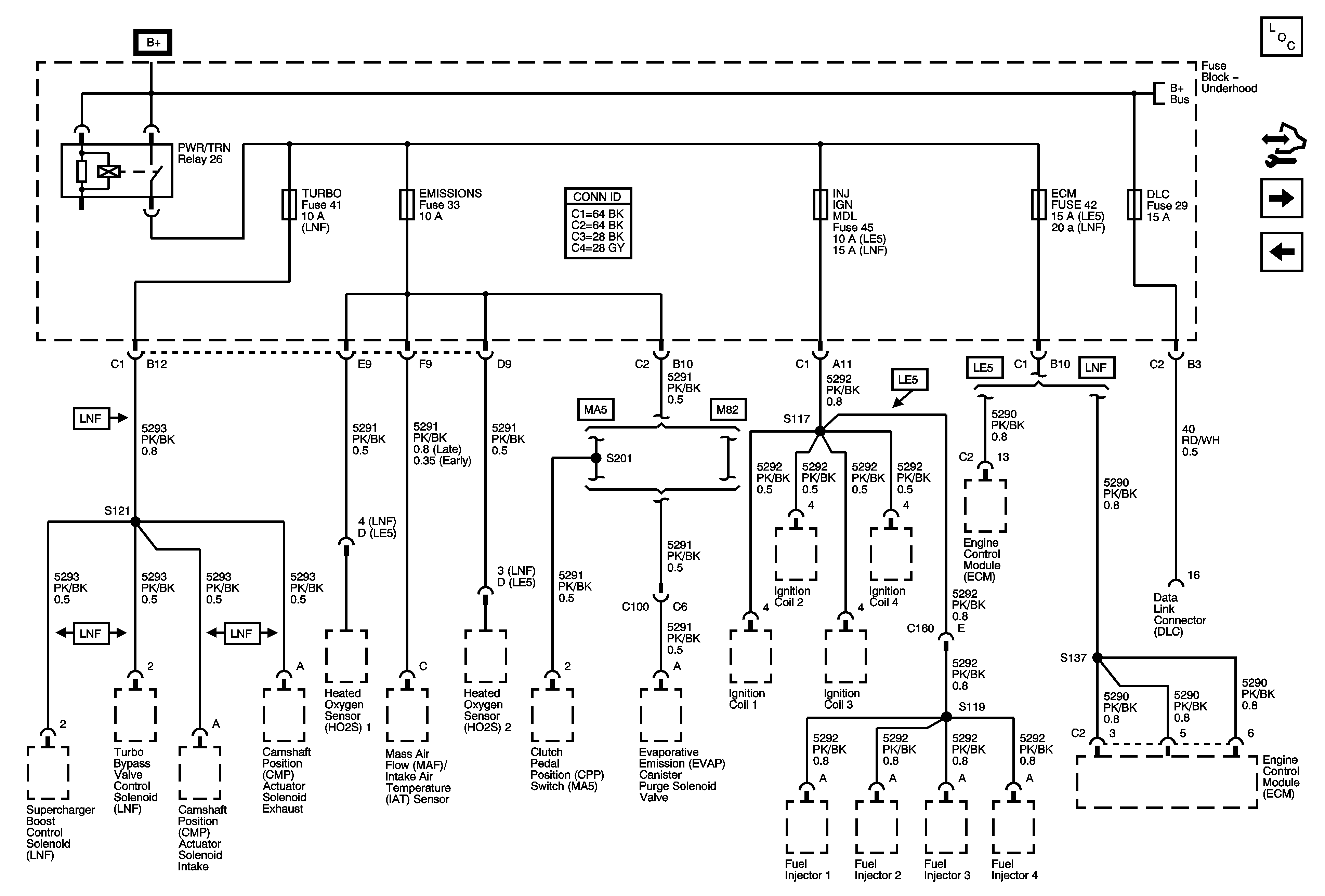
Fuse Block-Underhood DLC, ECM, EXH, INJ IGN MDL, and TURBO Fuses, and PWR/TRN Relay
Fuse Block-Underhood DRL, LT HI BEAM, LT LO BEAM, RT HI BEAM, RT LO BEAM Fuses, and DRL, HI BEAM, LO BEAM Relays
B+ Bus - 1 of 2
Power and Grounding Schematic Icons
Power and Grounding Schematic Icons
Power and Grounding Schematic Icons
Power and Grounding Schematic Icons
Figure 5:

Fuse Block - Underhood DLC, ECM, EXH, INJ IGN MDL, TURBO Fuses, and PWR/TRN Relay


Object Number: 1740332  Size: FS
Master Electrical Component List
Control Module References
Fuse Block-Underhood ABS, MIR, and S BAND ONSTAR/RKE Fuses
Fuse Block-Underhood ABS, BCK/UP LAMP, CAN VENT, ECM/TRANS, I/P IGN, OUTLET Fuses, RUN/CRNK Relay, and BCM Fuses: AIRBAG, EPS/STR WHL CNTRL, HVAC/IP IGN, WPR
B+ Bus - 2 of 2
Figure 6:

Fuse Block - Underhood ABS, MIR, and S BAND ONSTAR/RKE Fuses


Object Number: 1740347  Size: FS
Master Electrical Component List
Control Module References
Fuse Block - Underhood BCM Fuse, BCM Fuses: ECM/TCM, DR LCK, INT LIGHT, PWR WNDW, RDO, SDM, BCM Relays: DOOR LOCK, DOOR UNLOCK, DR DOOR UNLOCK, INADVERTENT LOAD CONTROL, RAP
Fuse Block-Underhood DLC, ECM, EXH, INJ IGN MDL, and TURBO Fuses, and PWR/TRN Relay
Figure 7:

Fuse Block - Underhood BCM Fuse, BCM Fuses: ECM/TCM, DR LCK, INT LIGHT, PWR WNDW, RDO, SDM, BCM Relays: DOOR LOCK, DOOR UNLOCK, DR DOOR UNLOCK, INADVERTENT LOAD CONTROL, RAP


Object Number: 1740356  Size: FS
Master Electrical Component List
Control Module References
Fuse Block-Underhood BCM 2 Fuse, BCM 3 Fuse, BCM Fuses: AMP, CLSTR, HVAC/PK3, IGN SW/PK3
Fuse Block-Underhood ABS, MIR, and S BAND ONSTAR/RKE Fuses
B+ Bus - 2 of 2
Power and Grounding Schematic Icons
Figure 8:

Fuse Block - Underhood BCM 2 , BCM 3 Fuses, BCM Fuses: AMP, CLSTR, HVAC/PK3+, IGN SW/PK3+


Object Number: 1740362  Size: FS
Master Electrical Component List
Control Module References
Ignition Switch
Fuse Block - Underhood BCM Fuse, BCM Fuses: ECM/TCM, DR LCK, INT LIGHT, PWR WNDW, RDO, SDM, BCM Relays: DOOR LOCK, DOOR UNLOCK, DR DOOR UNLOCK, INADVERTENT LOAD CONTROL, RAP
B+ Bus - 2 of 2
Ignition Switch
Figure 9:

Ignition Switch


Object Number: 1740366  Size: FS
Master Electrical Component List
Control Module References
Fuse Block-Underhood BCM 2 Fuse, BCM 3 Fuse, BCM Fuses: AMP, CLSTR, HVAC/PK3, IGN SW/PK3