GM Service Manual Online
For 1990-2009 cars only
Makes
🢒
Saturn
🢒
2007
🢒
SKY
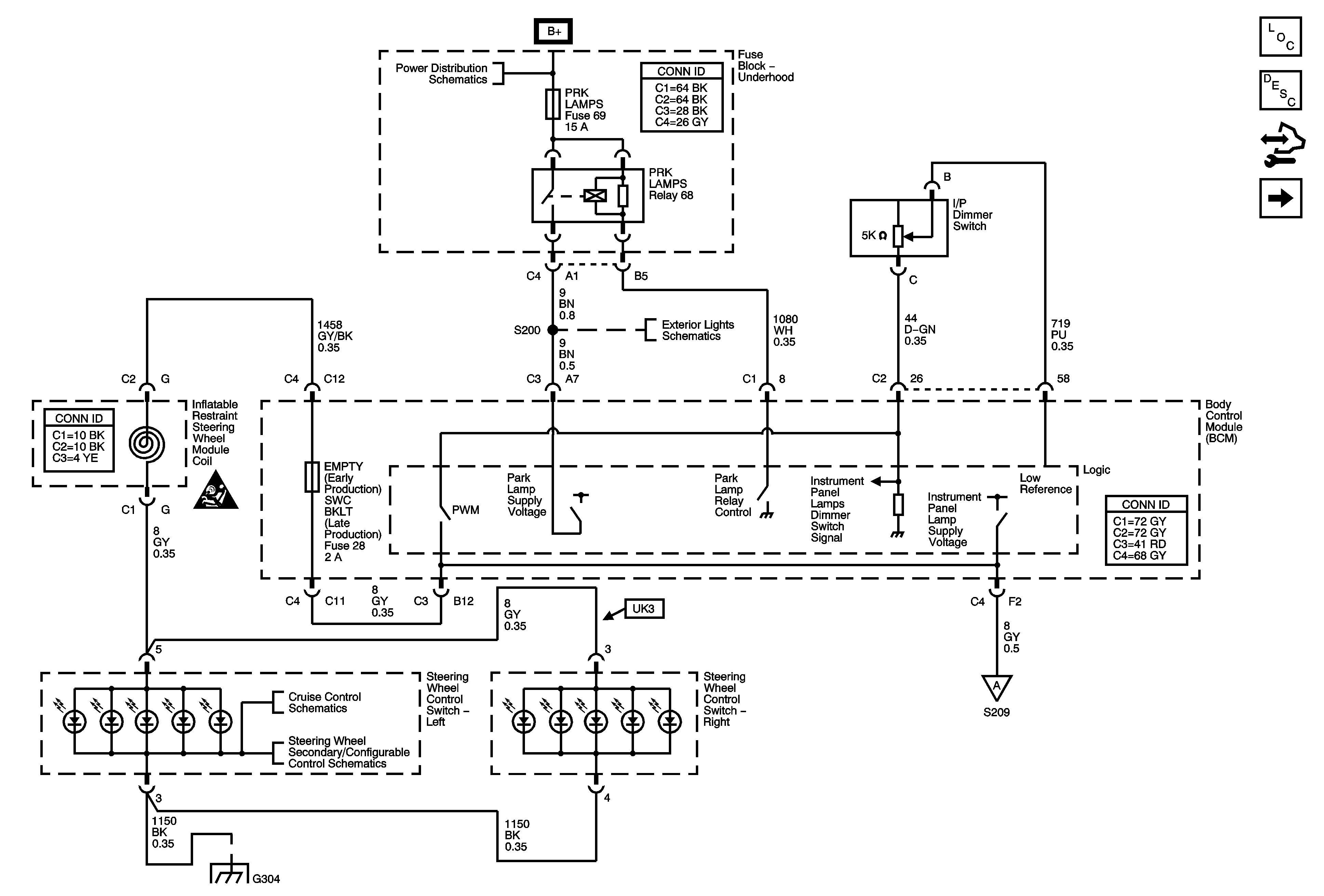
🢒 Dimming Controls
Dimming Controls
Dimming Controls
Master Electrical Component List
Interior Lighting Systems Description and Operation
Control Module References
Lamps
B+ Bus - 2 of 2
Hazard and Park Lamps
Cruise Control Schematics
Lamps
Steering Wheel Secondary/Configurable Control Schematics
G103, G104, G105, G106 and G304