GM Service Manual Online
For 1990-2009 cars only
Makes
🢒
Saturn
🢒
2007
🢒
SKY
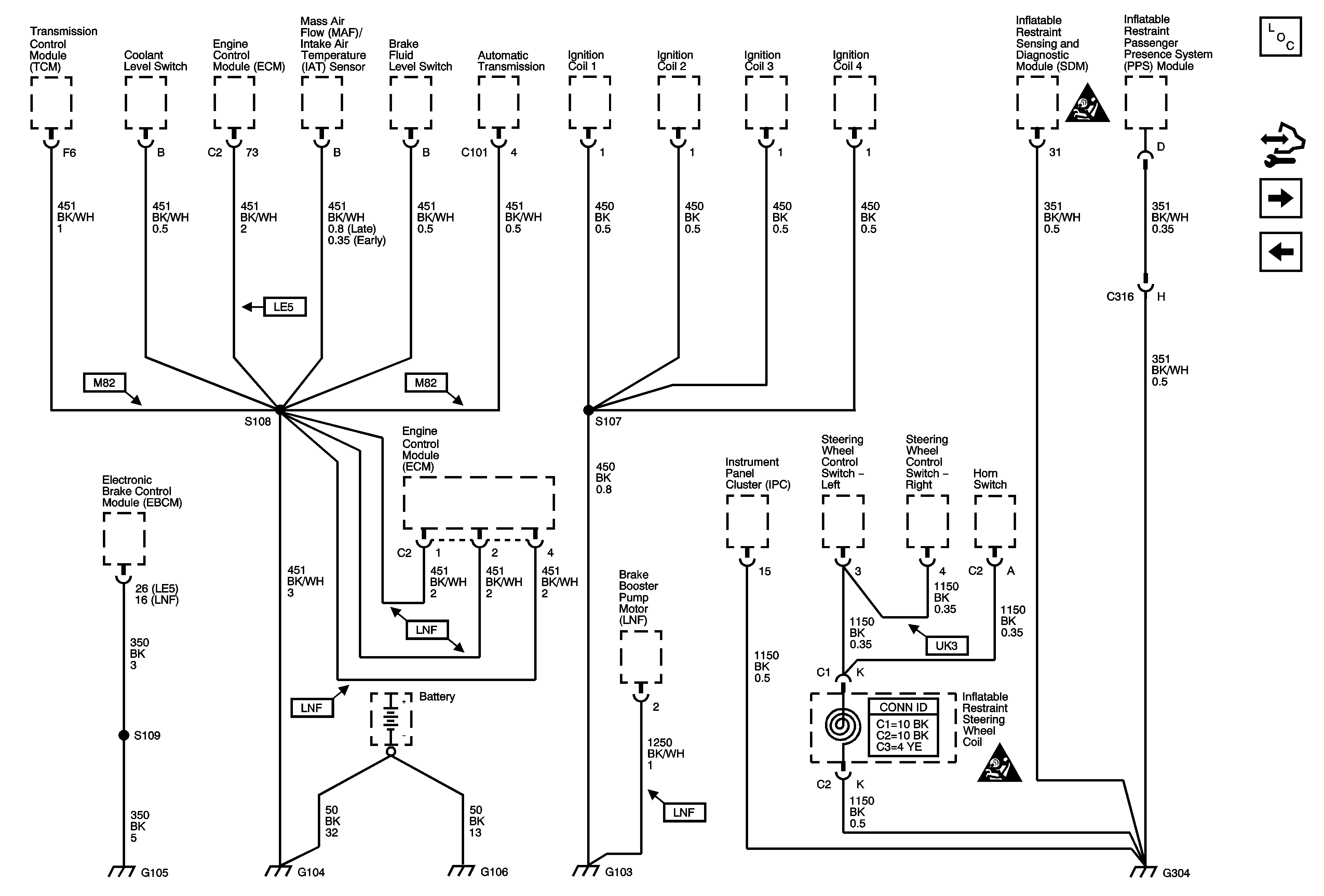
🢒 G103, G104, G105, G106 and G304
G103, G104, G105, G106 and G304
G103, G104, G105, G106 and G304
Master Electrical Component List
Control Module References
G300 - 1 of 2
G101 and G102