GM Service Manual Online
For 1990-2009 cars only
Makes
🢒
Saturn
🢒
2007
🢒
SKY
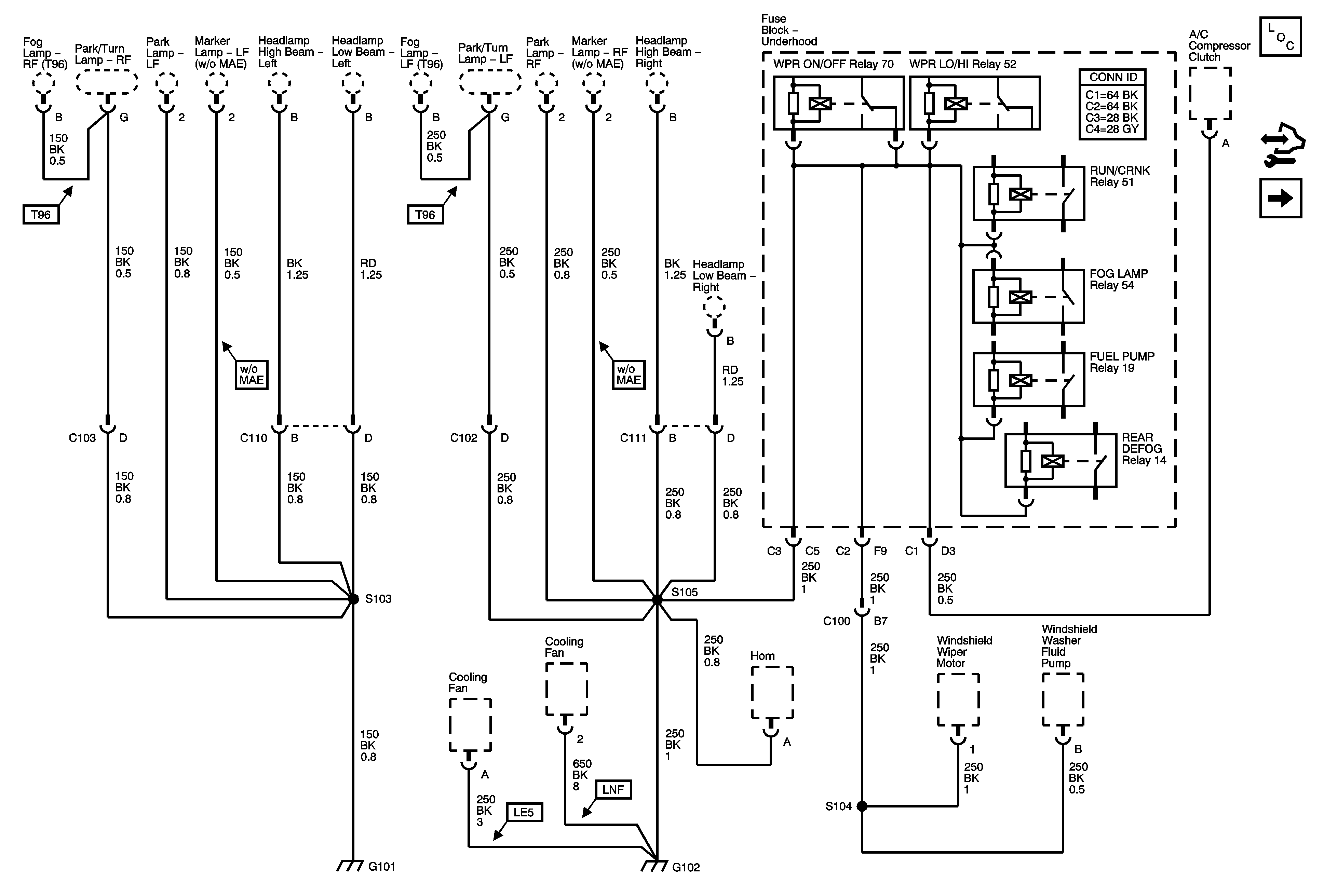
🢒 G101 and G102
G101 and G102
G101 and G102
Master Electrical Component List
Control Module References
G103, G104, G105, G106 and G304