GM Service Manual Online
For 1990-2009 cars only
Makes
🢒
Saturn
🢒
2007
🢒
SKY
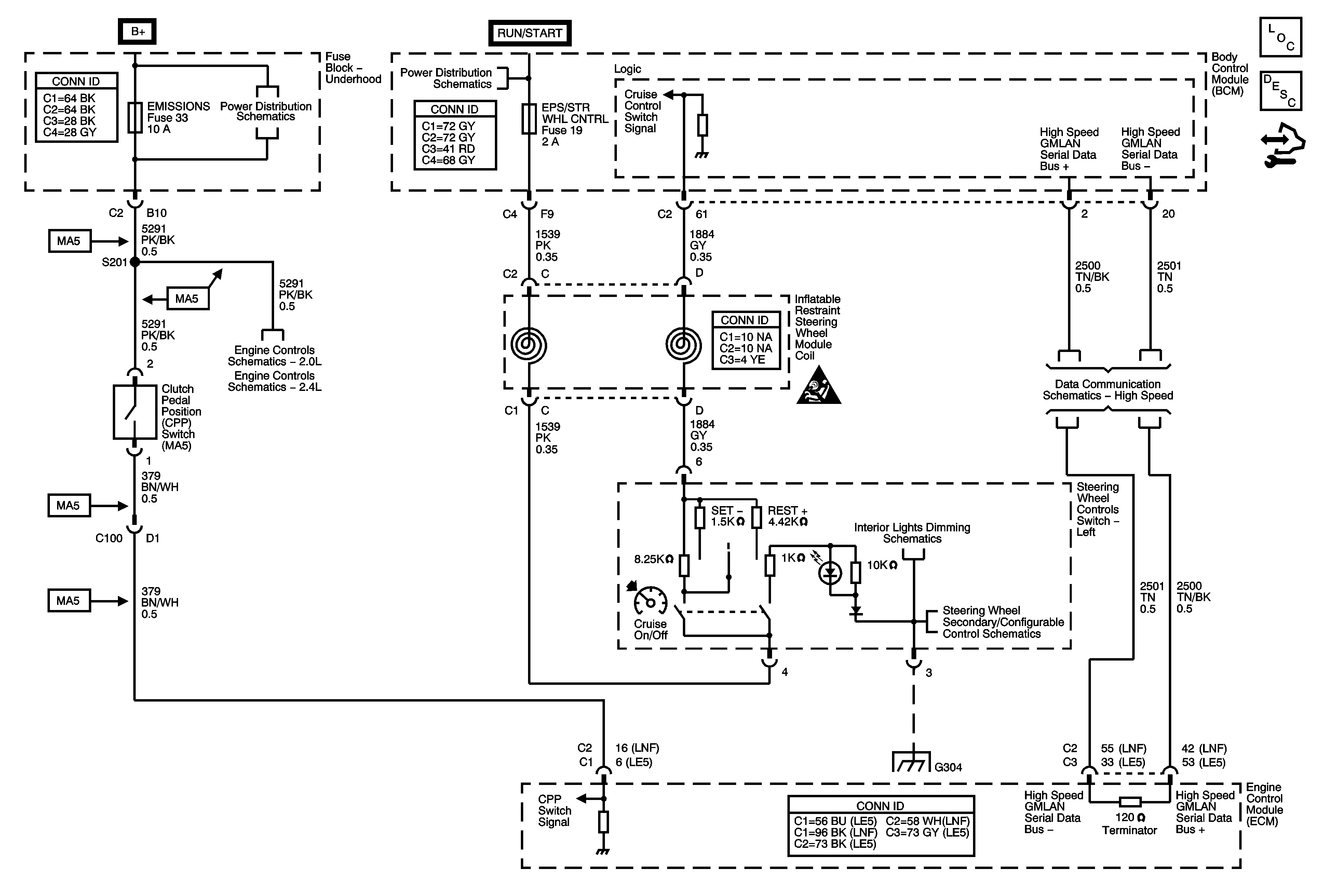
🢒 Cruise Control Schematics
Cruise Control Schematics
Master Electrical Component List
Cruise Control Description and Operation
Control Module References
B+ Bus - 1 of 2
Fuse Block-Underhood ABS, BCK/UP LAMP, CAN VENT, ECM/TRANS, I/P IGN, OUTLET Fuses, RUN/CRNK Relay, and BCM Fuses: AIRBAG, EPS/STR WHL CNTRL, HVAC/IP IGN, WPR
Fuel Controls - EVAP
Fuel Controls - EVAP
SIR Caution for Zoning
High Speed LAN
Dimming Controls
Steering Wheel Secondary/Configurable Control Schematics