GM Service Manual Online
For 1990-2009 cars only
Makes
🢒
Saturn
🢒
2007
🢒
SKY
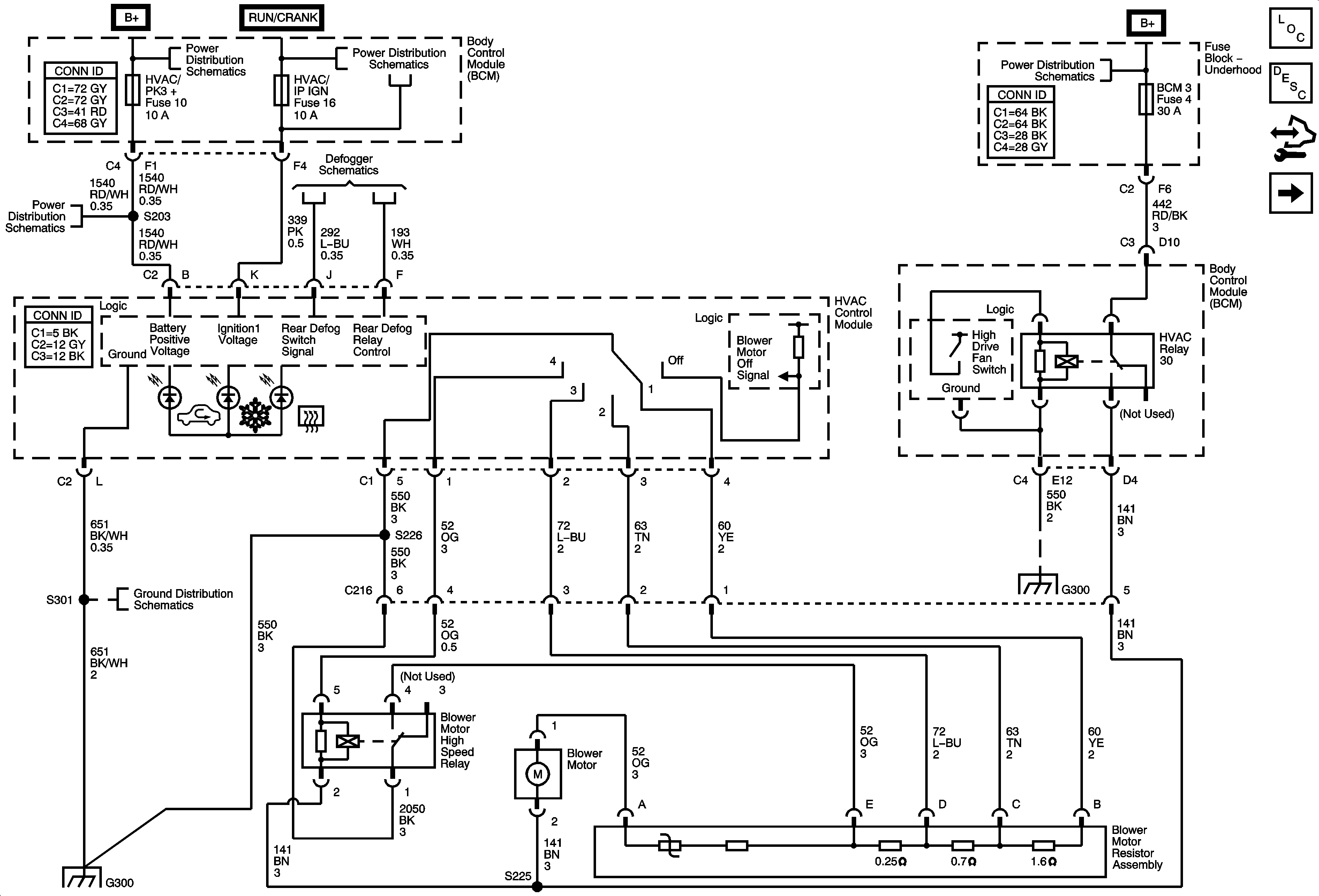
🢒 Ground, Power, and Blower Controls
Ground, Power, and Blower Controls
Ground, Power, and Blower Controls
Master Electrical Component List
Air Delivery Description and Operation
Control Module References
Air Delivery and Temperature
Fuse Block-Underhood BCM 2 Fuse, BCM 3 Fuse, BCM Fuses: AMP, CLSTR, HVAC/PK3, IGN SW/PK3
Fuse Block-Underhood ABS, BCK/UP LAMP, CAN VENT, ECM/TRANS, I/P IGN, OUTLET Fuses, RUN/CRNK Relay, and BCM Fuses: AIRBAG, EPS/STR WHL CNTRL, HVAC/IP IGN, WPR
B+ Bus - 2 of 2
Fuse Block-Underhood BCM 2 Fuse, BCM 3 Fuse, BCM Fuses: AMP, CLSTR, HVAC/PK3, IGN SW/PK3
Defogger Schematics
G300 - 1 of 2
G300 - 2 of 2
G300 - 1 of 2