GM Service Manual Online
For 1990-2009 cars only
Makes
🢒
Saturn
🢒
2007
🢒
SKY
🢒 Air Delivery and Temperature
Air Delivery and Temperature
Air Delivery and Temperature
Master Electrical Component List
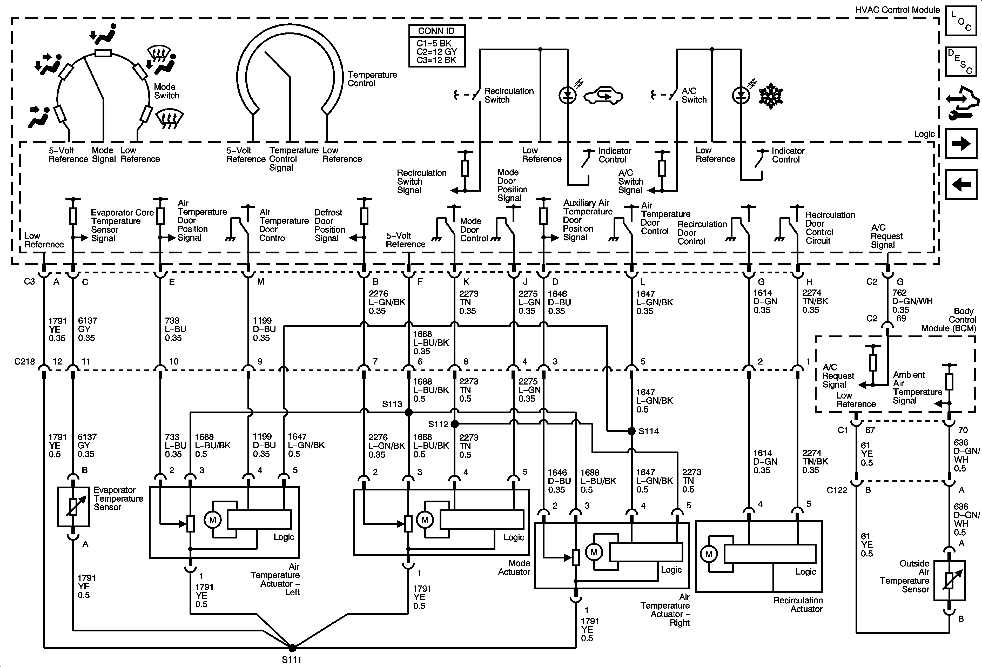
Air Temperature Description and Operation
Control Module References
Compressor Controls
Ground, Power, and Blower Controls