GM Service Manual Online
For 1990-2009 cars only
Makes
🢒
Saturn
🢒
2007
🢒
SKY
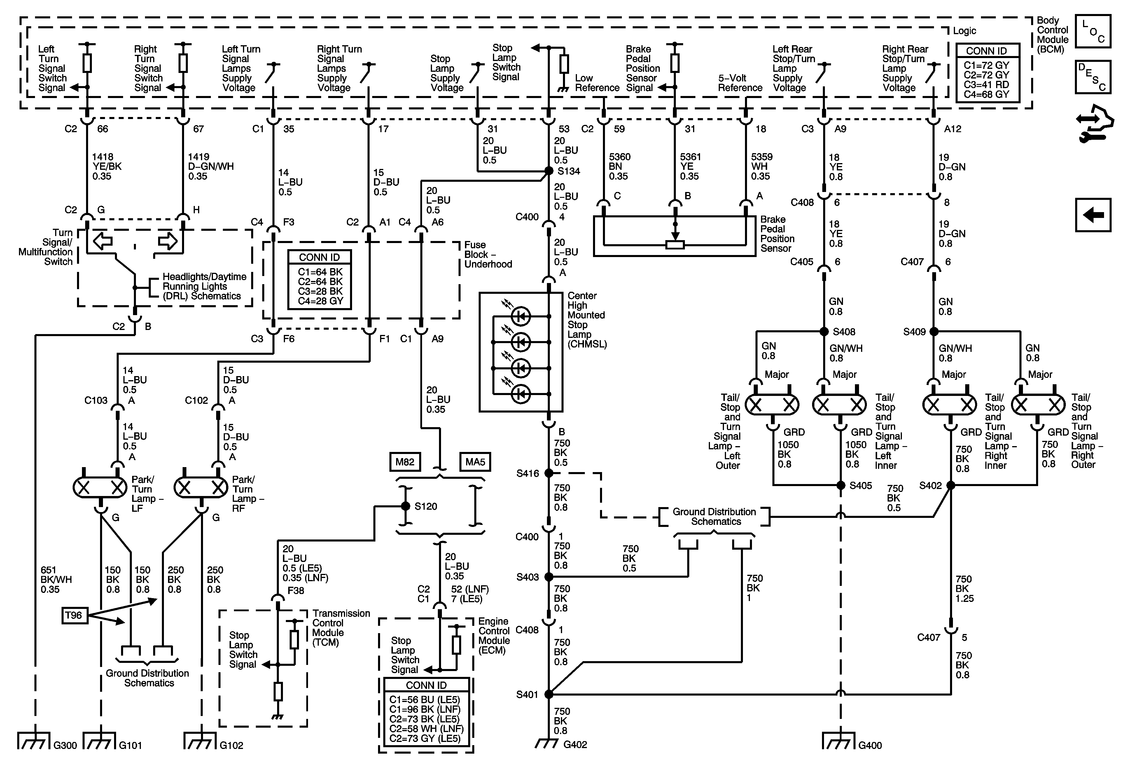
🢒 Stop and Turn Signal Lamps
Stop and Turn Signal Lamps
Stop and Turn Signal Lamps
Master Electrical Component List
Exterior Lighting Systems Description and Operation
Control Module References
Backup Lamps
G301, G302, G303, G400 and G402
G101 and G102
G300 - 1 of 2
G101 and G102
G101 and G102
G301, G302, G303, G400 and G402
G301, G302, G303, G400 and G402