GM Service Manual Online
For 1990-2009 cars only
Makes
🢒
Saturn
🢒
2007
🢒
SKY
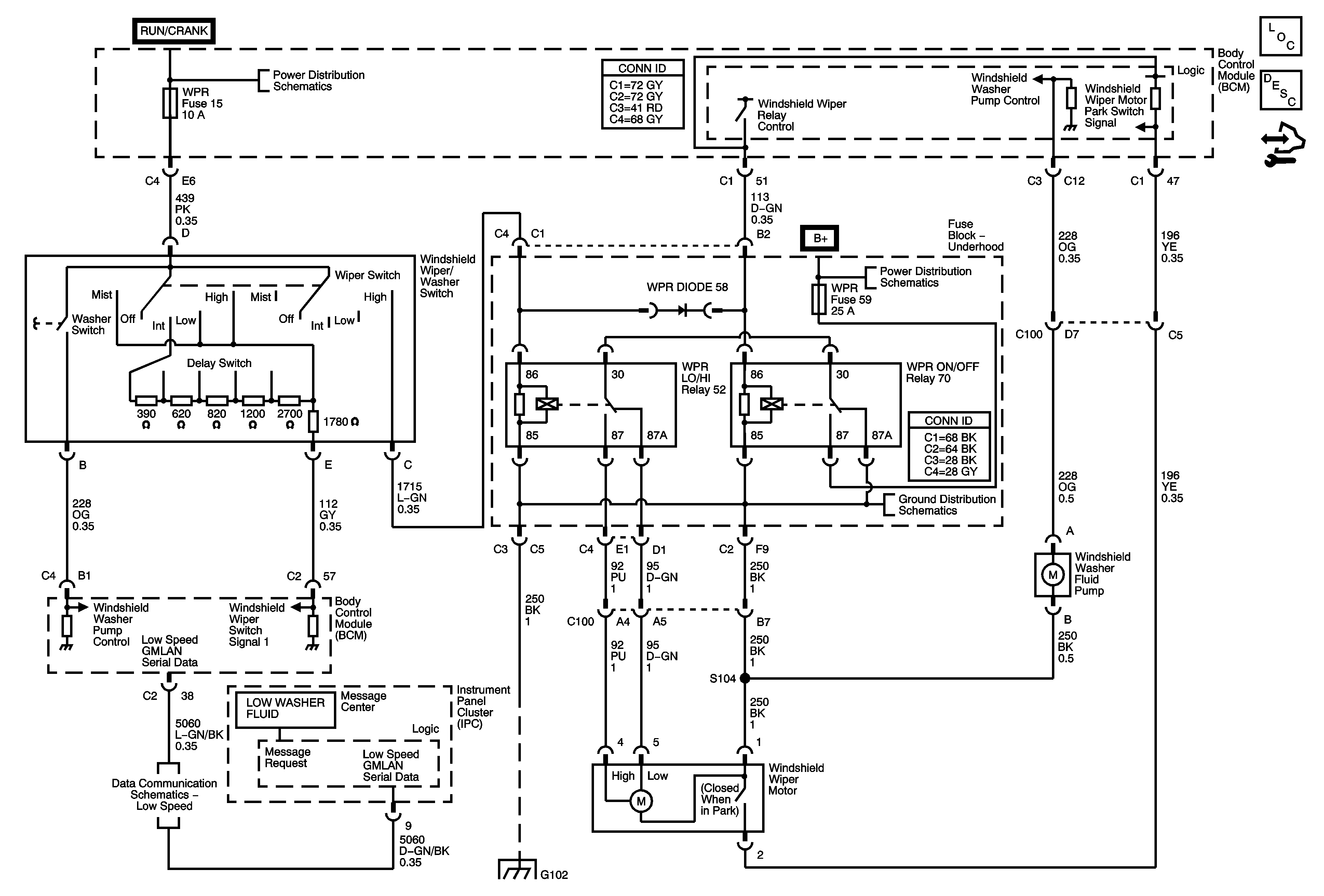
🢒 Wiper/Washer Schematics
Wiper/Washer Schematics
Master Electrical Component List
Wiper/Washer System Description and Operation
Control Module References
Fuse Block-Underhood ABS, BCK/UP LAMP, CAN VENT, ECM/TRANS, I/P IGN, OUTLET Fuses, RUN/CRNK Relay, and BCM Fuses: AIRBAG, EPS/STR WHL CNTRL, HVAC/IP IGN, WPR
Fuse Block-Underhood ABS, BCK/UP LAMP, CAN VENT, ECM/TRANS, I/P IGN, OUTLET Fuses, RUN/CRNK Relay, and BCM Fuses: AIRBAG, EPS/STR WHL CNTRL, HVAC/IP IGN, WPR
G101 and G102
Low Speed LAN
G101 and G102