GM Service Manual Online
For 1990-2009 cars only
Makes
🢒
Saturn
🢒
2003
🢒
VUE - FWD
🢒
Engine
🢒
Engine Electrical
🢒 Starting and Charging Schematics
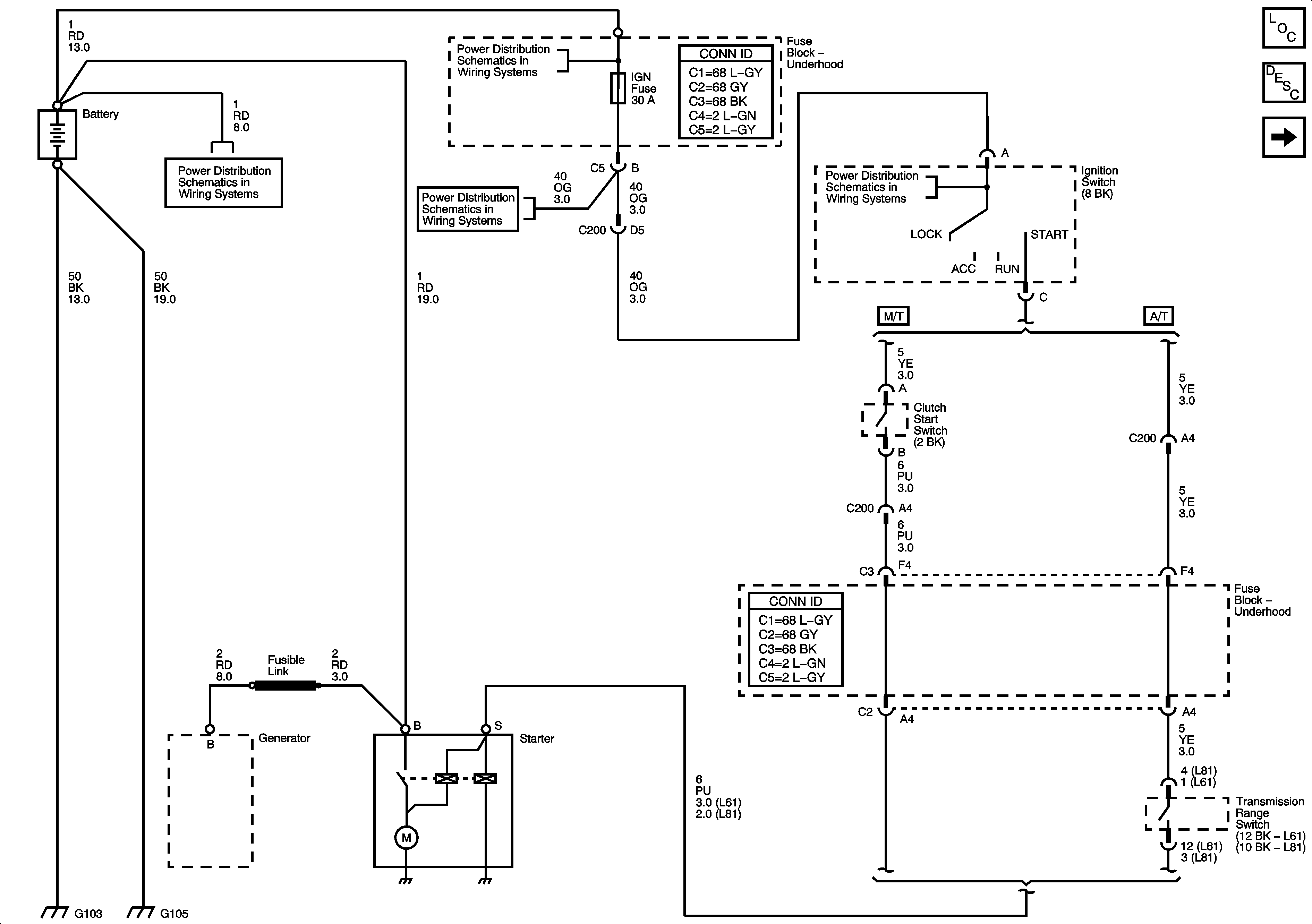
Figure
1:
Starting
Master Electrical Component List
Starting System Description and Operation
Charging and Indicators
Battery Power to the Fuse Block, Starter, and Generator
Ignition Switch
Ignition Switch
Ignition Switch
Figure
2:
Charging and Indicators
Master Electrical Component List
Charging System Description and Operation
Starting
Battery Power to the Fuse Block, Starter, and Generator
DLC Schematic