GM Service Manual Online
For 1990-2009 cars only
Makes
🢒
Saturn
🢒
2003
🢒
VUE - FWD
🢒
Transmission/Transaxle
🢒
Automatic Transaxle - AF33-5
🢒 Automatic Transmission Controls Schematics
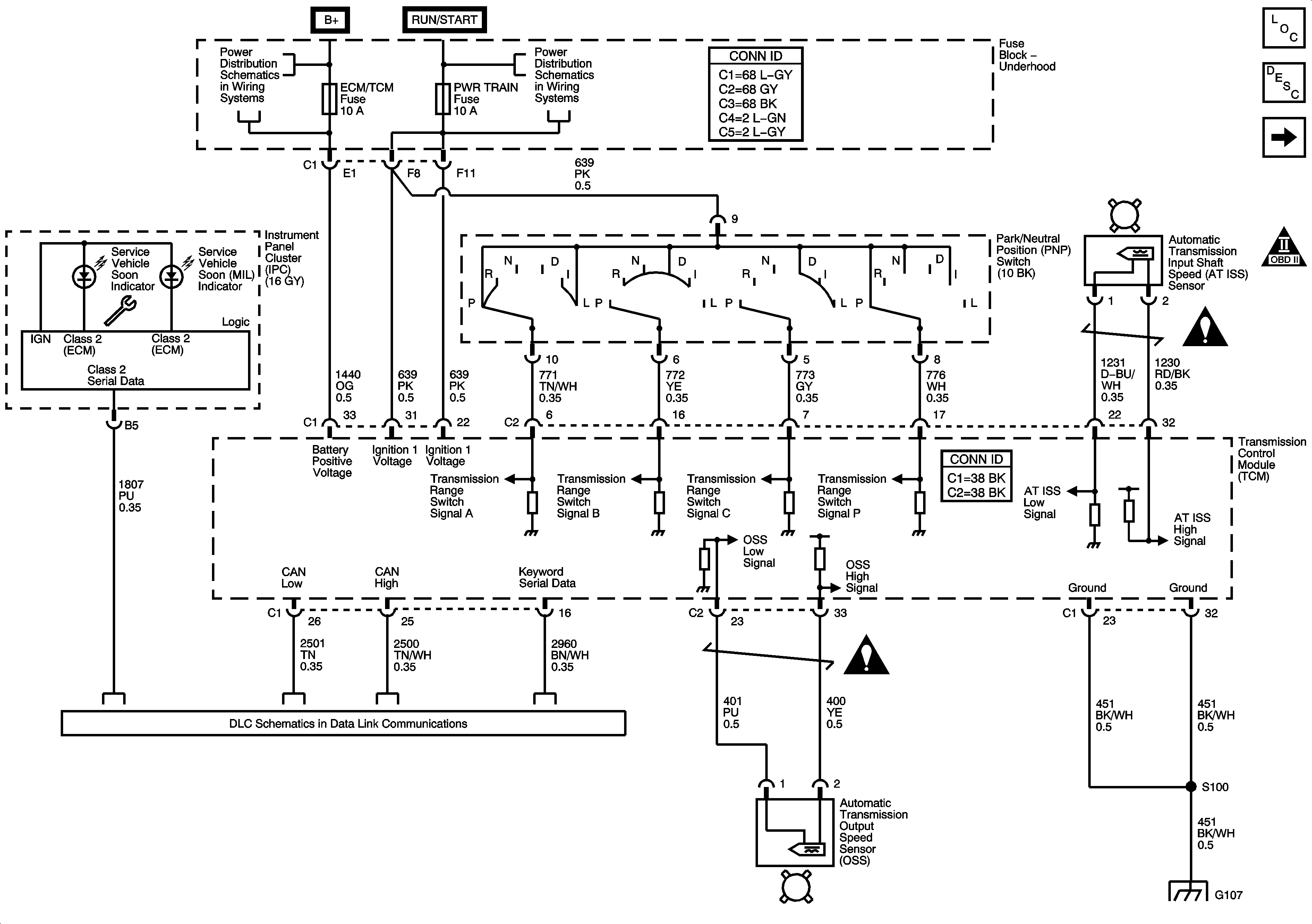
Figure
1:
TCM Power, Ground, Serial Data, Indicators, Speed Sensors, and PRNDL Signals
Master Electrical Component List
Transmission Component and System Description
TFT and Solenoid Controls
OBD II Symbol Description Notice
Battery Power to the Fuse Block, Starter, and Generator
Ignition Switch
Automatic Transmission Schematic Icons
Automatic Transmission Schematic Icons
DLC Schematic
G103, G105, G107, and G207 - L81
Figure
2:
TFT and Solenoid Controls
Master Electrical Component List
Transmission Component and System Description
TCM Power, Ground, Serial Data, Indicators, Speed Sensors, and PRNDL Signals
OBD II Symbol Description Notice