GM Service Manual Online
For 1990-2009 cars only
Makes
🢒
Saturn
🢒
2003
🢒
VUE - FWD
🢒
Body and Accessories
🢒
Doors
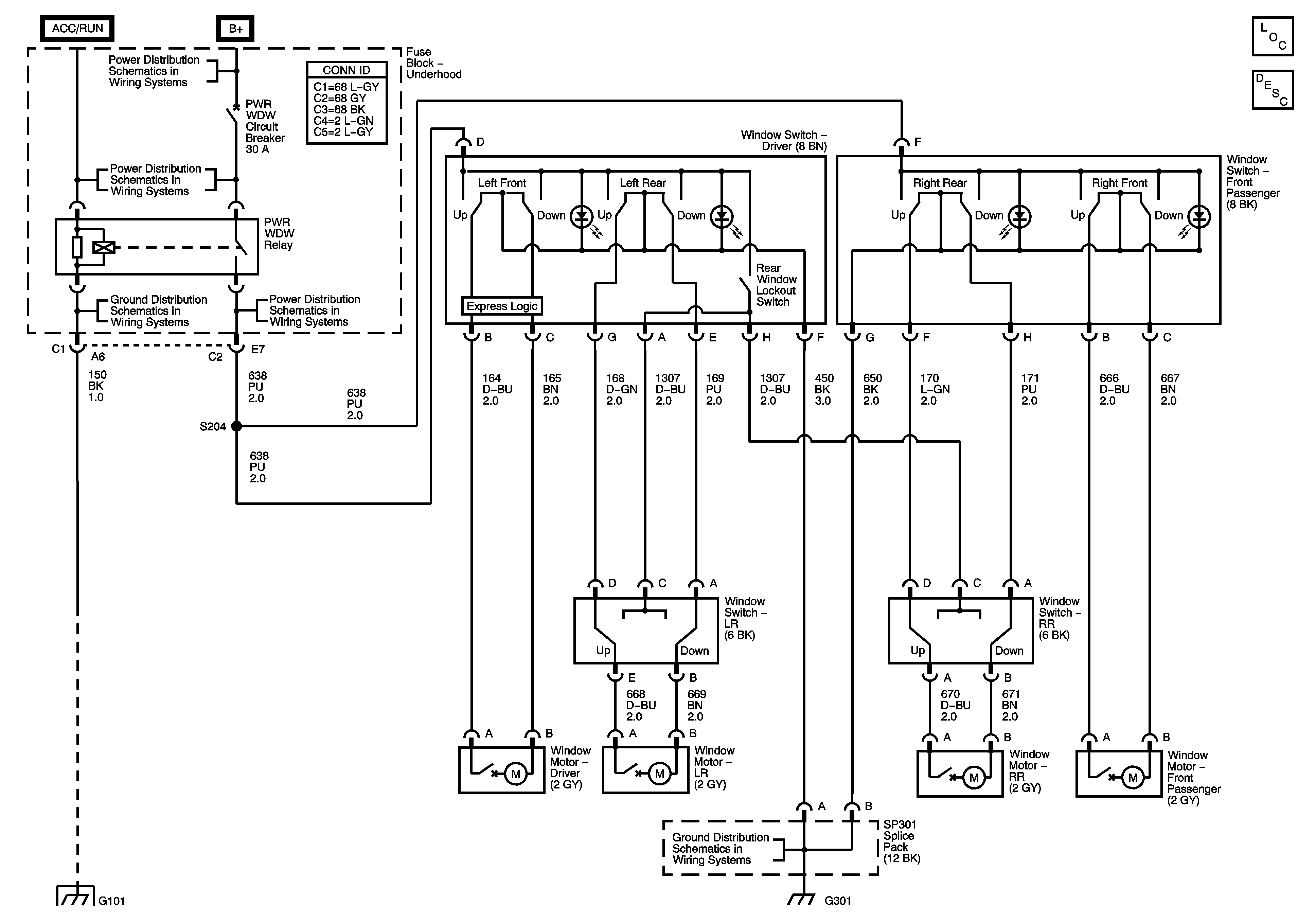
🢒 Power Window Schematics
Master Electrical Component List
Power Windows Description and Operation
Battery Power to the Fuse Block, Starter, and Generator
PWR WDW,SUNROOF,ABS,ABS PWR,HVAC BLOWER,AUX1 OUTLET,CIGAR/AUX2,ECM/TCM Fuses and the PWR WDW Relay
G101
G101
G301 - 1 of 2