GM Service Manual Online
For 1990-2009 cars only
Makes
🢒
Saturn
🢒
2003
🢒
VUE - FWD
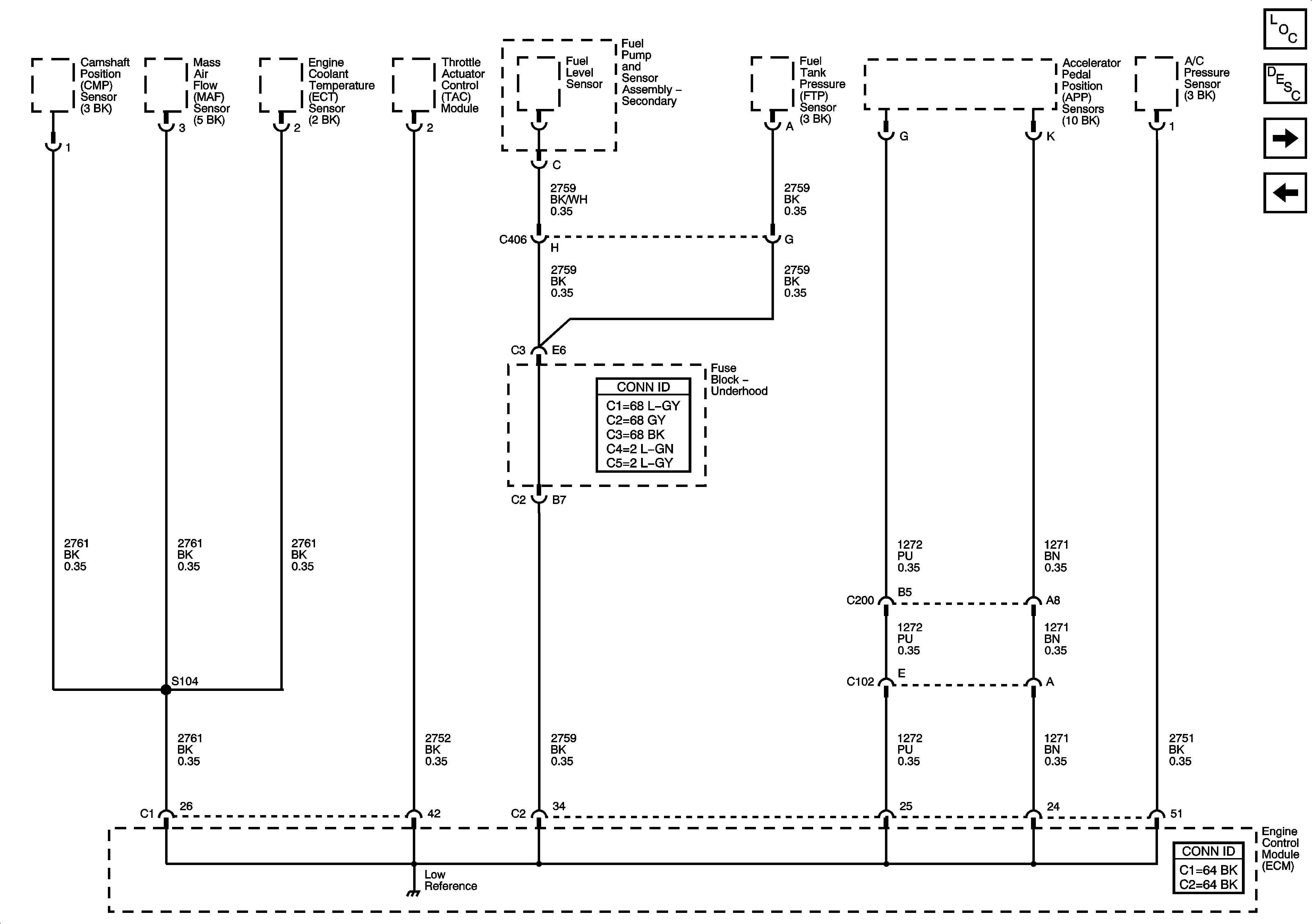
🢒 Engine Data Sensors - Low References
Engine Data Sensors - Low References
Engine Data Sensors - Low References
Master Electrical Component List
Engine Control Module Description
Engine Data Sensors - MAF, OSS, and the Stop Lamp Switch (w/ABS)
Engine Data Sensors - 5 Volt References