GM Service Manual Online
For 1990-2009 cars only
Makes
🢒
Saturn
🢒
2003
🢒
VUE - FWD
🢒 Engine Data Sensors - 5 Volt References
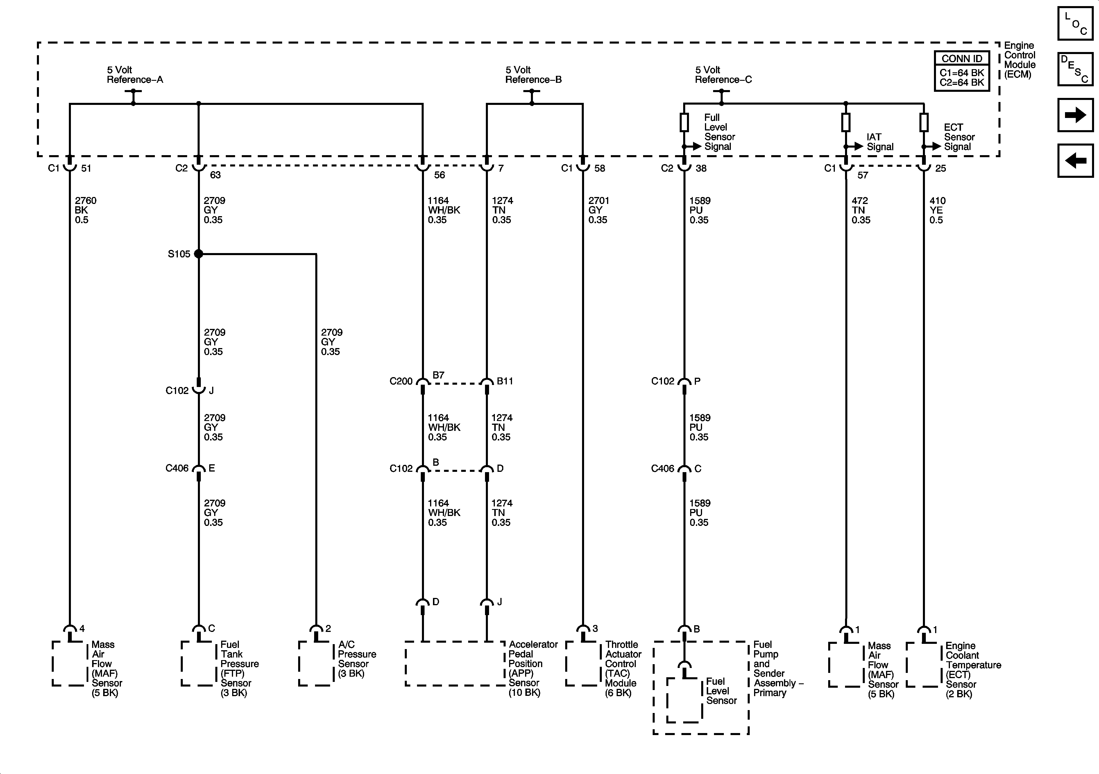
Engine Data Sensors - 5 Volt References
Engine Data Sensors - 5 Volt References
Master Electrical Component List
Engine Control Module Description
Engine Data Sensors - Low References
Power, Ground, Serial Data, and MIL