GM Service Manual Online
For 1990-2009 cars only
Makes
🢒
Saturn
🢒
2003
🢒
VUE - FWD
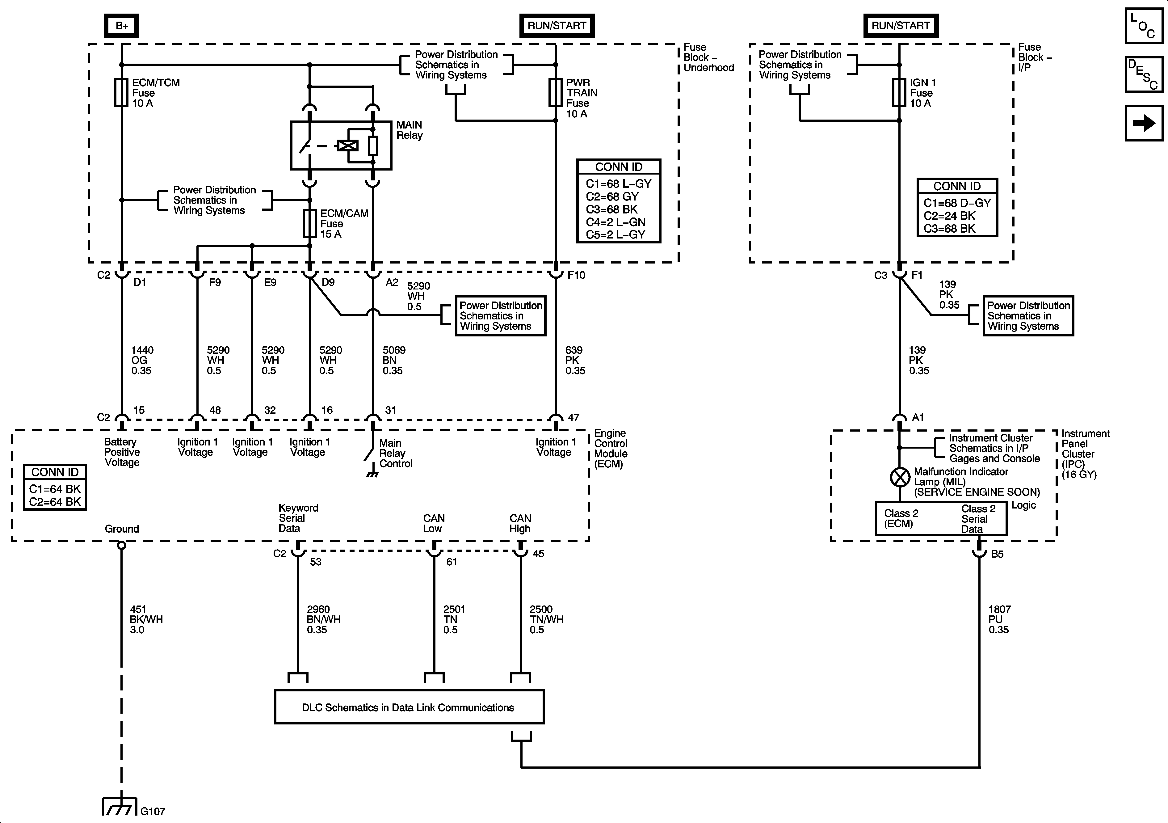
🢒 Power, Ground, Serial Data, and MIL
Power, Ground, Serial Data, and MIL
Power, Ground, Serial Data, and MIL
Master Electrical Component List
Engine Control Module Description
Engine Data Sensors - 5 Volt References
Battery Power to the Fuse Block, Starter, and Generator
Ignition Switch
PWR WDW,SUNROOF,ABS,ABS PWR,HVAC BLOWER,AUX1 OUTLET,CIGAR/AUX2,ECM/TCM Fuses and the PWR WDW Relay
ENG MAIN Relay, EMISS, ECM/CAM, and INJ/MANF Fuses
Ignition Switch
IGN 1, BCM(IGN1), AIR BAG, AND EPS Fuses
Power, Ground, Indicators, and the EOP Switch
DLC Schematic
G103, G105, G107, and G207 - L81