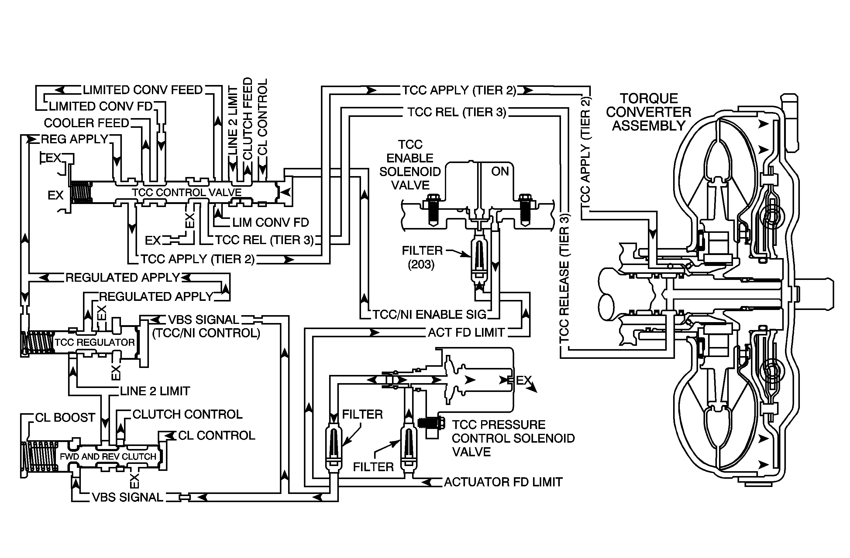
The transmission control module (TCM) controls the TCC pressure control solenoid valve pulse width modulation. When the solenoid is commanded on, it exhausts release oil and allows regulated apply oil to flow to the apply circuit of the TCC system. The pressure in this system applies the pressure plate to the converter housing, and couples the transmission and engine directly through the TCC. The TCC slip speed should be near zero when fully applied.
When the TCM detects high torque converter slip when the TCC is commanded on, DTC P0741 sets. DTC P0741 is a type B DTC.
| • | No engine torque DTC P1779. |
| • | No OSS DTCs P0722 or P0723. |
| • | No ISS DTCs P0716 or P0717. |
| • | No TCC system stuck ON DTC P0742. |
| • | No transmission range switch DTCs P0705, P1756, or P1758. |
| • | No TCC enable solenoid valve DTCs P1888 or P1889. |
| • | The ignition voltage is 8-18 volts. |
| • | The engine speed is greater than 500 RPM for 5 seconds. |
| • | The engine torque and throttle angle signals are valid. |
| • | The selected range is DRIVE, INTERMEDIATE, or LOW. |
| • | The time since the gear select lever change is greater than 6 seconds. |
| • | The transmission fluid temperature is 21-130°C (70-266°F). |
| • | The engine torque is 30-300 N·m (22-221 lb ft). |
| • | The APP angle is greater than 5 percent. |
| • | The speed ratio is greater than 0.38. |
| • | The commanded TCC pressure is greater than 100 kPa (15 psi) for 5 seconds. |
| • | The TCC is commanded ON. |
The TCM commands the TCC ON, and the TCC slip speed is greater than 220 RPM for 3 seconds 3 times within the same ignition cycle.
| • | The TCM requests the ECM to illuminate the malfunction indicator lamp (MIL) during the second consecutive drive trip in which the Conditions for Setting the DTC are met. |
| • | The TCM inhibits TCC engagement. |
| • | The TCM limits the commanded speed ratio to 1.6 or less. |
| • | The TCM freezes torque converter clutch (TCC) transmission adaptive functions. |
| • | The ECM records the operating conditions when the Conditions for Setting the DTC are met. The ECM stores this information as Freeze Frame and Failure Records. |
| • | The TCM records the operating conditions when the Conditions for Setting the DTC are met. The TCM stores this information as Failure Records. |
| • | The TCM stores DTC P0741 in TCM history during the second consecutive trip in which the Conditions for Setting the DTC are met. |
| • | The ECM turns OFF the MIL after the third consecutive drive trip in which the TCM does not send a MIL illumination request. |
| • | A scan tool can clear the MIL/DTC. |
| • | The TCM clears the DTC from TCM history if the vehicle completes 40 warm-up cycles without an emission related diagnostic fault occurring. |
| • | The TCM cancels the DTC default actions when the ignition switch is OFF long enough in order to power down the TCM. |
| • | Inspect the transmission fluid lines to the radiator. The lines may be pinched, plugged or twisted. |
| • | A worn or cut input shaft O-ring seal can cause DTC P0741 to set. |
| • | Inspect for sediment contamination caused by debonding of the TCC friction plate. |
The number below refers to the step number on the diagnostic table.
Step | Action | Values | Yes | No | ||||||||||||
|---|---|---|---|---|---|---|---|---|---|---|---|---|---|---|---|---|
1 | Did you perform the Diagnostic System Check - Engine Controls? | -- | Go to Step 2 | Go to Diagnostic System Check - Engine Controls in Engine Controls - 2.2L (L61) | ||||||||||||
Perform the Transmission Fluid Checking Procedure. Refer to Transmission Fluid Check . Did you perform the Transmission Fluid Checking Procedure? | -- | Go to Step 3 | Go to Transmission Fluid Check | |||||||||||||
3 |
Important:
Is the slip speed within the specified range? | -50 to +50 RPM | Go to Diagnostic Aids | Go to Step 4 | ||||||||||||
4 | Inspect for the following conditions:
Refer to Control Valve Body Assembly Disassemble . Did you find and correct any of the above conditions? | -- | Go to Step 7 | Go to Step 5 | ||||||||||||
5 | Inspect the torque converter and torque converter housing seal for damage or engagement. Refer to Torque Converter Assembly Removal . Did you find and correct a condition? | -- | Go to Step 7 | Go to Step 6 | ||||||||||||
6 | Inspect the stator shaft assembly for debris or damage restricting the fluid flow. Refer to Reverse Clutch Removal . Did you find and correct a condition? | -- | Go to Step 7 | -- | ||||||||||||
7 | Perform the following procedure in order to verify the repair:
Has the test run and passed? | -- | Go to Step 8 | Go to Step 2 | ||||||||||||
8 | With the scan tool, observe the stored information, capture info and DTC info. Does the scan tool display any DTCs that you have not diagnosed? | -- | Go to Diagnostic Trouble Code (DTC) List in Engine Controls - 2.2L (L61) | System OK |