GM Service Manual Online
For 1990-2009 cars only
Makes
🢒
Saturn
🢒
2004
🢒
VUE - FWD
🢒
Engine
🢒
Engine Cooling
🢒 HVAC Schematics
Figure
1:
Blower Controls
Master Electrical Component List
Air Temperature Description and Operation
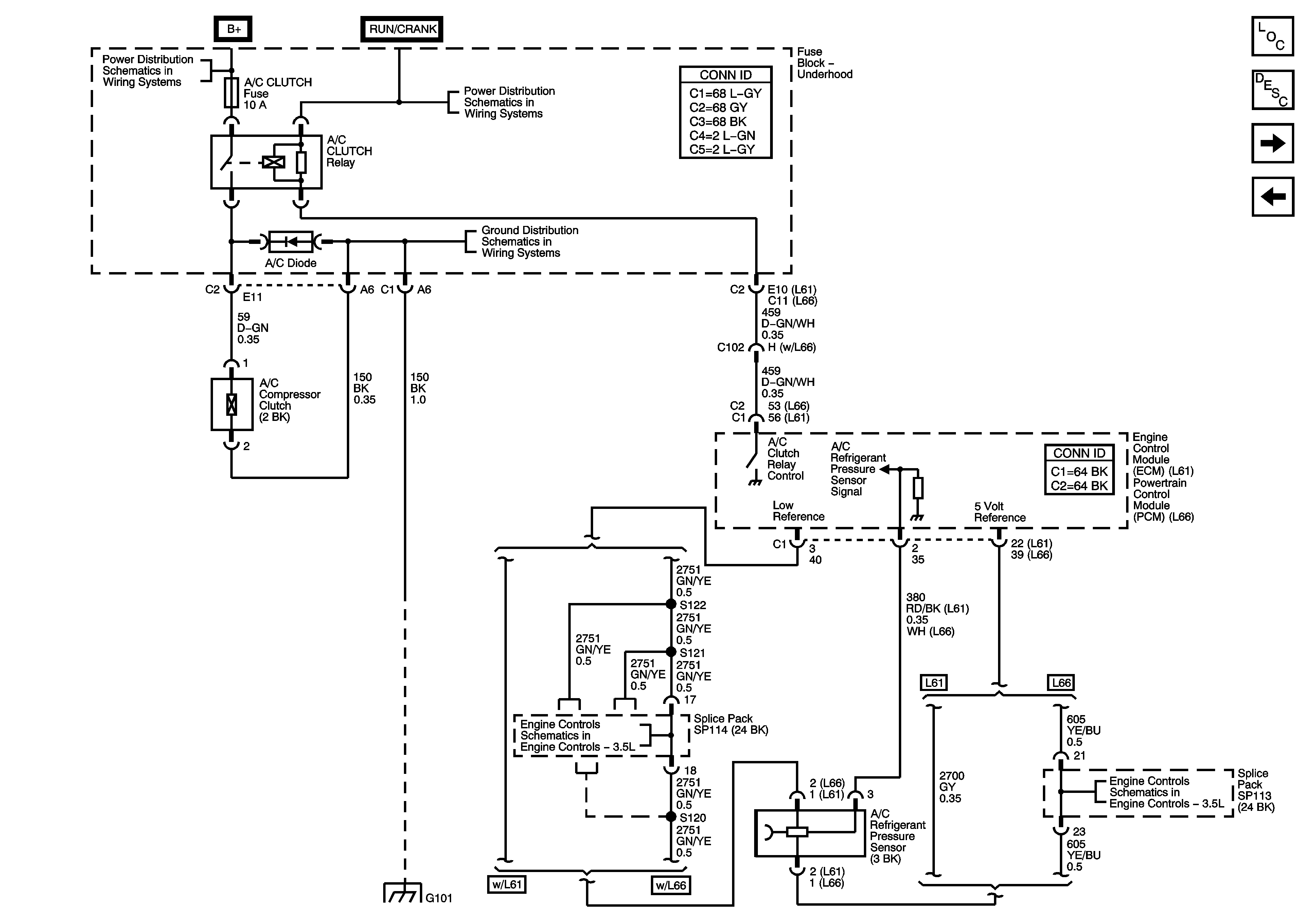
Compressor and Pressure Sensor Signals
IGN Fuse, Ignition Switch, and the Igntion Switch Position Circuits
Battery, Starter, Generator, PSCM, and the B+ Circuits to the Underhood Fuse Block
G203 and G205
Figure
2:
Compressor and Pressure Sensor Signals
Master Electrical Component List
Air Temperature Description and Operation
Actuators and EVAP Temp Sensor
Blower Controls
IGN Fuse, Ignition Switch, and the Igntion Switch Position Circuits
Battery, Starter, Generator, PSCM, and the B+ Circuits to the Underhood Fuse Block
G101
Engine Data Sensors - Low References
Engine Data Sensors - 5 Volt References
Figure
3:
Actuators and Evaporator Temperature Sensor
Master Electrical Component List
Air Delivery Description and Operation
Compressor and Pressure Sensor Signals