GM Service Manual Online
For 1990-2009 cars only
Makes
🢒
Saturn
🢒
2004
🢒
VUE - FWD
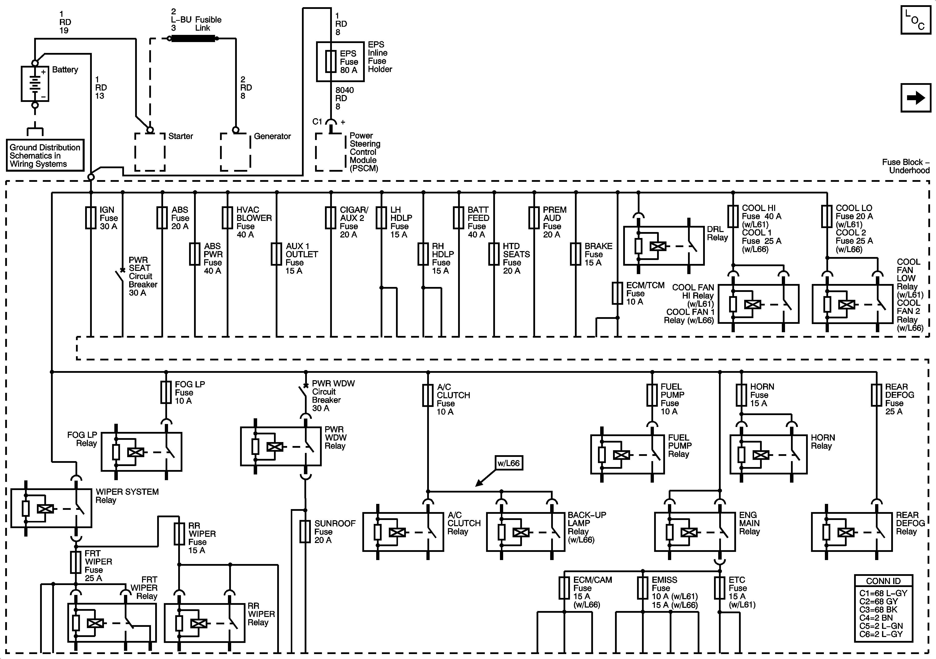
🢒 Battery, Starter, Generator, PSCM, and the B+ Circuits to the Underhood Fuse Block
Battery, Starter, Generator, PSCM, and the B+ Circuits to the Underhood Fuse Block
Battery, Starter, Generator, PSCM, and B+ to the Underhood Fuse Block
Master Electrical Component List
IGN Fuse, Ignition Switch, and the Igntion Switch Position Circuits
w/L66 - G103, G105, G107, G109, and G207