GM Service Manual Online
For 1990-2009 cars only
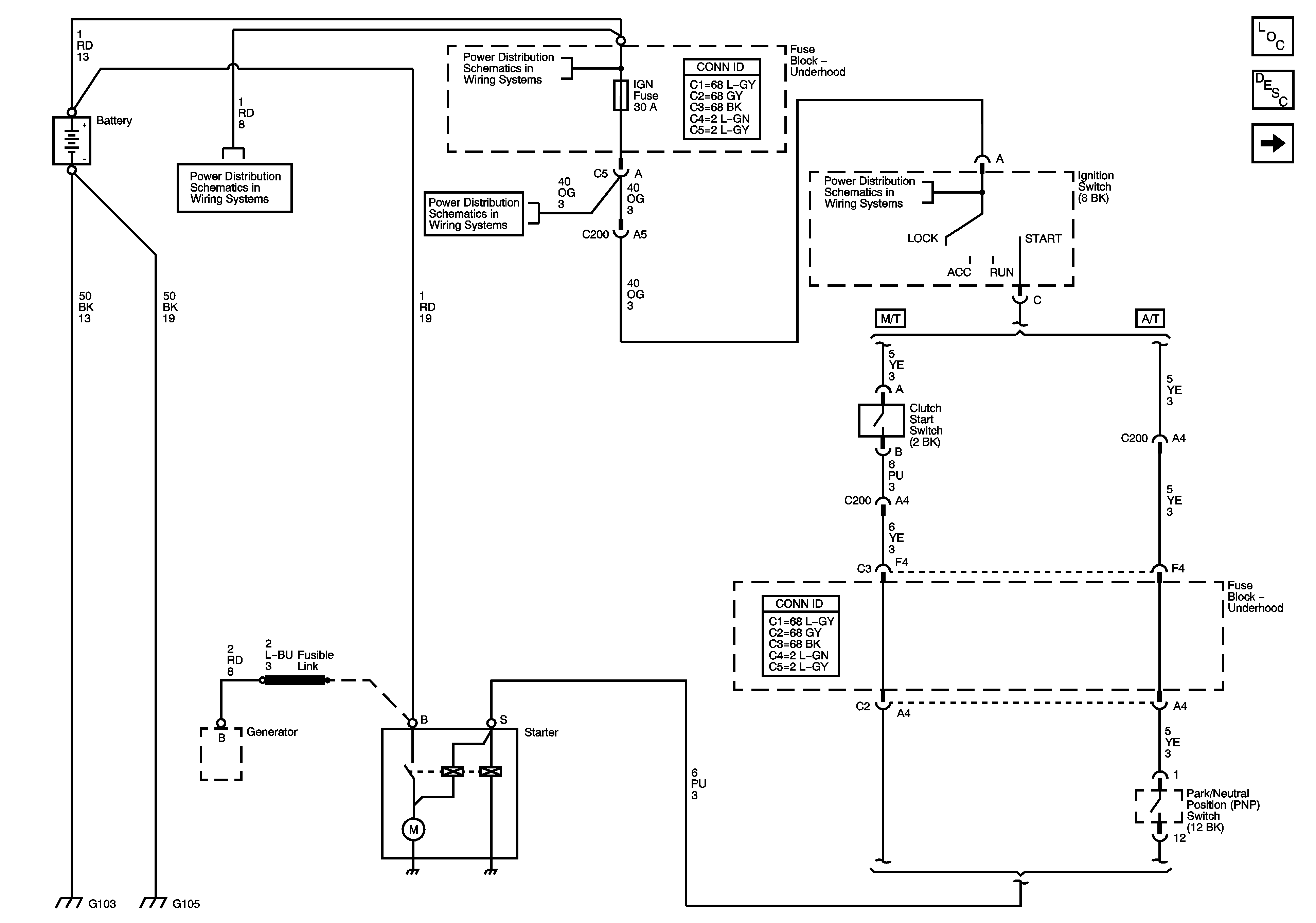
Figure 1:

Starting - L61


Object Number: 1303086  Size: FS
Master Electrical Component List
Starting System Description and Operation
Charging and Indicators
Battery, Starter, Generator, PSCM, and the B+ Circuits to the Underhood Fuse Block
Battery, Starter, Generator, PSCM, and the B+ Circuits to the Underhood Fuse Block
IGN Fuse, Ignition Switch, and the Igntion Switch Position Circuits
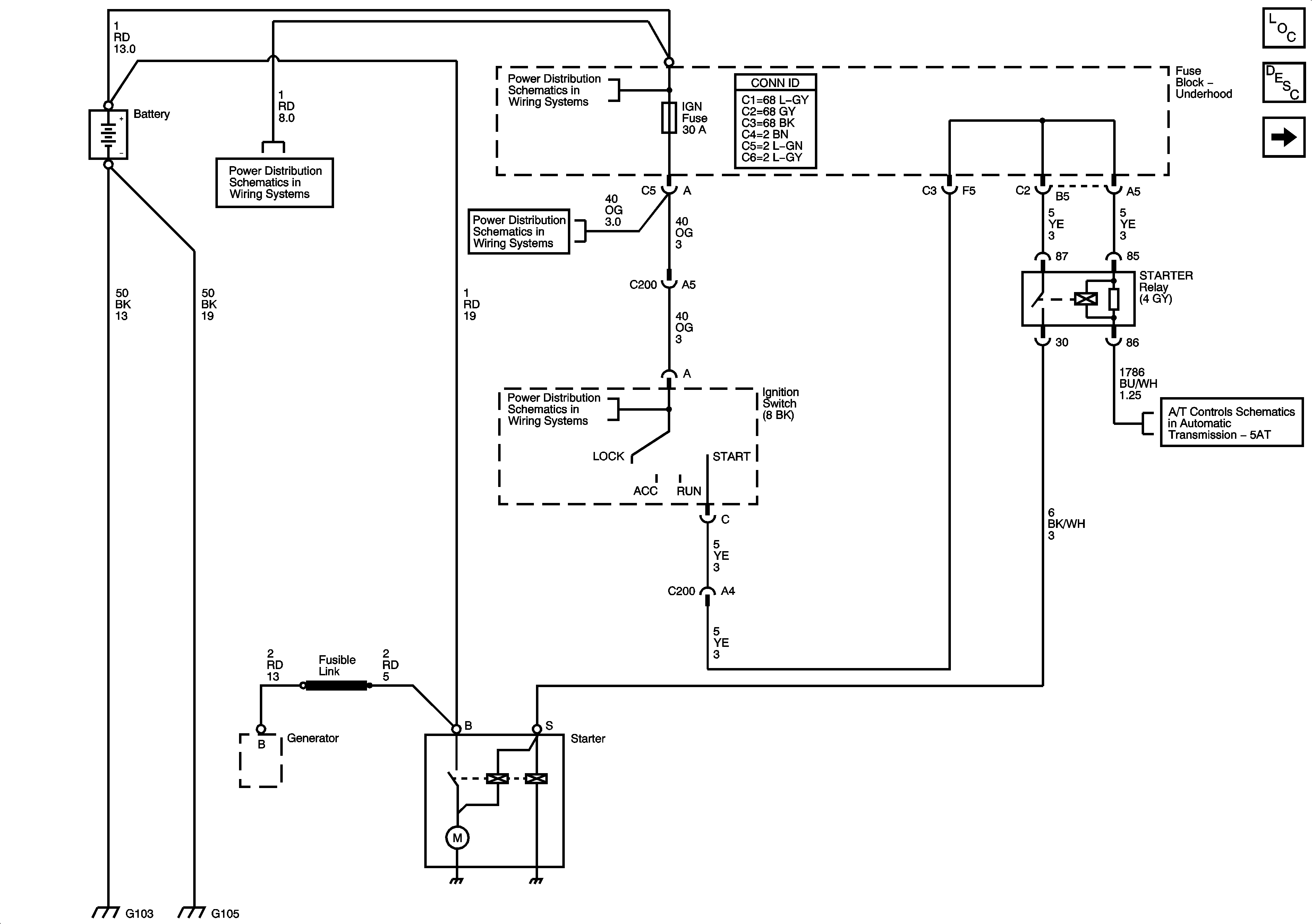
Figure 2:

Starting - L66


Object Number: 1303120  Size: FS
Master Electrical Component List
Starting System Description and Operation
Charging and Indicators
Battery, Starter, Generator, PSCM, and the B+ Circuits to the Underhood Fuse Block
Battery, Starter, Generator, PSCM, and the B+ Circuits to the Underhood Fuse Block
IGN Fuse, Ignition Switch, and the Igntion Switch Position Circuits
Power, Ground, PNP Switch, and Communication Data
Figure 3:

Charging and Indicators


Object Number: 1303158  Size: FS
Master Electrical Component List
Starting System Description and Operation
Starting - L66
Battery, Starter, Generator, PSCM, and the B+ Circuits to the Underhood Fuse Block
DLC Schematic