GM Service Manual Online
For 1990-2009 cars only
Makes
🢒
Saturn
🢒
2004
🢒
VUE - FWD
🢒
Body
🢒
Wiring Systems
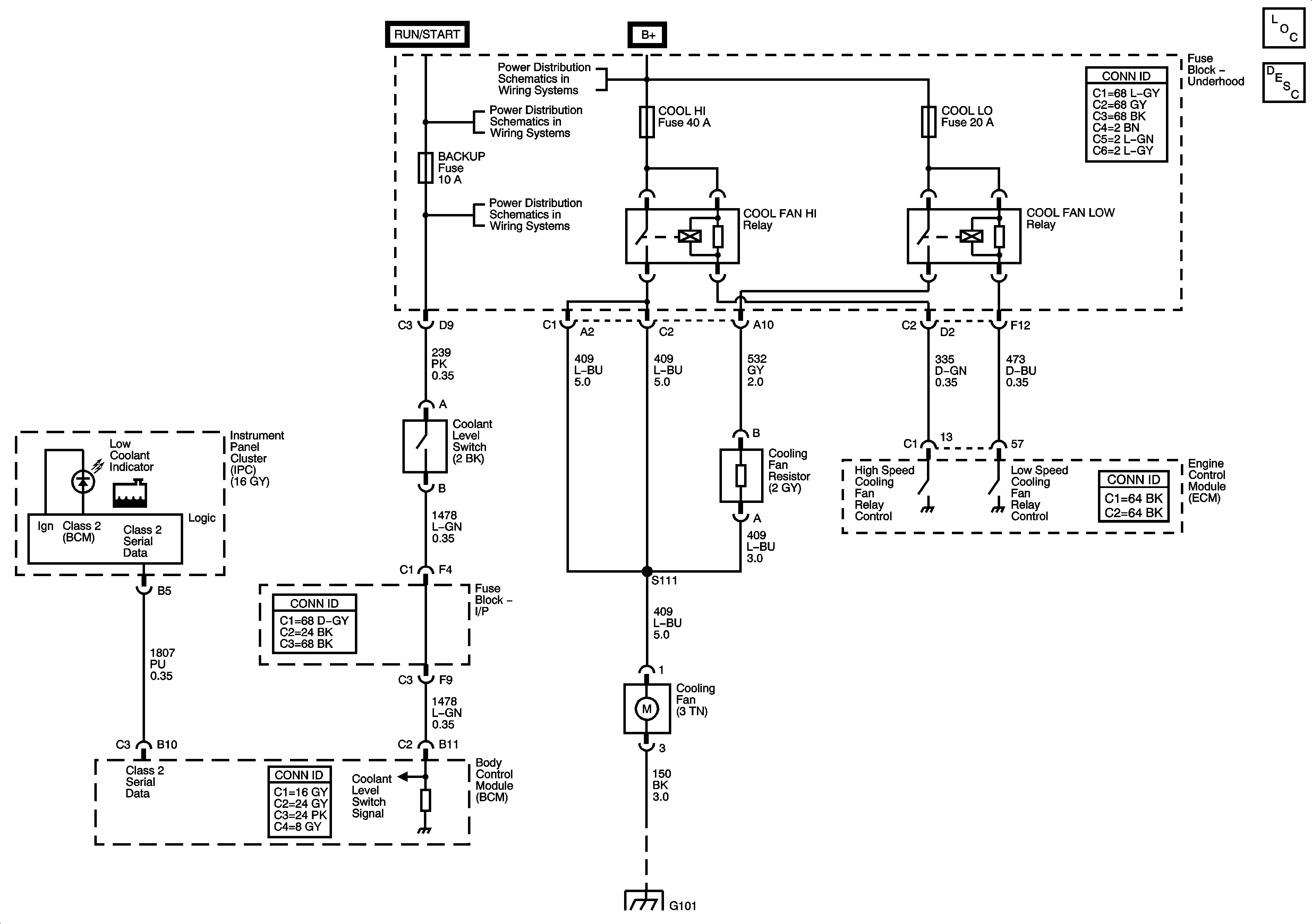
🢒 Engine Cooling Schematics
Engine Cooling Schematics L61
Master Electrical Component List
Cooling System Description and Operation
Battery, Starter, Generator, PSCM, and the B+ Circuits to the Underhood Fuse Block
IGN Fuse, Ignition Switch, and the Igntion Switch Position Circuits
BACKUP, PWR TRAIN, and ABS Fuses
G101
Engine Cooling Schematics L66
Master Electrical Component List
Cooling System Description and Operation
Battery, Starter, Generator, PSCM, and the B+ Circuits to the Underhood Fuse Block
IGN Fuse, Ignition Switch, and the Igntion Switch Position Circuits
BACKUP, PWR TRAIN, and ABS Fuses
G101