GM Service Manual Online
For 1990-2009 cars only
Makes
🢒
Saturn
🢒
2004
🢒
VUE - FWD
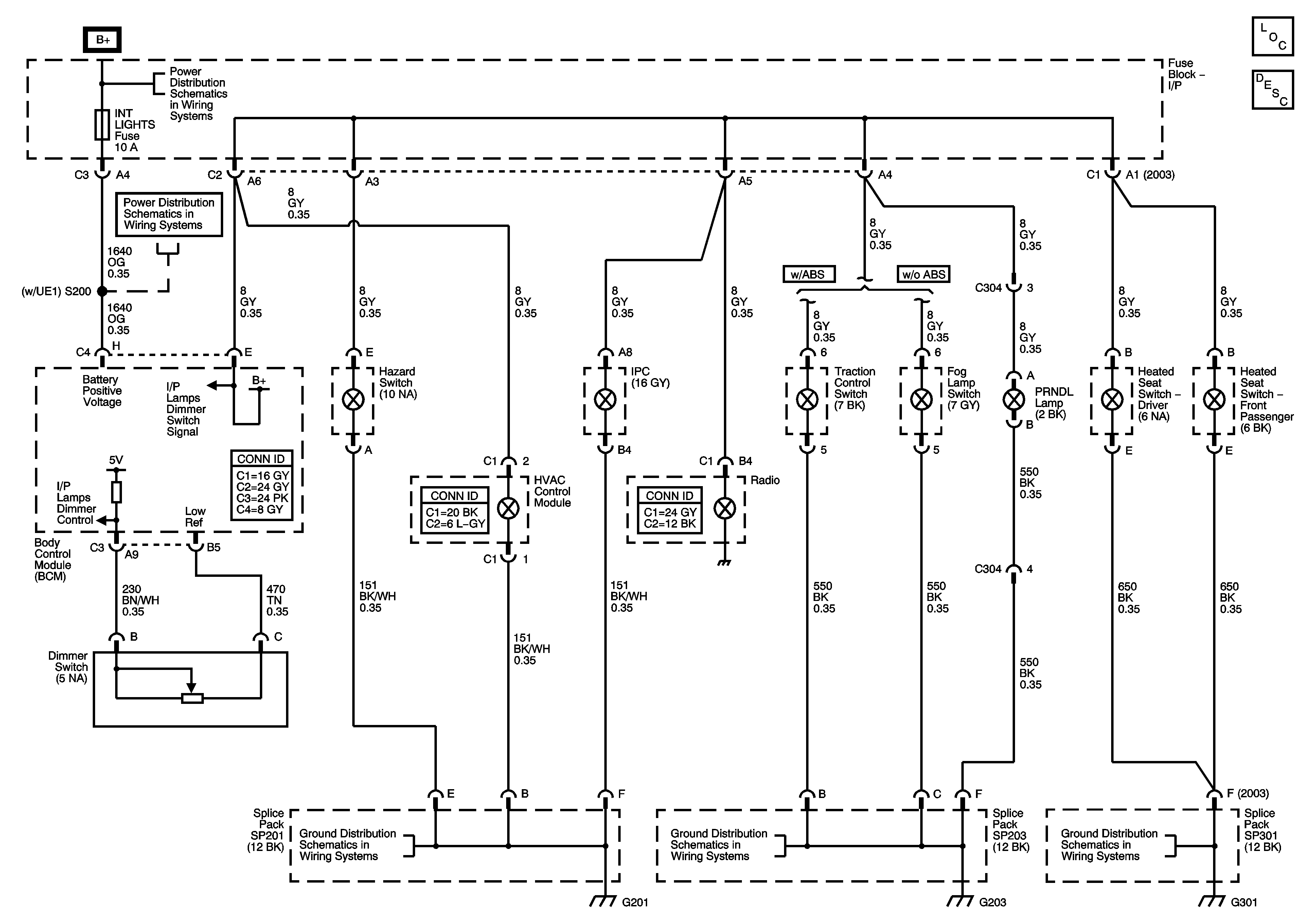
🢒 Interior Lights Dimming Schematic
Interior Lights Dimming Schematic
Master Electrical Component List
Interior Lighting Systems Description and Operation
LH HDLP,RH HDLP,HTD SEATS,BRAKE,PREM AUD, and BATT FEED Fuses
RADIO, BCM/CLUSTER, INT LIGHTS, PARK, HAZARD, and LOCK MIRROR Fuses
G301 - 2 of 2
G203 and G205
G201