GM Service Manual Online
For 1990-2009 cars only
Makes
🢒
Saturn
🢒
2004
🢒
VUE - FWD
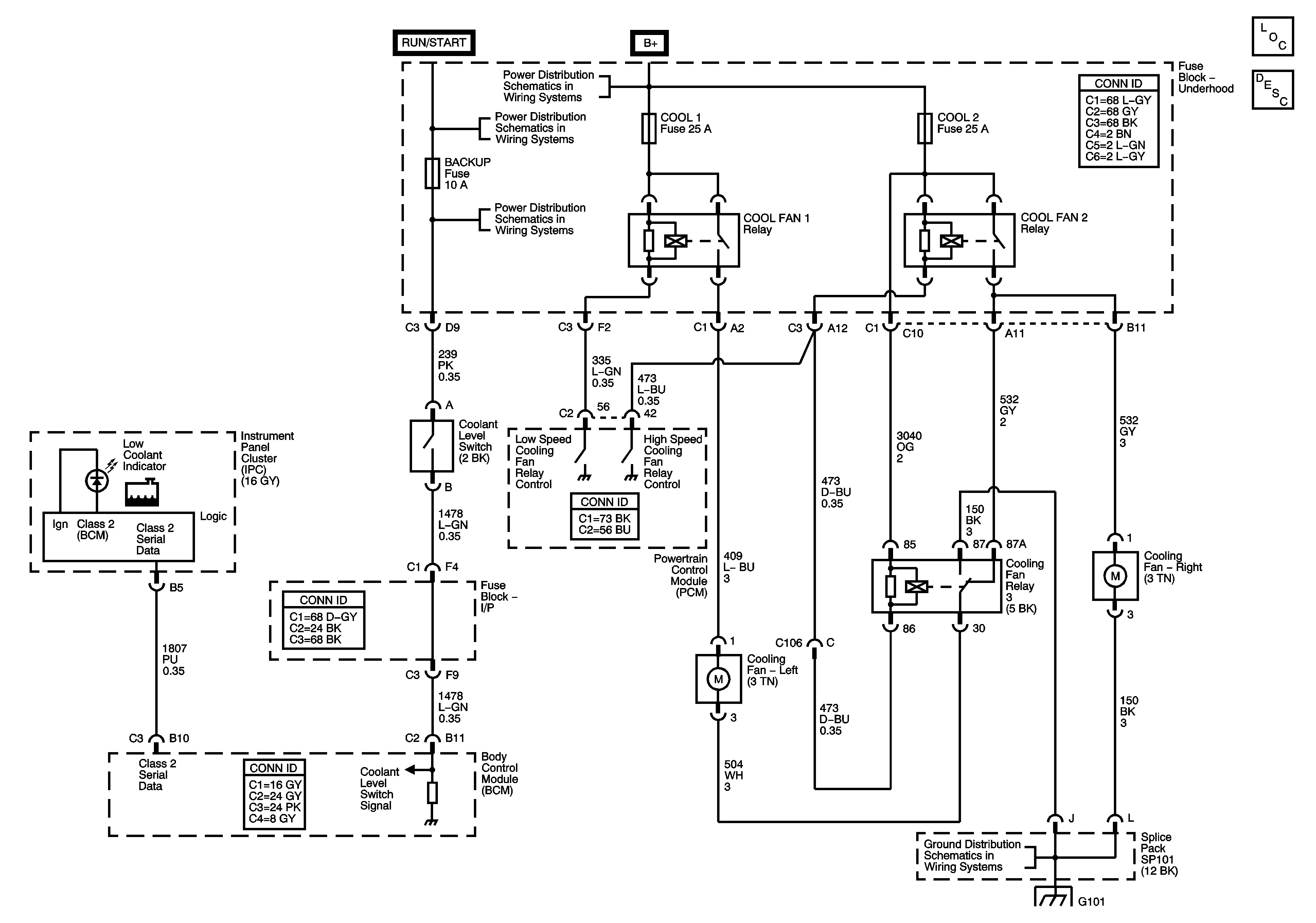
🢒 Engine Cooling Schematic (L66)
Engine Cooling Schematic (L66)
Master Electrical Component List
Cooling System Description and Operation
Battery, Starter, Generator, PSCM, and the B+ Circuits to the Underhood Fuse Block
IGN Fuse, Ignition Switch, and the Igntion Switch Position Circuits
BACKUP, PWR TRAIN, and ABS Fuses
G101