GM Service Manual Online
For 1990-2009 cars only

Object Number: 1246920  Size: MF
Master Electrical Component List
Automatic Transmission Controls Schematics
OBD II Symbol Description Notice

Circuit Description

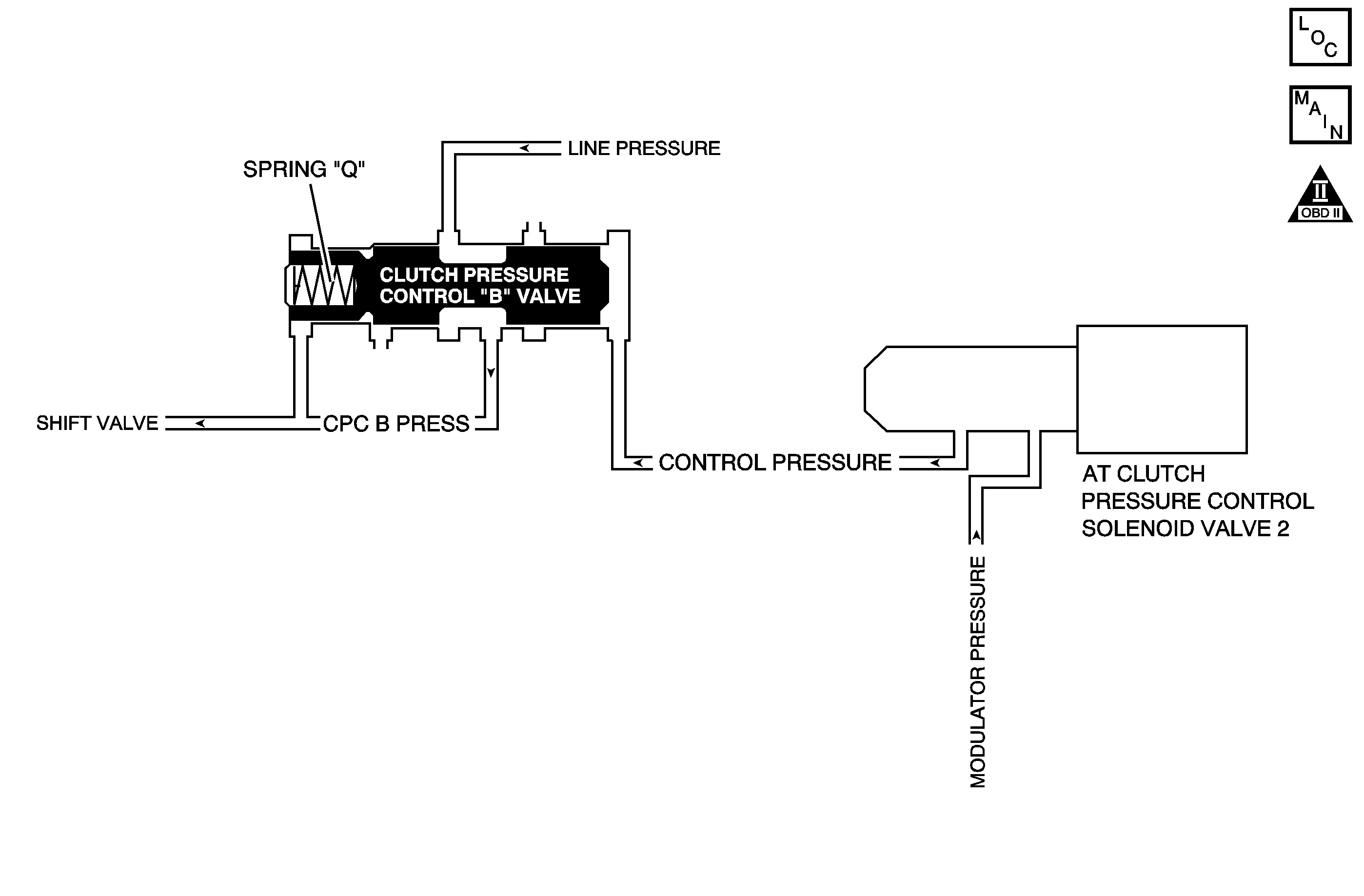
The automatic transmission (AT) clutch pressure control (PC) solenoid valve 2 is mounted to the transmission case. Upon receiving a linear current from the PCM, the AT clutch PC solenoid valve 2 converts the modulated pressure to a regulated control pressure, and supplies it for use in the pressure regulation using the spring P at the clutch pressure control valve. The linear current from the PCM is output to the clutch of an appropriate gear position, as determined by the shift schedule, so that a clutch control pressure appropriate for the driving condition is supplied. When the linear current from the PCM is on the high current side, linear solenoid 2 operates and the pressure regulation control pressure shifts to the low pressure side, OFF. When the linear current is on the low voltage side, linear solenoid 2 stops operating and the pressure regulation control pressure shifts to the high pressure side, ON. The PCM monitors mainshaft to output shaft speed ratio in the gear positions determined by the shift schedule. When the incorrect ratio for the commanded gear is detected, the PCM determines it as a fault of the linear solenoid and DTC P0777 sets. DTC P0777 is a type B DTC.

Conditions for Running the DTC

    • No TP DTCs P0122, P0123, P0222, or P0223.
    • No VSS DTCs P0501, P0502, or P0503.
    • No TR Switch DTC P0705.
    • No AT ISS DTCs P0716, P0717, or P0718.
    • No Clutch PC Solenoid 1 DTCs P0746 or P0747.
    • No SS Valve Performance DTCs P0751, P0752, P0756, P0757, or P0761.
    • No Clutch PC Solenoid 2 DTC P0777.
    • No Incorrect Shift Pattern DTC P0780.
    • No Clutch Pressure Control Solenoid Electrical DTCs P0962 or P0963.
    • No Clutch Pressure Control Solenoid 2 DTCs P0966 or P0967.
    • No SS 1 DTCs P0973 or P0974.
    • No SS 2 DTCs P0976 or P0977.
    • No SS 3 DTCs P0979 or P0980.
    • No TAC DTCs P2101, P2108, P2111, P2112, or P2553.
    • No APP DTC P2122, P2123, P2127, P2128, P2135, or P2138.
    • No Minimum Idle Position DTC P2176.
    • No TCC PC Solenoid DTCs P2763 or P2764.
    • No TCC Enable Solenoid DTCs P2769 or P2770.
    • No TAC Communication DTC U0107.
    • System voltage is greater than 11 volts.
    • Engine coolant temperature is 10°C (50°F).
    • TFT is -20°C (-4°F) or greater.
    • Start the engine and drive so that the transmission shifts from 1st to 5th gear.

Conditions for Setting the DTC

The engine speed rises abnormally in all upshift operations except 1-2 upshift.

Action Taken When the DTC Sets

    • The PCM illuminates the malfunction indicator lamp (MIL) during the second consecutive trip in which the Conditions for Setting the DTC are met.
    • The PCM limits the transmission shift to 4th gear.
    • The PCM records the operating conditions when the Conditions for Setting the DTC are met. The PCM stores this information as Freeze Frame and Failure Records.
    • The PCM stores DTC P0777 in PCM history.

Conditions for Clearing the MIL/DTC

    • The PCM turns OFF the MIL during the third consecutive trip in which the diagnostic test runs and passes.
    • A scan tool can clear the MIL/DTC.
    • The PCM clears the DTC from PCM history if the vehicle completes 40 warm-up cycles without an emission related diagnostic fault occurring.
    • The PCM cancels the DTC default actions when the ignition switch is OFF long enough in order to power down the PCM.

Diagnostic Aids

    • Inspect for a stuck ON AT clutch PC solenoid valve 2.
    • Inspect for a stuck CPC valve B.

Test Description

The numbers below refer to the step numbers on the diagnostic table.

  1. This step inspects the transmission fluid to ensure that it is at the proper level.

  2. During the clutch PC solenoid valve 2 operation, listen for an audible click. Command the ON and the OFF states. Repeat the commands as necessary.

Step

Action

Yes

No

1

Did you perform the Diagnostic System Check - Engine Controls?

Go to Step 2

Go to Diagnostic System Check - Engine Controls in Engine Controls - 3.5L (L66)

2

Did you perform the Transmission Fluid Checking Procedure?

Go to Step 3

Go to Transmission Fluid Check

3

  1. Install a scan tool.
  2. Turn ON the ignition, with the engine OFF.
  3. Important: Before clearing the DTC, use the scan tool in order to record the Freeze Frame and Failure Records. Using the Clear Info function erases the Freeze Frame and Failure Records from the PCM.

  4. Record the DTC Freeze Frame and Failure Records.
  5. Clear the DTC.
  6. Drive the vehicle in 5th gear at speeds above 80 km/h (50 mph).

Does the DTC reset?

Go to Step 4

Go to Diagnostic Aids

4

  1. Turn ON the ignition with the engine OFF.
  2. With a scan tool, command the clutch PC solenoid 2 Functional test ON.

Does the Clutch PC Solenoid 2 Functional Test Status display complete?

Go to Step 5

Go to Step 6

5

  1. Inspect for the following conditions:
  2. • The pressure regulator valve for being stuck due to sediment or binding
    • The clutch PC solenoid valve 2 fluid circuits for leaks
  3. Repair any of the above conditions as necessary.

Did you complete the repair?

Go to Step 7

--

6

Replace the clutch PC solenoid valve 2. Refer to Torque Converter Clutch Solenoid Replacement .

Did you complete the replacement?

Go to Step 7

--

7

Perform the following procedure in order to verify the repair:

  1. Select DTC.
  2. Select Clear Info.
  3. Drive the vehicle in 5th gear at speeds above 80 km/h (50 mph).
  4. Select Specific DTC.
  5. Enter DTC P0777.

Has the test run and passed?

Go to Step 8

Go to Step 2

8

With the scan tool, observe the stored information, capture info and DTC info.

Does the scan tool display any DTCs that you have not diagnosed?

Go to Diagnostic Trouble Code (DTC) Types in Engine Controls - 3.5L (L66)

System OK