GM Service Manual Online
For 1990-2009 cars only
Makes
🢒
Saturn
🢒
2006
🢒
VUE - FWD
🢒
Body
🢒
Doors
🢒 Door Lock/Indicator Schematics
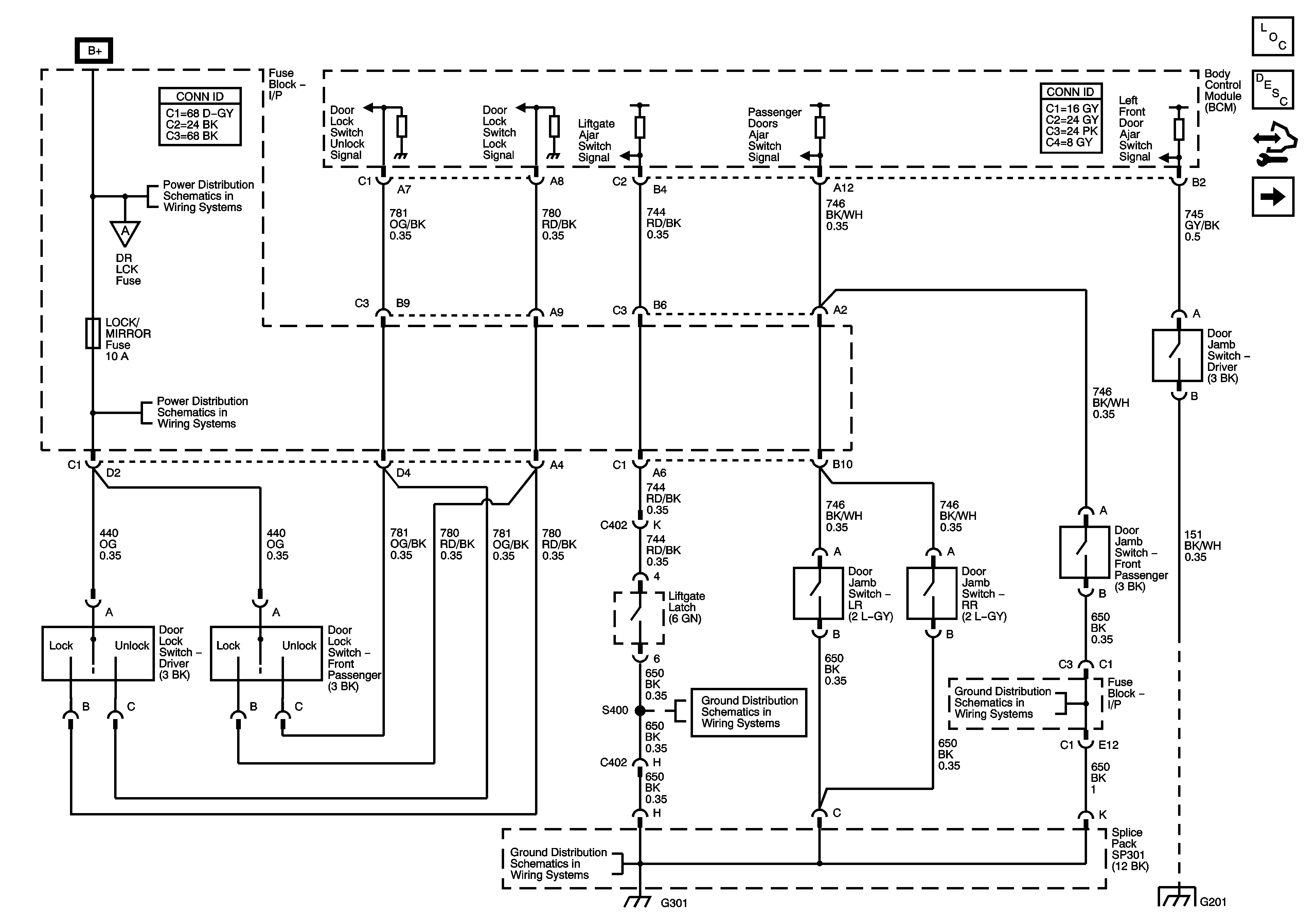
Figure
1:
Lock Switches and Ajar Signals
Master Electrical Component List
Door Ajar Indicator Description and Operation
Control Module References
Door Lock Controls
PWR SEAT Circuit Breaker, LH HDLP Fuse, RH HDLP Fuse, BRAKE Fuse, PREM AUD Fuse, BATT FEED Fuse and the HTD SEATS Fuse
Door Lock Controls
RADIO Fuse, LOCK/MIRROR Fuse, BCM/CLUSTER Fuse, INT LTS Fuse, PARK Fuse and the HZRD Fuse
G301 - 2 of 2
G103 - 1 of 2
G103 - 1 of 2
G201
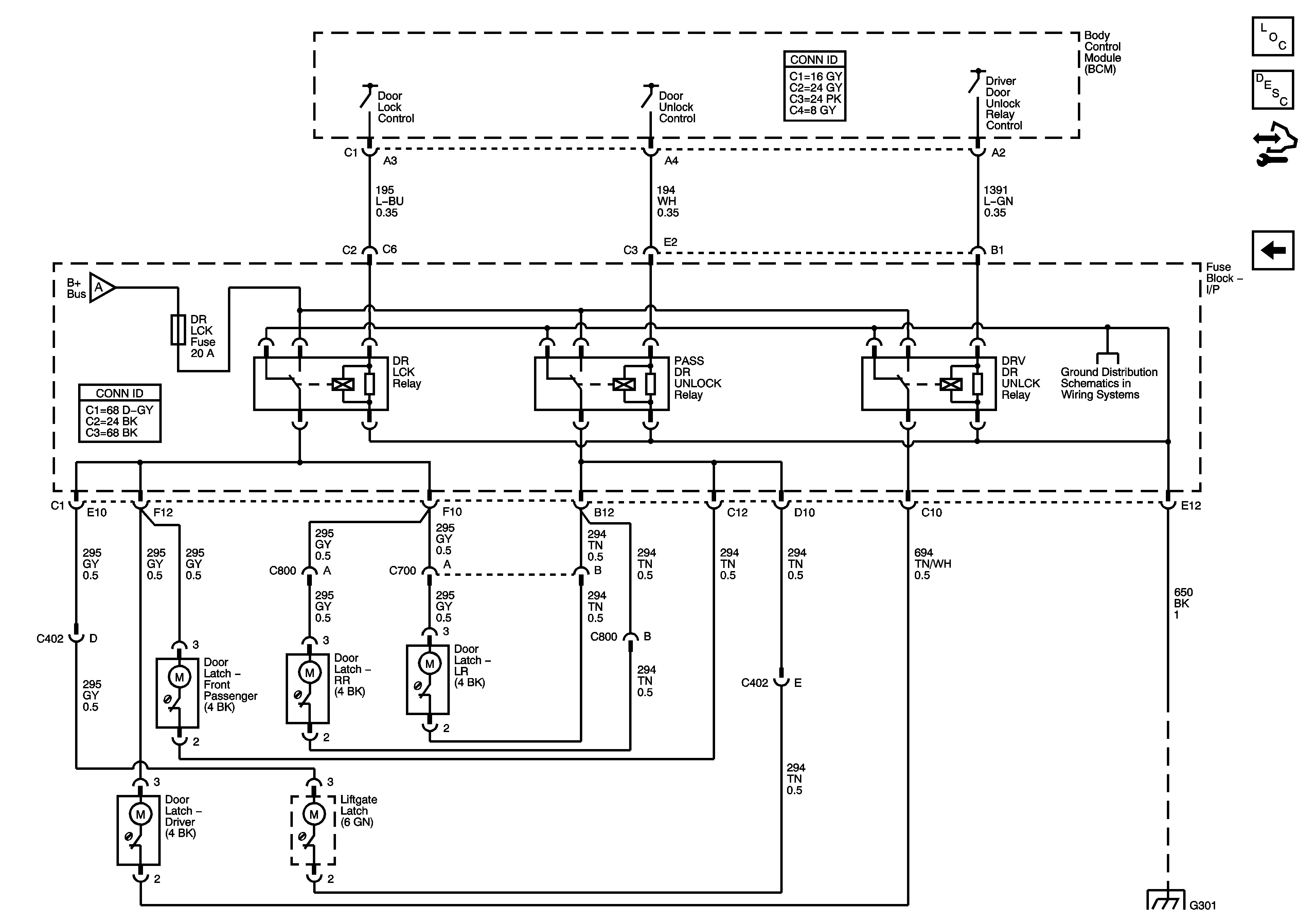
Figure
2:
Door Lock Controls
Master Electrical Component List
Power Door Locks Description and Operation
Control Module References
Lock Switches and Ajar Signals
G103 - 1 of 2
Master Electrical Component List