GM Service Manual Online
For 1990-2009 cars only
Makes
🢒
Saturn
🢒
2006
🢒
VUE - FWD
🢒
Body
🢒
Wiring Systems
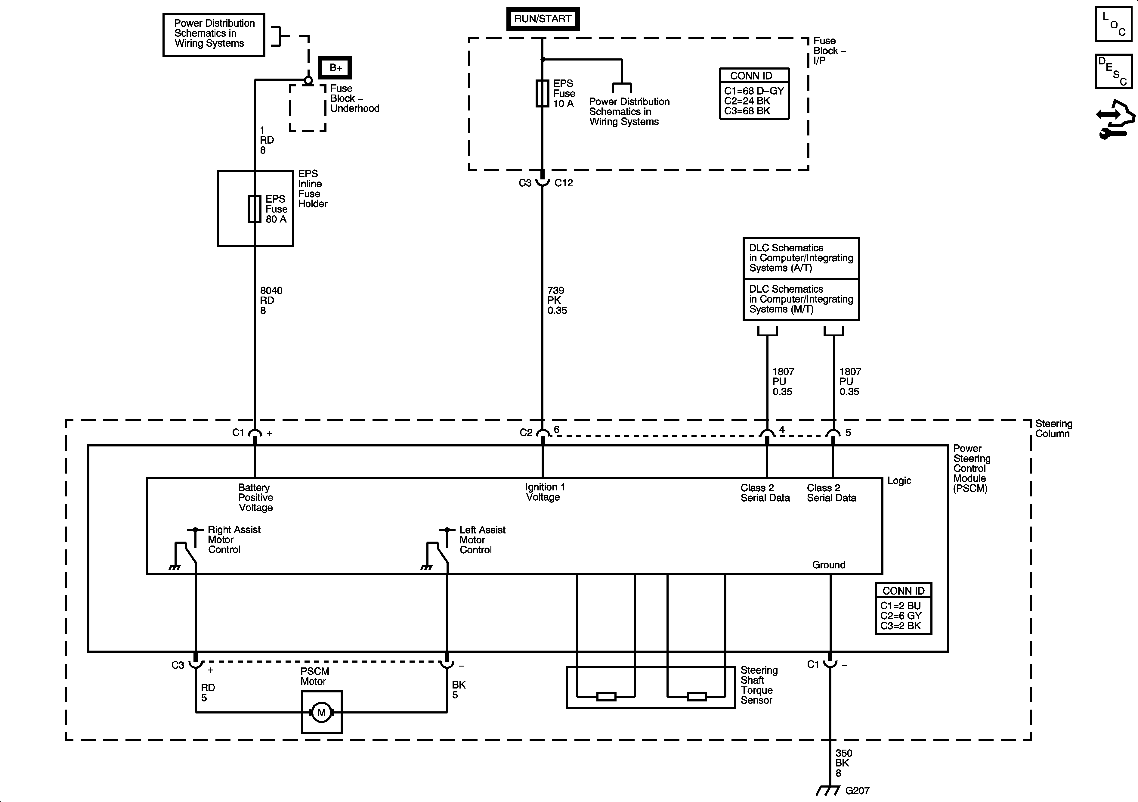
🢒 Power Steering Schematics
Master Electrical Component List
Power Steering System Description and Operation
Control Module References
B+ Bussing and the EPS Fuse
IGN1 Fuse, BCM(IGN) Fuse, AIR BAG Fuse, EPS Fuse and the CRUISE Fuse
L66
DLC Schematic (M/T)