GM Service Manual Online
For 1990-2009 cars only
Figure 1:

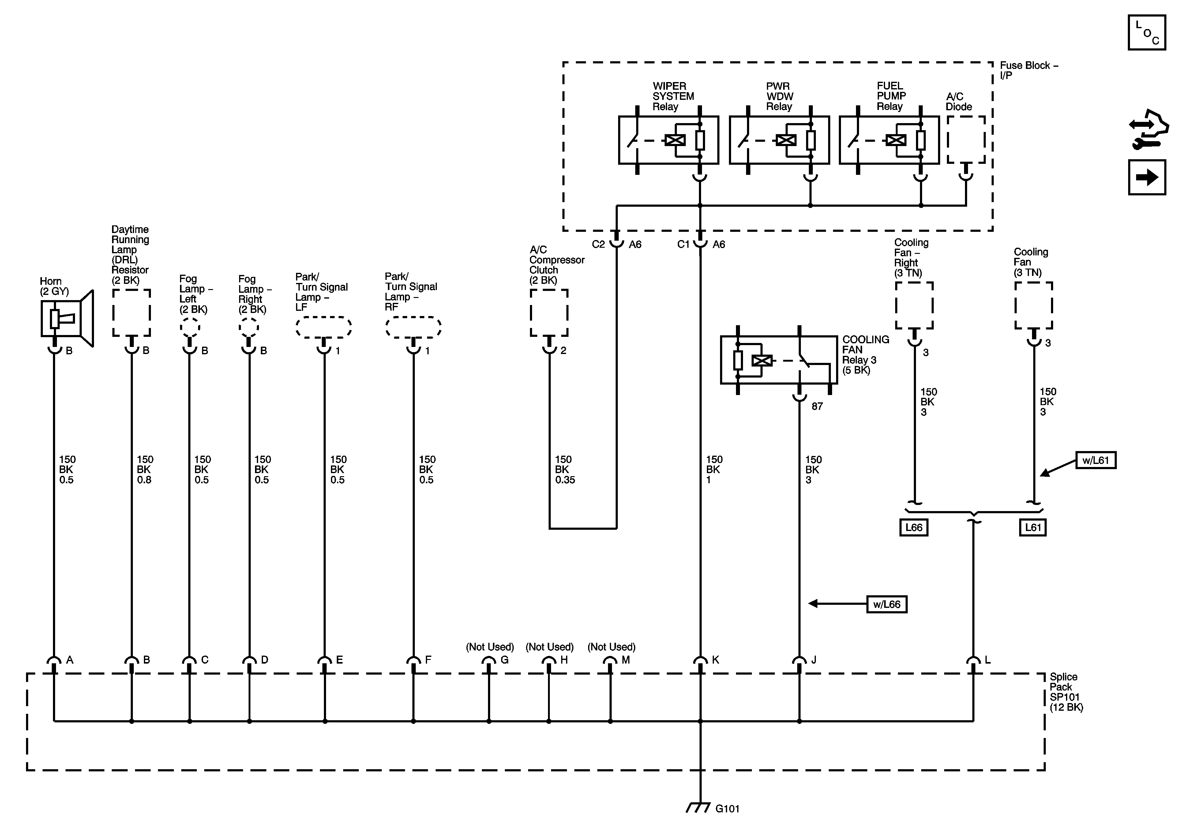
G101


Object Number: 1583942  Size: FS
Master Electrical Component List
Control Module References
G107 and G109 - L66
Figure 2:

G107 and G109 - L66


Object Number: 1583943  Size: FS
Master Electrical Component List
Control Module References
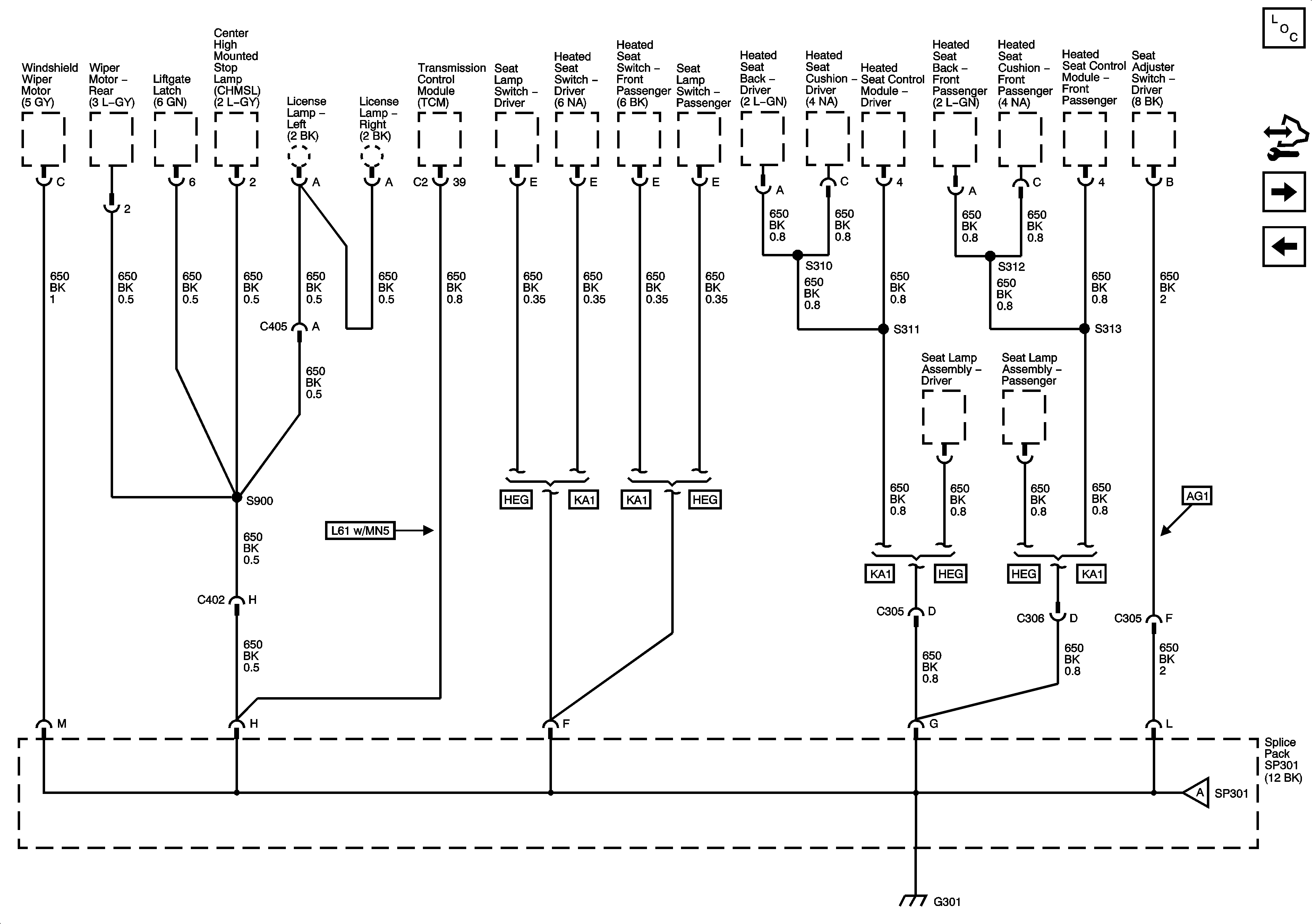
G103, G105 and G207
G101
Figure 3:

G103, G105 and G207


Object Number: 1583944  Size: FS
Master Electrical Component List
Control Module References
G201
G107 and G109 - L66
Figure 4:

G201


Object Number: 1583945  Size: FS
Master Electrical Component List
Control Module References
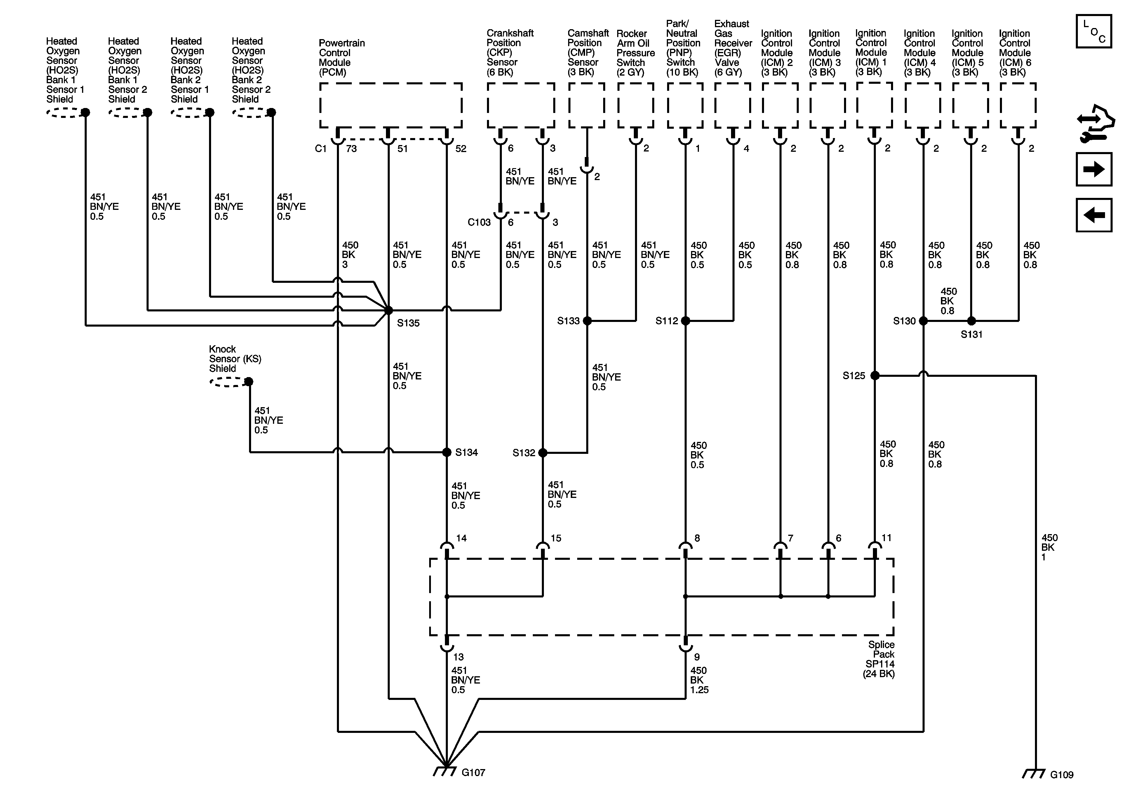
G203 and G205
G103, G105 and G207
SIR Caution for Zoning
SIR Caution for Zoning
SIR Caution for Zoning
Figure 5:

G203 and G205


Object Number: 1583946  Size: FS
Master Electrical Component List
Control Module References
G103 - 1 of 2
G201
Figure 6:

G301 1 of 2


Object Number: 1583947  Size: FS
Master Electrical Component List
Control Module References
G301 - 2 of 2
G203 and G205
G301 - 2 of 2
Figure 7:

G301 2 of 2


Object Number: 1583948  Size: FS
Master Electrical Component List
Control Module References
G401 and G403
G103 - 1 of 2
G103 - 1 of 2
Figure 8:

G401 and G403


Object Number: 1583949  Size: FS
Master Electrical Component List
Control Module References
G301 - 2 of 2