GM Service Manual Online
For 1990-2009 cars only
Makes
🢒
Saturn
🢒
2006
🢒
VUE - FWD
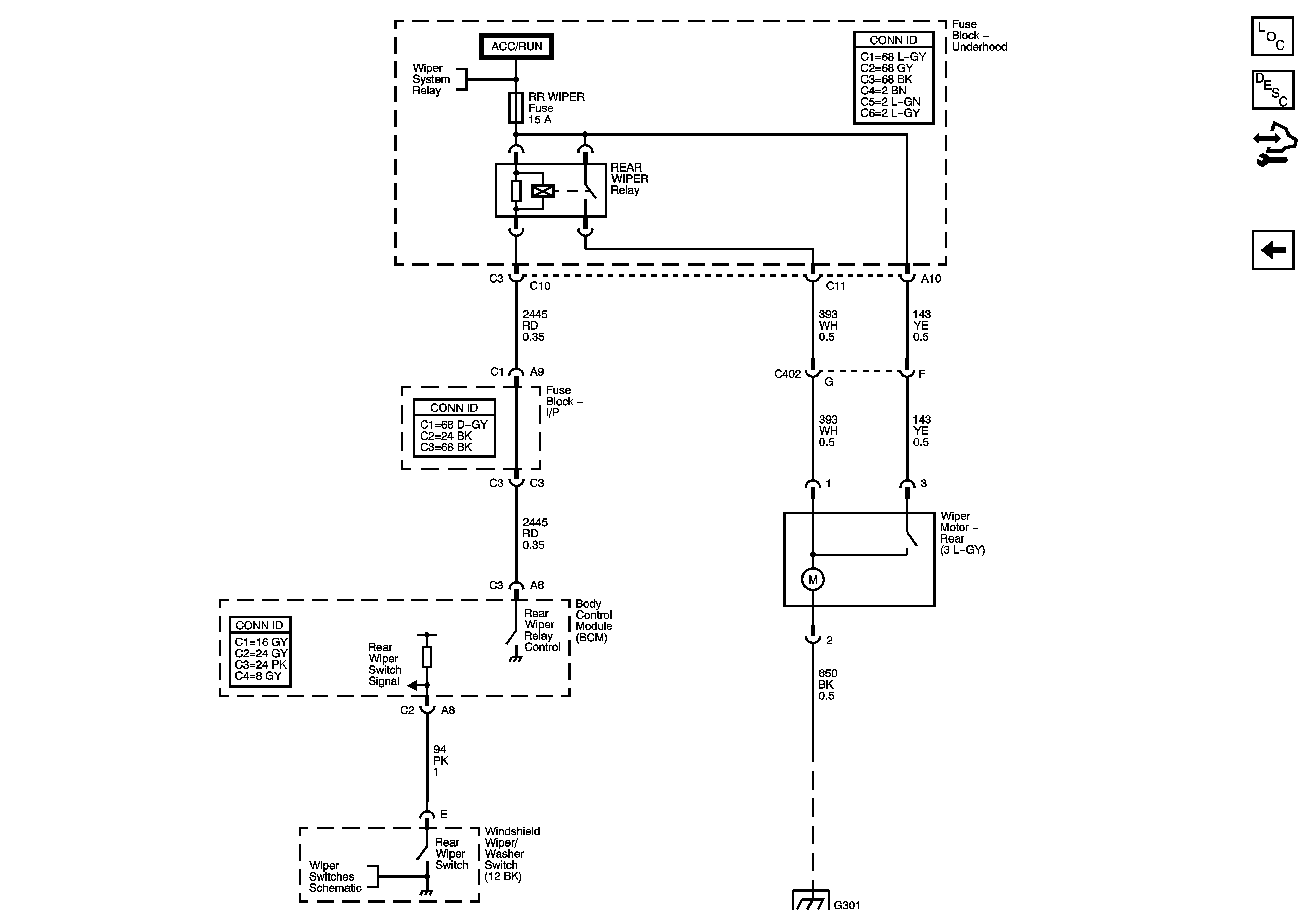
🢒 Rear Wiper Motor and Switch
Rear Wiper Motor and Switch
Rear Wiper Motor and Switch
Master Electrical Component List
Wiper/Washer System Description and Operation
Control Module References
Switch
B+ Bussing and the EPS Fuse
Switch
G301 - 2 of 2