GM Service Manual Online
For 1990-2009 cars only
Makes
🢒
Saturn
🢒
2006
🢒
VUE - FWD
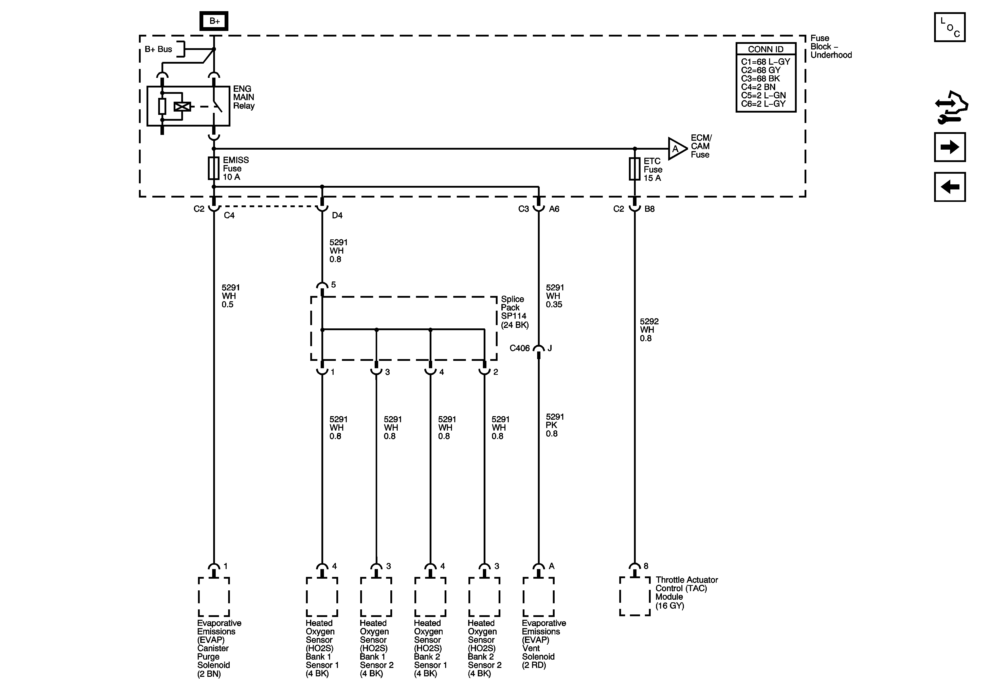
🢒 EMISS Fuse and the ETC Fuse - L66
EMISS Fuse and the ETC Fuse - L66
EMISS and ETC Fuses - L66
Master Electrical Component List
Control Module References
ECM/CAM Fuse - L66
IGN/INJ Fuse, EMISS Fuse and the ETC Fuse - L61
B+ Bussing and the EPS Fuse
ECM/CAM Fuse - L66