GM Service Manual Online
For 1990-2009 cars only
Makes
🢒
Saturn
🢒
2006
🢒
VUE - FWD
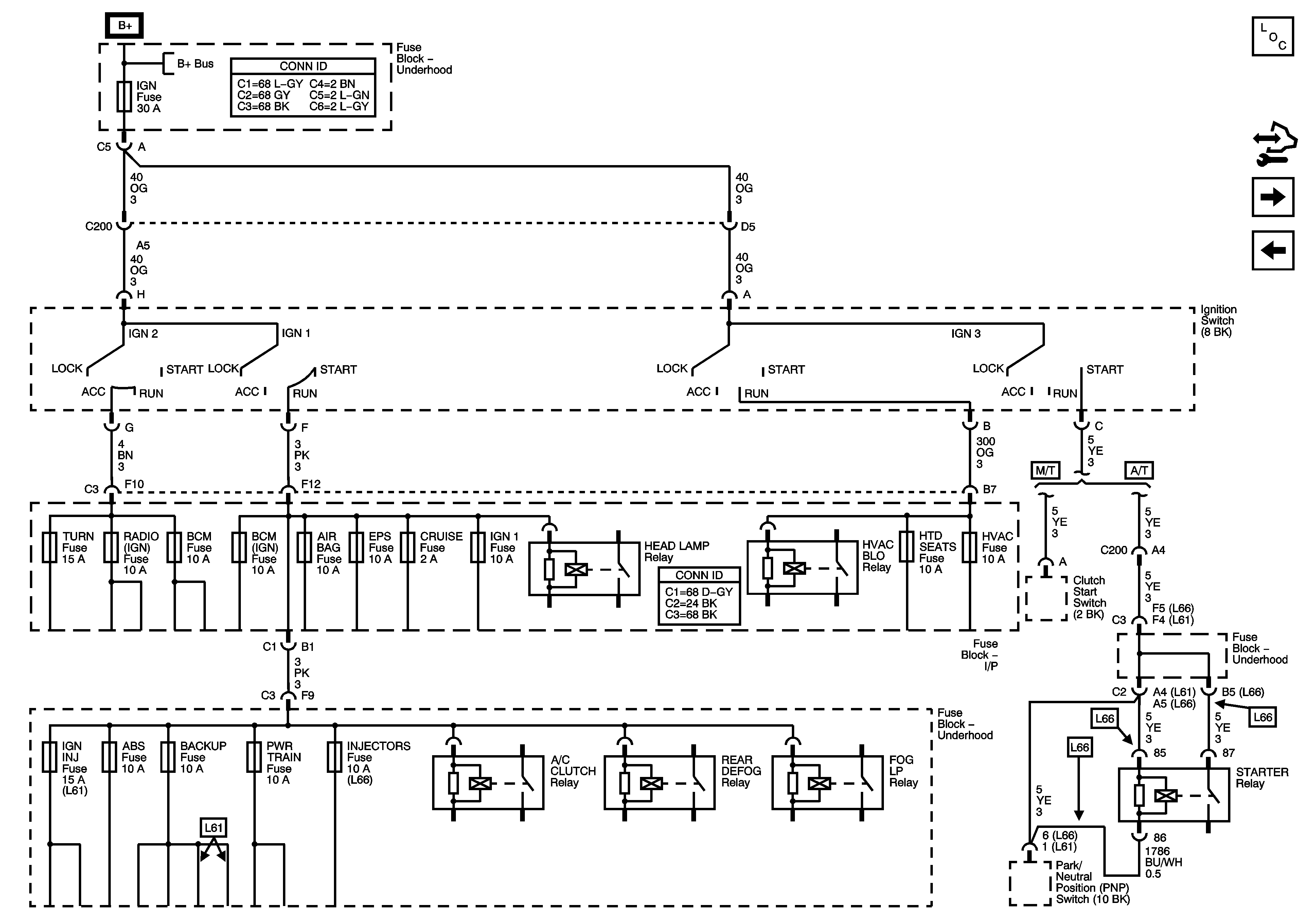
🢒 IGN Fuse and the Ignition Switch Circuits
IGN Fuse and the Ignition Switch Circuits
IGN Fuse and the Ignition Switch Circuits
Master Electrical Component List
Control Module References
BACKUP Fuse, PWR TRAIN Fuse, 10A ABS Fuse and the INJECTORS (L66) Fuse
ECM/CAM Fuse - L66
B+ Bussing and the EPS Fuse