GM Service Manual Online
For 1990-2009 cars only
Makes
🢒
Saturn
🢒
2006
🢒
VUE - FWD
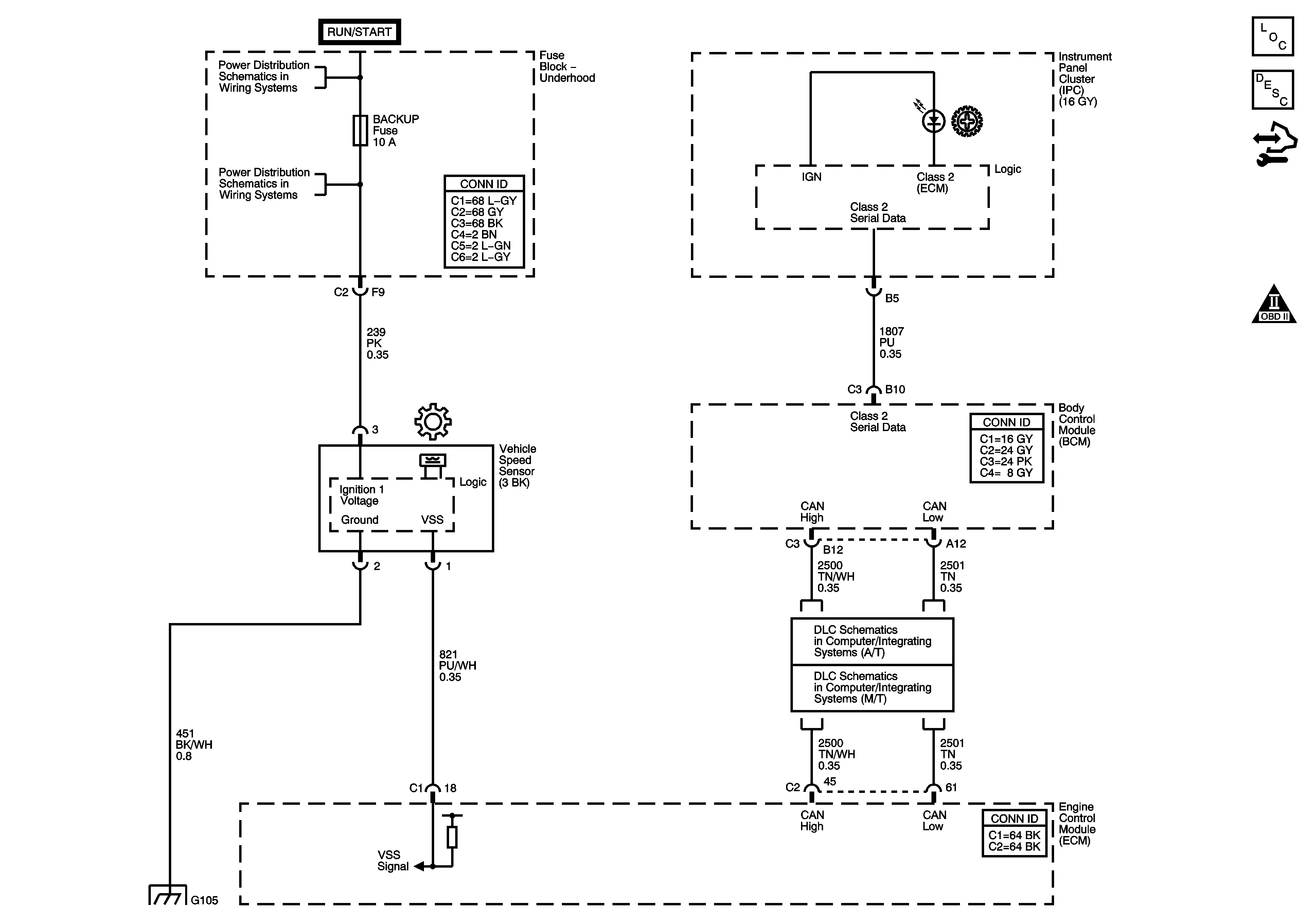
🢒 Manual Transmission Schematic
Manual Transmission Schematic
Master Electrical Component List
Transmission System Description and Operation
Control Module References
Manual Transmission Schematic Icons
IGN Fuse and the Ignition Switch Circuits
BACKUP Fuse, PWR TRAIN Fuse, 10A ABS Fuse and the INJECTORS (L66) Fuse
G103, G105 and G207
L66
DLC Schematic (M/T)