GM Service Manual Online
For 1990-2009 cars only
Makes
🢒
Saturn
🢒
2006
🢒
VUE - FWD
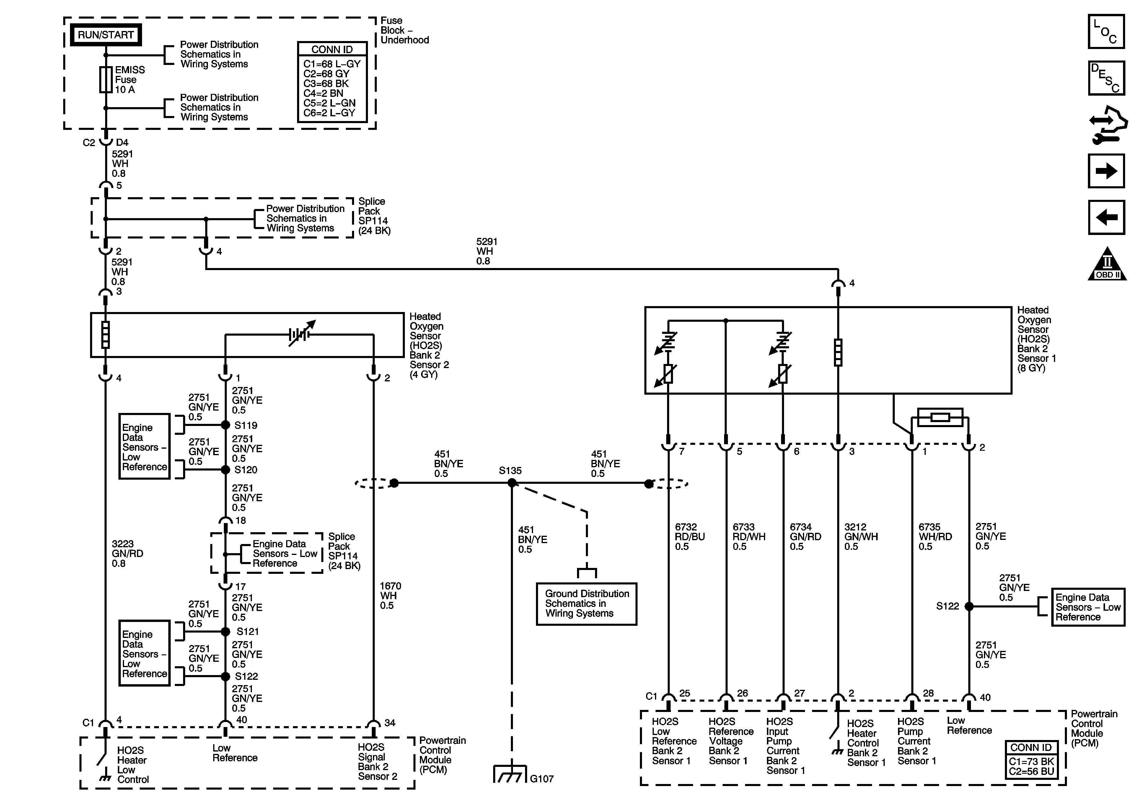
🢒 Engine Data Sensors - Bank 2 Oxygen Sensors
Engine Data Sensors - Bank 2 Oxygen Sensors
Engine Data Sensors - Bank 2 Oxygen Sensors
Master Electrical Component List
Powertrain Control Module Description
Control Module References
Engine Data Sensors - Throttle Actuator Controls
Engine Data Sensors - Bank 1 Oxygen Sensors
Engine Controls Schematic Icons
IGN/INJ Fuse, EMISS Fuse and the ETC Fuse - L61
EMISS Fuse and the ETC Fuse - L66
G107 and G109 - L66
G107 and G109 - L66
EMISS Fuse and the ETC Fuse - L66
Low References
Low References
Low References