GM Service Manual Online
For 1990-2009 cars only
Makes
🢒
Saturn
🢒
2006
🢒
VUE - FWD
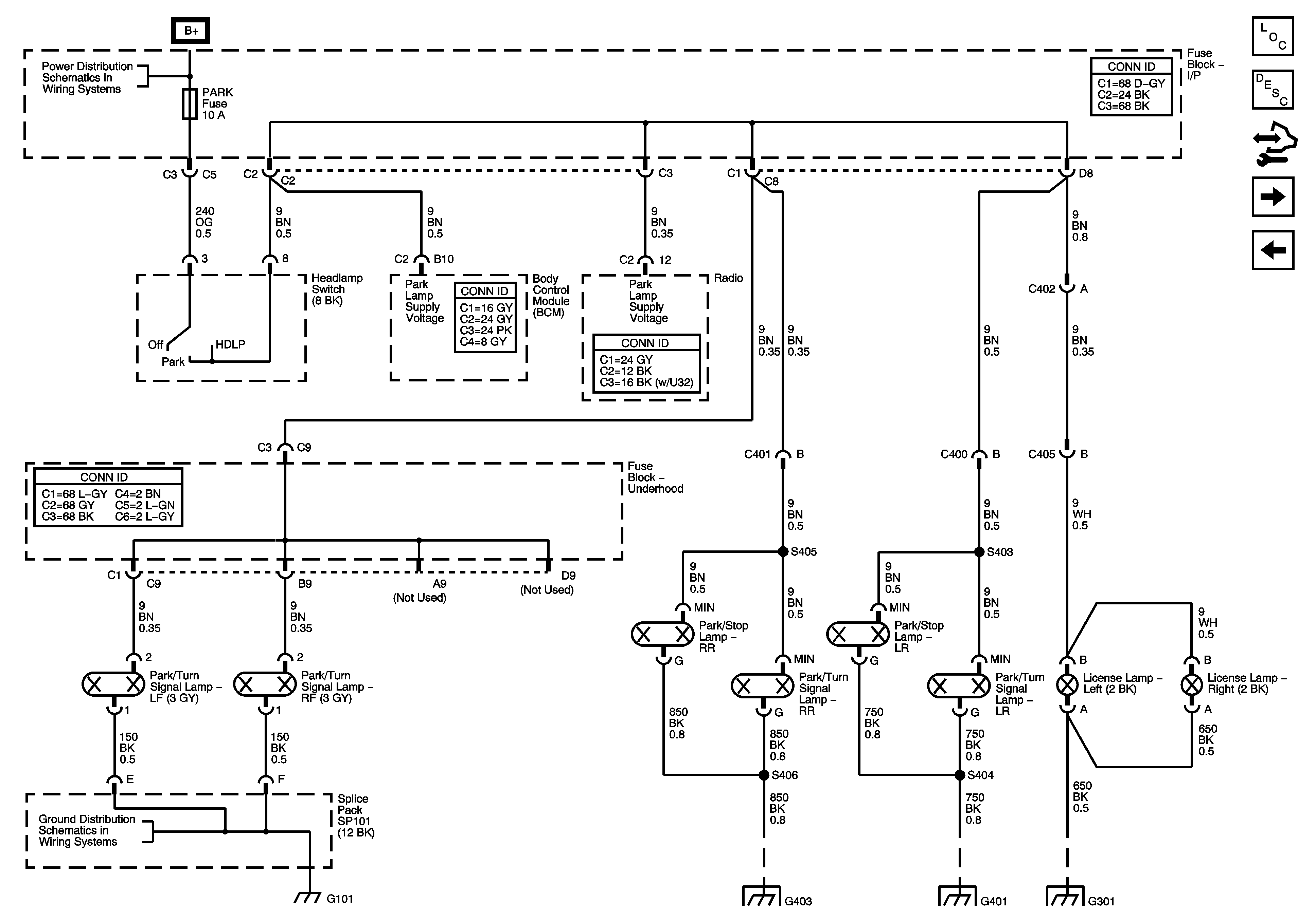
🢒 Park Lamps - w/o T82
Park Lamps - w/o T82
Park Lamps - w/o T82
Master Electrical Component List
Exterior Lighting Systems Description and Operation
Control Module References
Hazards and Turn Signals
Park Lamps - w/T82
PWR SEAT Circuit Breaker, LH HDLP Fuse, RH HDLP Fuse, BRAKE Fuse, PREM AUD Fuse, BATT FEED Fuse and the HTD SEATS Fuse
G101
G401 and G403
G401 and G403
G301 - 2 of 2