GM Service Manual Online
For 1990-2009 cars only
Makes
🢒
Saturn
🢒
2006
🢒
VUE - FWD
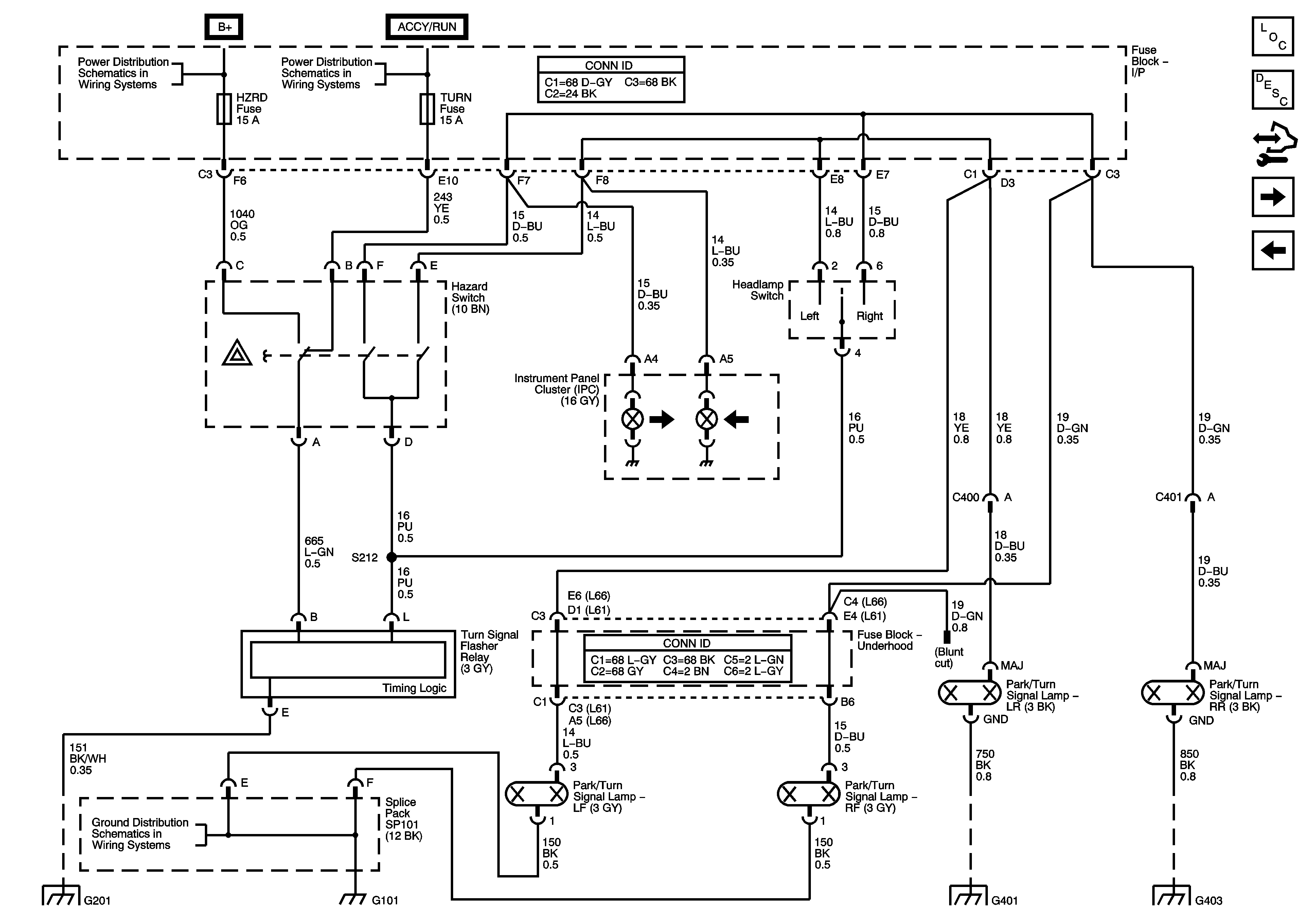
🢒 Hazards and Turn Signals
Hazards and Turn Signals
Hazards and Turn Signals
Master Electrical Component List
Exterior Lighting Systems Description and Operation
Control Module References
Stop Lamps
Park Lamps - w/o T82
PWR SEAT Circuit Breaker, LH HDLP Fuse, RH HDLP Fuse, BRAKE Fuse, PREM AUD Fuse, BATT FEED Fuse and the HTD SEATS Fuse
IGN Fuse and the Ignition Switch Circuits
G101
G401 and G403
G401 and G403