GM Service Manual Online
For 1990-2009 cars only
Figure 1:

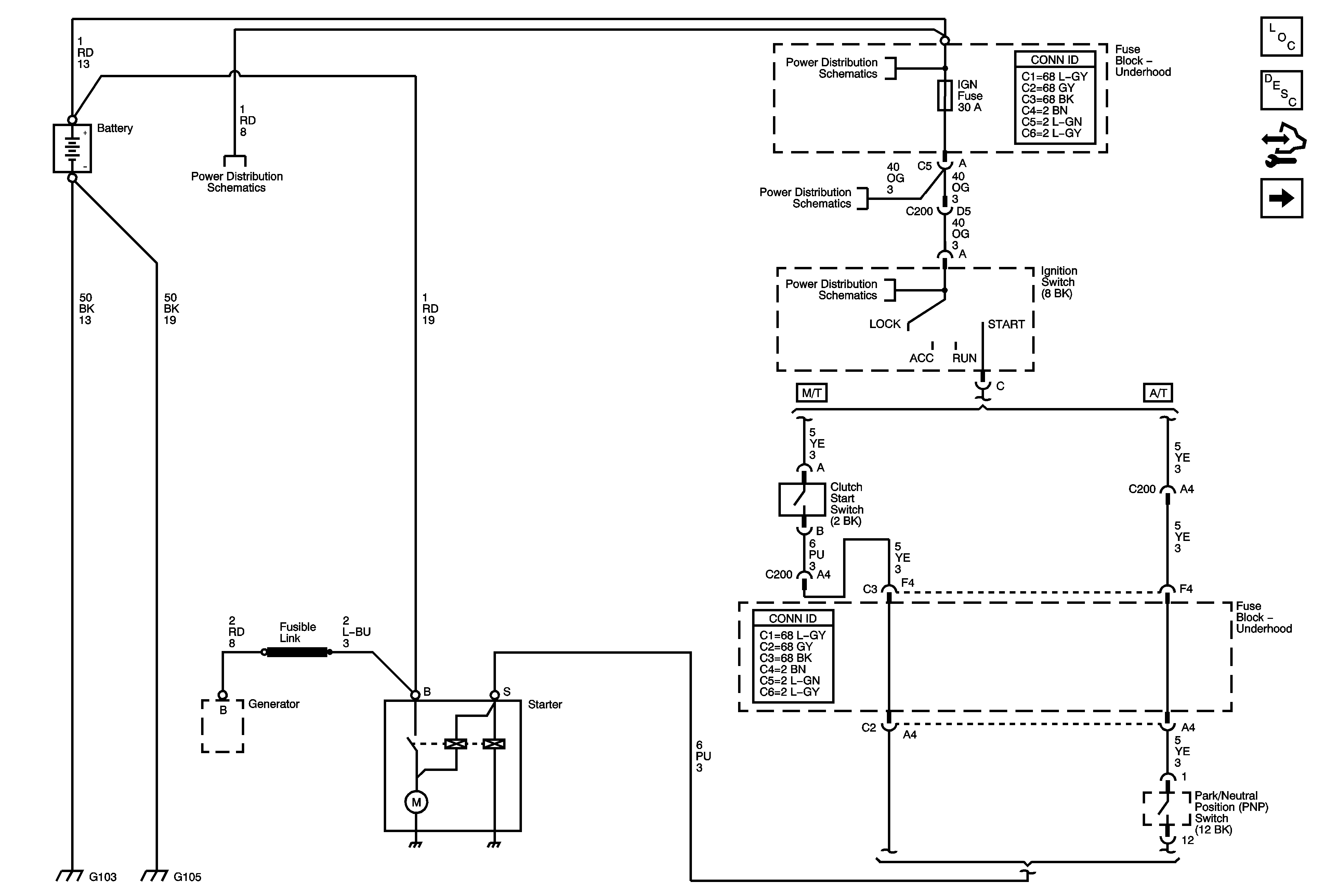
Starting (L61)


Object Number: 1796033  Size: FS
Master Electrical Component List
Starting System Description and Operation
Control Module References
Starting (L66)
B+ Bus and EPS Fuse
B+ Bus and EPS Fuse
IGN Fuse and Ignition Switch Circuits
IGN Fuse and Ignition Switch Circuits
Figure 2:

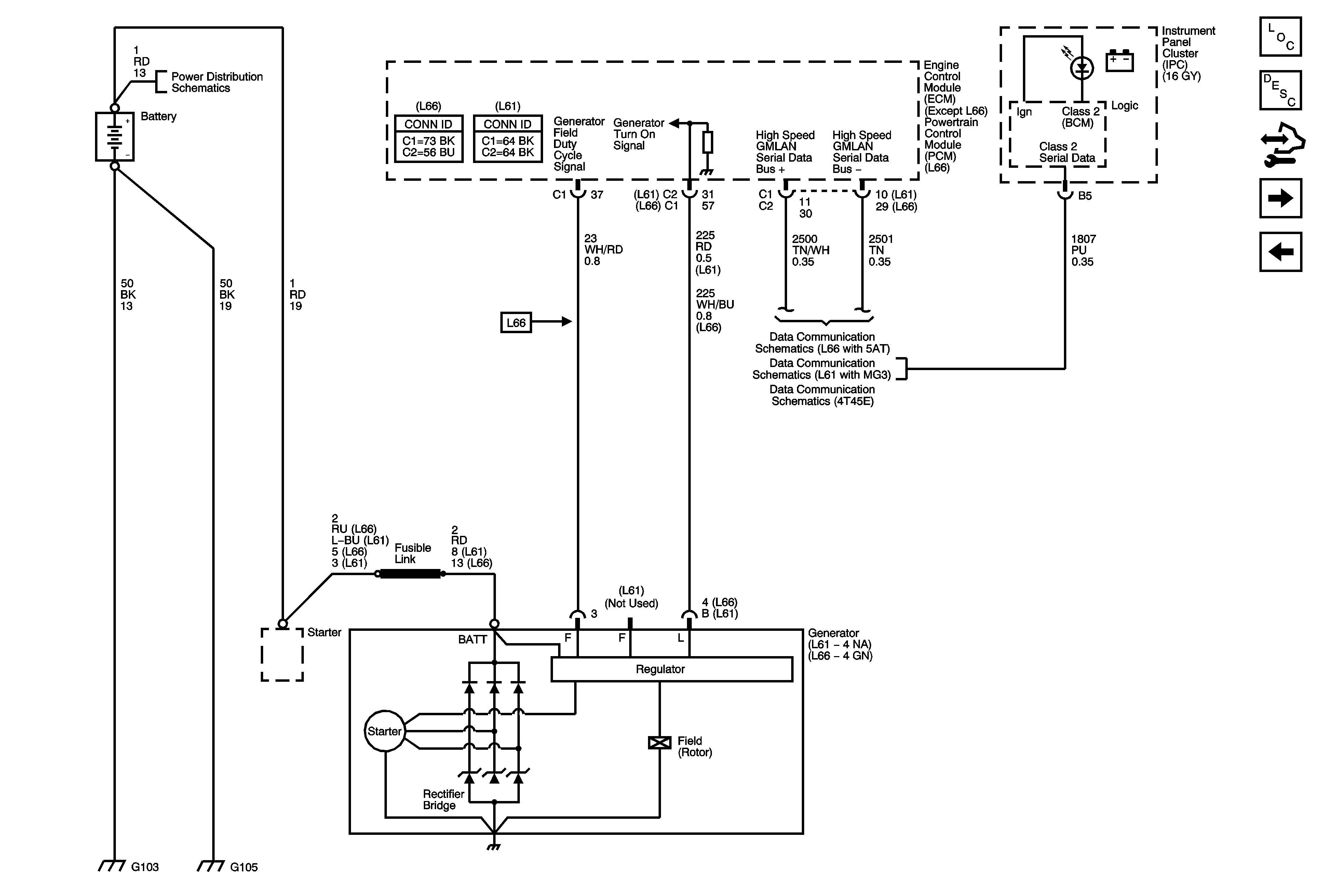
Starting (L66)


Object Number: 1796066  Size: FS
Master Electrical Component List
Starting System Description and Operation
Control Module References
Charging
Starting (L61)
B+ Bus and EPS Fuse
B+ Bus and EPS Fuse
IGN Fuse and Ignition Switch Circuits
IGN Fuse and Ignition Switch Circuits
PNP Switch, OSS, ISS, Indicators, and PCM Communication
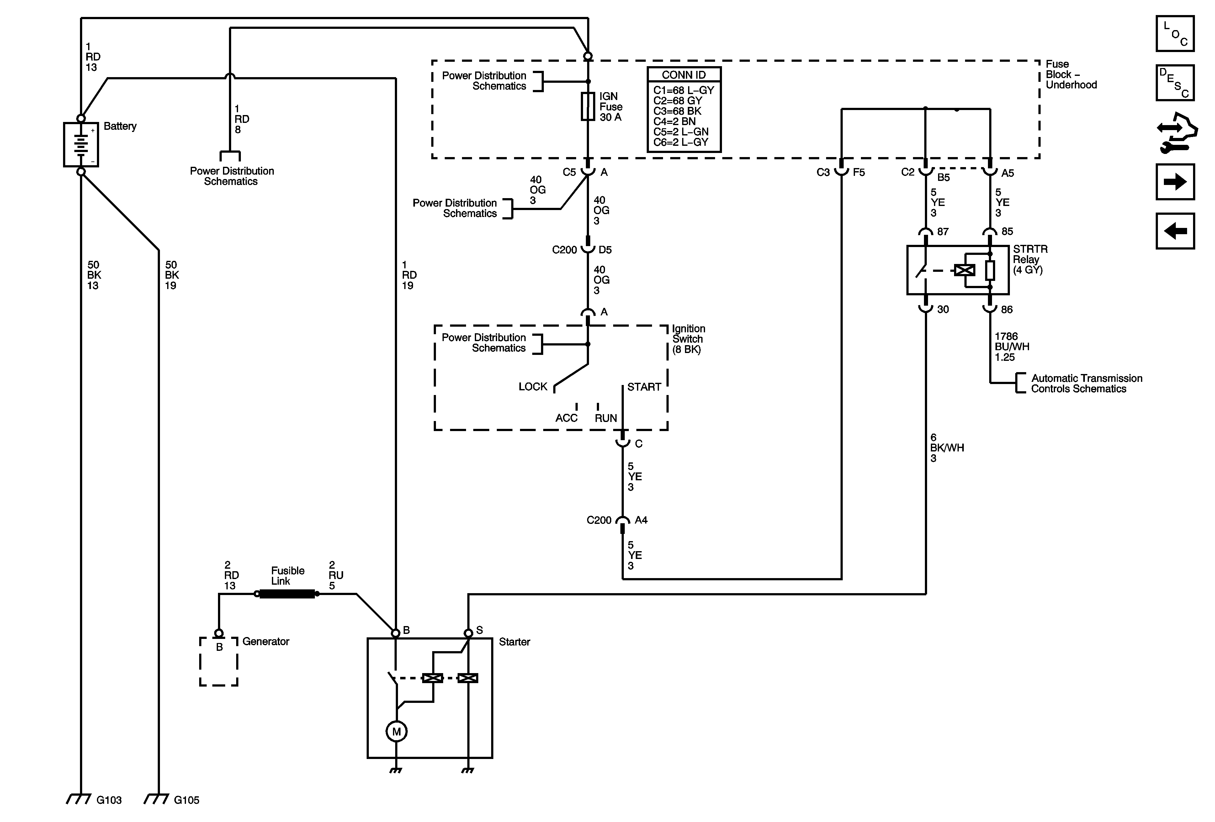
Figure 3:

Starting (HP7)


Object Number: 1858027  Size: FS
Figure 4:

Charging


Object Number: 1796201  Size: FS
Master Electrical Component List
Charging System Description and Operation
Control Module References
Starting (L66)
B+ Bus and EPS Fuse
L66 with 5AT
L61 with MG3
L61 with 4T45-E
HP7