GM Service Manual Online
For 1990-2009 cars only
Makes
🢒
Saturn
🢒
2007
🢒
VUE - FWD
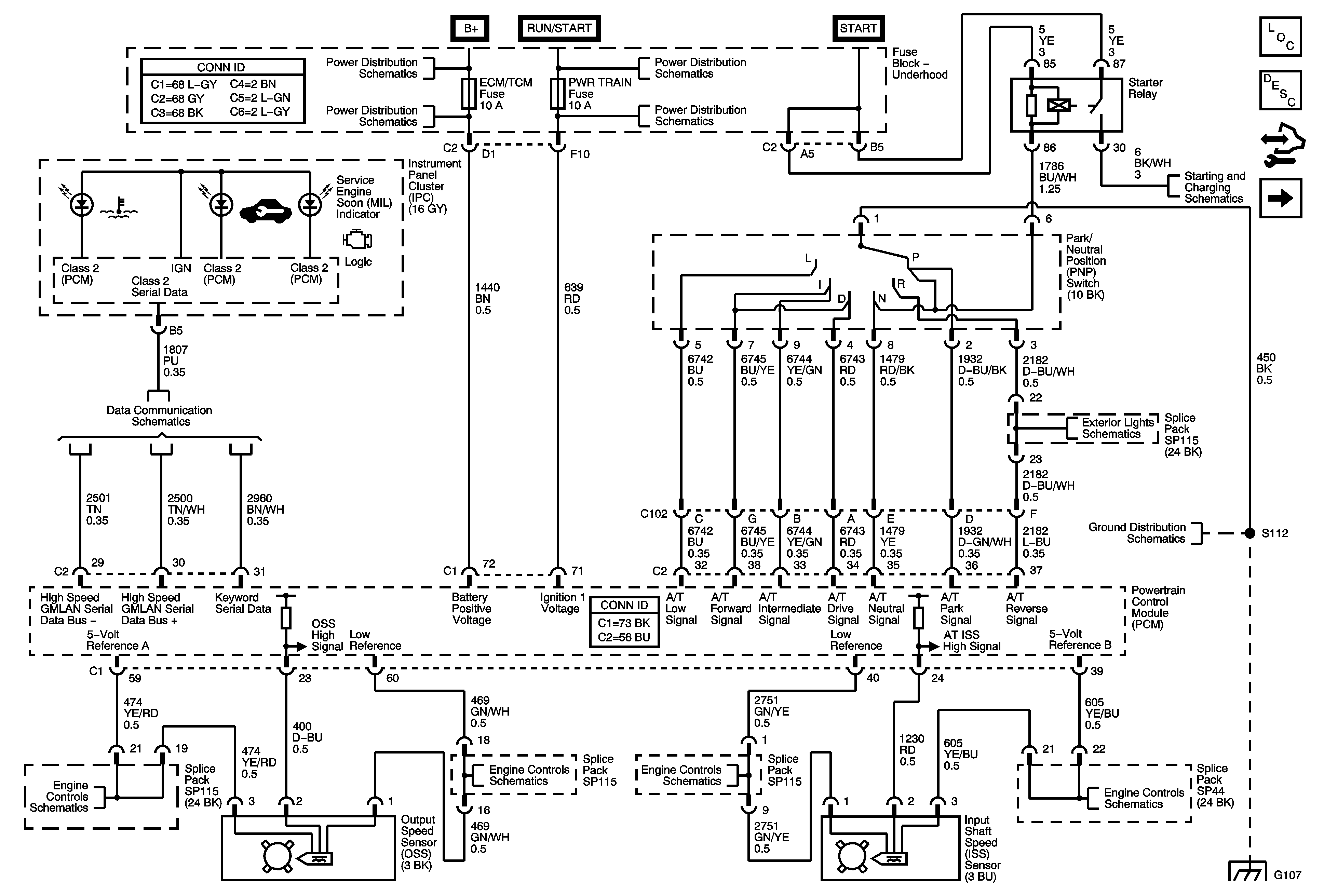
🢒 PNP Switch, OSS, ISS, Indicators, and PCM Communication
PNP Switch, OSS, ISS, Indicators, and PCM Communication
PNP Switch, OSS, ISS, Indicators, and PCM Communication
Master Electrical Component List
Electronic Component Description
Control Module References
Solenoid and Switch Controls
B+ Bus and EPS Fuse
IGN Fuse and Ignition Switch Circuits
SUNROOF, PWR WDW, ABS 10A, ABS 20A, ABS PWR, HVAC BLOWER, AUX1 OUTLET, CIGAR/AUX2, and ECM/PCM Fuses
BACKUP, PWR TRAIN, 10A ABS, and INJECTOR Fuses (Except HP7)
Starting (L66)
L66 with 5AT
L61 with MG3
Backup Lamps
G107 and G109 (L66)
5-Volt Reference
5-Volt Reference
G107 and G109 (L66)